Reference Adapter Board User guide
Table Of Contents

Chapter 4
Installation
4-11
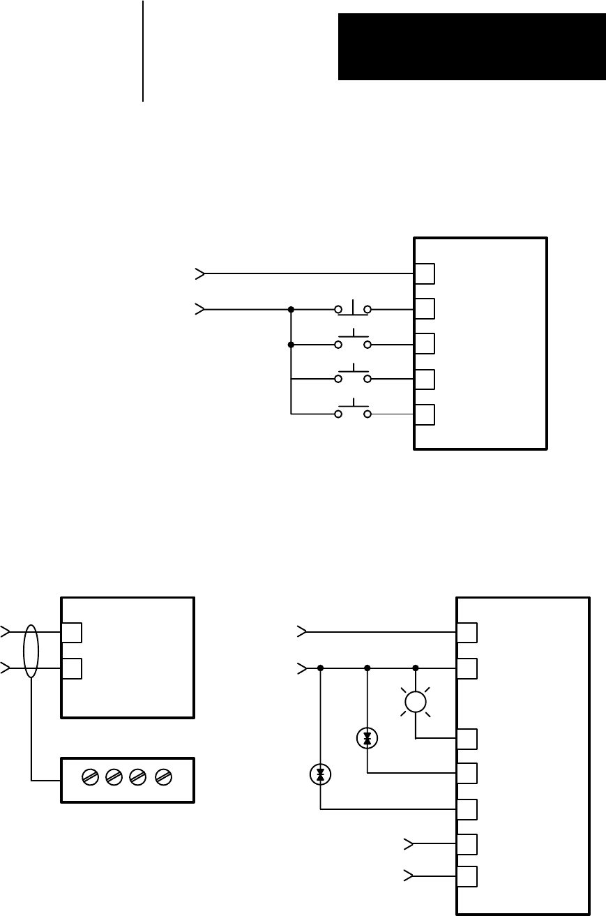
Digital Inputs Figure 4.9 shows a typical digital input connection.
Figure 4.9
Typical
24V DC Digital Input Connections using External Power Supply
DIGITAL IN 2
53
43
44
45
46
TB3
DIGITAL COMMON
DIGITAL IN 1
DIGITAL IN 3
DIGITAL IN 4
Clear Faults*
Start*
Jog 2*
Stop*
24V DC Common*
24V DC High*
* External to the Drive
Analog/Digital Outputs Figure 4.10 shows typical analog and digital output connections.
Figure 4.10
Typical
Output Connections
61
62
TB3
Digital Output Connections
IMPORTANT: Connect
shield to drive end only.
Other end is to be insu
lated and left floating.
41
42
TB3
ARM. CURRENT FDBK.
Analog Output Connections
55
54
ARM. CURRENT FDBK.
+
-
0 to
±10V DC,
1mA Maximum
AT ZERO SPEED
DRIVE RUNNING
57
56
DRIVE READY
AT CURRENT LIMIT
58
AT SET SPEED
COMMON
24V DC HIGH
CR*
PL*
CR*
External 24V DC
Power Supply
* External to the Drive
#
TB10 on 125 - 300HP 230V and 250 - 600HP 460V
TB4
#