Reference Adapter Board User guide
Table Of Contents

Chapter 4
Installation
4-8
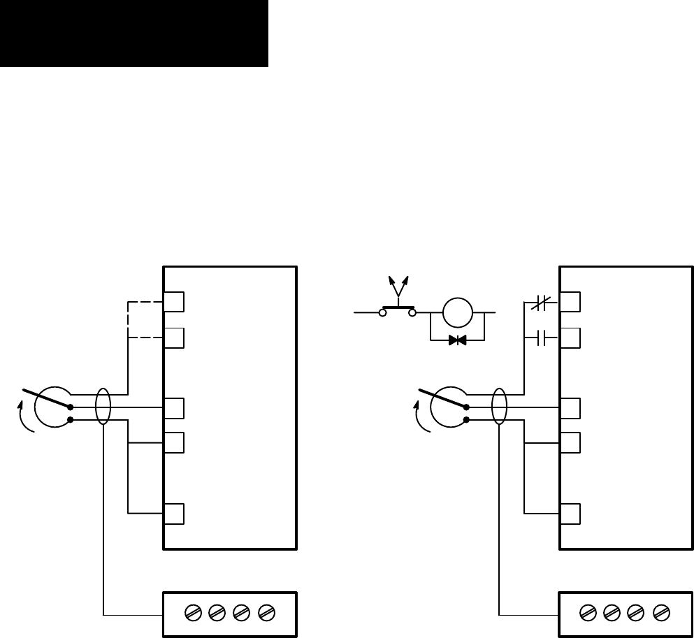
Analog Input Connections Connections for velocity trim and reference inputs can be either uni- or
bi-directional operation, using the internal drive ±10VDC power supply as
shown in Figure 4.7.
Figure 4.7
Typical
Analog Input Connections
28
29
31
32
33
TB3
+10V DC P.S.
-10V DC P.S.
EXT. VELOCITY REF.
P.S. COMMON
Bidirectional Operation
IMPORTANT: Connect
shield to drive end only.
Other end is to be insu
lated and left floating.
Reference *
2.5k Ohm
Minimum
28
29
31
32
30
TB3
+10V DC P.S.
-10V DC P.S.
P.S. COMMON
Unidirectional Operation
Reference*
2.5k Ohm
Minimum
R
R
Forward Reverse
R*
Reverse Relay
* External to the Drive
*
EXT. VELOCITY REF.
+
-
EXT. VELOCITY REF.
EXT. VELOCITY REF.
+
-
IMPORTANT: Connect
to either terminal 28 or
29, Not Both
TB4
#
TB4
#
#
TB10 on 125 - 300HP 230V and 250 - 600HP 460V