User Manual V 1-4.XX User guide
Table Of Contents
- Front Cover
- Chapter 1
- Chapter 2
- Chapter 3
- Chapter 4
- Chapter 5
- Chapter 6
- Chapter 7
- Chapter 8
- Chapter 9
- Chapter 10
- Chapter 11
- Chapter 12
- Chapter 13
- Appendix A
- Appendix B
- Appendix C
- Appendix D
- Appendix E
- Appendix F
- Who Should Use this Manual?
- What Is the 1336 IMPACT Drive?
- Purpose of this Manual
- Terms and Abbreviations
- Common Techniques Used in this Manual
- Allen-Bradley Support
- Table of Contents
- Preface
- Chapter 1
- Chapter 2
- Mounting and Wiring Your 1336 IMPACT Drive
- Chapter Objectives
- Before Mounting Your Drive
- Input Fuses and Circuit Breakers
- Mounting Your Drive
- Grounding Your Drive
- Wiring the Power
- Hard Wiring Your I/O
- Connecting Your Gateway
- Installing an Interface Board
- Connecting the Power to the Drive
- Disconnecting the Drive Output
- Starting and Stopping the Motor
- Electrical Interference— EMI/RFI
- Do I Need an RFI Filter?
- Mounting and Wiring Your 1336 IMPACT Drive
- Chapter 3
- Chapter 4
- Chapter 5
- Using the LOption
- Chapter Objectives
- What is the LOption?
- What Functions are Available?
- Setting Up the LOption Board
- Using an Encoder with the LOption Board
- Requirements for the Contact Closure Interface Board (L4)
- Requirements for the 24V AC/DC Interface Board Requirements (L5)
- Requirements for the 115V AC Interface Board (L6)
- Requirements for the Contact Closure Interface Board (L7E)
- Requirements for the 24VAC/DC Interface Board Requirements (L8E)
- Requirements for the 115V AC Interface Board (L9E)
- Using the LOption
- Chapter 6
- Starting Up Your System
- Chapter Objectives
- Before Applying Power to Your Drive
- Applying Power to Your Drive
- Recording Your Drive and Motor Information
- Understanding the Basics of the Human Interface Module (HIM)
- Starting Up Your System
- Running the Quick Motor Tune Procedure
- Configuring the Digital Section
- Configuring the Analog Section
- Understanding Links
- Where Do I Go From Here?
- Starting Up Your System
- Chapter 7
- Chapter 8
- Chapter 9
- Applications
- Chapter Objectives
- Choosing a Motor Feedback Source
- Choosing an Optional Braking/Decelerating Method
- Using DC Hold
- Using Up to 400% Motor Current
- Understanding the Scale and Offset Parameters for Analog I/O
- Using 4 – 20mA Inputs/Outputs
- Using a Remote Pot
- Using MOP
- Using Flying Start
- Speed Profiling Introduction
- Speed Profiling Operation
- Speed Profile Start Up Configuration
- Initial Setup Requirements
- Profile Command & Control
- Using the TB3 Inputs
- Encoder Steps
- Applications
- Chapter 10
- Using the Function Block
- Chapter Objectives
- What is a Function Block?
- Evaluating the Inputs
- Using the Timer Delay Function
- Using the State Machine Function
- Using the Add/Subtract Function
- Using the Maximum/Minimum Function
- Using the Up/Down Counter Function
- Using the Multiply/Divide Function
- Using the Scale Function
- Using the Hysteresis Function
- Using the Band Function
- Using the Logical Add/Subtract Function
- Using the Logical Multiply/Divide Function
- Using the Function Block
- Chapter 11
- Chapter 12
- Troubleshooting
- Chapter Objectives
- Required Equipment
- Fault/Warning Handling
- Viewing the Fault and Warning Queues on the HIM
- What Are the Fault Descriptions?
- Understanding Precharge and Ridethrough Faults
- Understanding the Bus Voltage Tracker
- Understanding the Parameter Limit Faults
- Understanding the Math Limit Faults
- Start Up Troubleshooting Procedures
- Miscellaneous Troubleshooting Procedures
- Encoderless Troubleshooting Problems
- Troubleshooting
- Chapter 13
- Appendix A
- Appendix B
- Appendix C
- Appendix D
- Appendix E
- Appendix F
- Index
- Back Cover

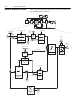
Control Block Diagrams B-17
The 1336 IMPACT drive takes the speed reference that you specify to
the drive and compares that value to the value of the speed feedback
that is coming from the motor. The drive tries to make the two values
match as close as possible by sending a speed error value to the speed
PI regulator. The speed PI regulator uses the Kp (proportional) and Ki
(integral) gains to adjust the torque reference value that is sent to the
motor to try to get the actual speed of the motor as close to the speed
you specified as possible. This can be shown as:
The Kp and Ki gains are set during the auto-tune procedure. Once you
find gains that provide a good speed of response for your system
without making your system unstable, you should not change the Kp
and Ki parameters. The Kp and Ki gains are covered in the Inertia
Test portion of Chapter 13, Understanding the Auto-tuning
Procedure. The following information about Kp is also provided to
show what happens if you are not using the proper gains for your
system.
The following information is provided about Ki:
Speed Reference
Speed Regulator
Motor
Encoder
Speed Feedback
+
–
Speed Error
Kp
+
+
Ki
If Kp is: Then:
Too low
The response time decreases. This means that it takes the regulator a
longer time to get the speed feedback value close to the speed
reference value that you specified.
Too high
A torque ripple can be produced. If you have an encoder on your
system, the torque ripple can be produced typically when Kp is around
50. If you do not have an encoder on your system, the maximum is less
than 50.
0
The speed PI regulator is strictly an integral regulator. This causes
unstable operation.
If Ki is: Then:
Too low
The time that it takes to recover from a speed or load disturbance
increases. This means that the regulator takes a longer time to get the
speed feedback value close to the speed reference value that you
specified.
Too high Your system will not be stable, and it may oscillate.
0 The speed PI regulator is strictly a proportional regulator.