User Manual V 1-4.XX User guide
Table Of Contents
- Front Cover
- Chapter 1
- Chapter 2
- Chapter 3
- Chapter 4
- Chapter 5
- Chapter 6
- Chapter 7
- Chapter 8
- Chapter 9
- Chapter 10
- Chapter 11
- Chapter 12
- Chapter 13
- Appendix A
- Appendix B
- Appendix C
- Appendix D
- Appendix E
- Appendix F
- Who Should Use this Manual?
- What Is the 1336 IMPACT Drive?
- Purpose of this Manual
- Terms and Abbreviations
- Common Techniques Used in this Manual
- Allen-Bradley Support
- Table of Contents
- Preface
- Chapter 1
- Chapter 2
- Mounting and Wiring Your 1336 IMPACT Drive
- Chapter Objectives
- Before Mounting Your Drive
- Input Fuses and Circuit Breakers
- Mounting Your Drive
- Grounding Your Drive
- Wiring the Power
- Hard Wiring Your I/O
- Connecting Your Gateway
- Installing an Interface Board
- Connecting the Power to the Drive
- Disconnecting the Drive Output
- Starting and Stopping the Motor
- Electrical Interference— EMI/RFI
- Do I Need an RFI Filter?
- Mounting and Wiring Your 1336 IMPACT Drive
- Chapter 3
- Chapter 4
- Chapter 5
- Using the LOption
- Chapter Objectives
- What is the LOption?
- What Functions are Available?
- Setting Up the LOption Board
- Using an Encoder with the LOption Board
- Requirements for the Contact Closure Interface Board (L4)
- Requirements for the 24V AC/DC Interface Board Requirements (L5)
- Requirements for the 115V AC Interface Board (L6)
- Requirements for the Contact Closure Interface Board (L7E)
- Requirements for the 24VAC/DC Interface Board Requirements (L8E)
- Requirements for the 115V AC Interface Board (L9E)
- Using the LOption
- Chapter 6
- Starting Up Your System
- Chapter Objectives
- Before Applying Power to Your Drive
- Applying Power to Your Drive
- Recording Your Drive and Motor Information
- Understanding the Basics of the Human Interface Module (HIM)
- Starting Up Your System
- Running the Quick Motor Tune Procedure
- Configuring the Digital Section
- Configuring the Analog Section
- Understanding Links
- Where Do I Go From Here?
- Starting Up Your System
- Chapter 7
- Chapter 8
- Chapter 9
- Applications
- Chapter Objectives
- Choosing a Motor Feedback Source
- Choosing an Optional Braking/Decelerating Method
- Using DC Hold
- Using Up to 400% Motor Current
- Understanding the Scale and Offset Parameters for Analog I/O
- Using 4 – 20mA Inputs/Outputs
- Using a Remote Pot
- Using MOP
- Using Flying Start
- Speed Profiling Introduction
- Speed Profiling Operation
- Speed Profile Start Up Configuration
- Initial Setup Requirements
- Profile Command & Control
- Using the TB3 Inputs
- Encoder Steps
- Applications
- Chapter 10
- Using the Function Block
- Chapter Objectives
- What is a Function Block?
- Evaluating the Inputs
- Using the Timer Delay Function
- Using the State Machine Function
- Using the Add/Subtract Function
- Using the Maximum/Minimum Function
- Using the Up/Down Counter Function
- Using the Multiply/Divide Function
- Using the Scale Function
- Using the Hysteresis Function
- Using the Band Function
- Using the Logical Add/Subtract Function
- Using the Logical Multiply/Divide Function
- Using the Function Block
- Chapter 11
- Chapter 12
- Troubleshooting
- Chapter Objectives
- Required Equipment
- Fault/Warning Handling
- Viewing the Fault and Warning Queues on the HIM
- What Are the Fault Descriptions?
- Understanding Precharge and Ridethrough Faults
- Understanding the Bus Voltage Tracker
- Understanding the Parameter Limit Faults
- Understanding the Math Limit Faults
- Start Up Troubleshooting Procedures
- Miscellaneous Troubleshooting Procedures
- Encoderless Troubleshooting Problems
- Troubleshooting
- Chapter 13
- Appendix A
- Appendix B
- Appendix C
- Appendix D
- Appendix E
- Appendix F
- Index
- Back Cover

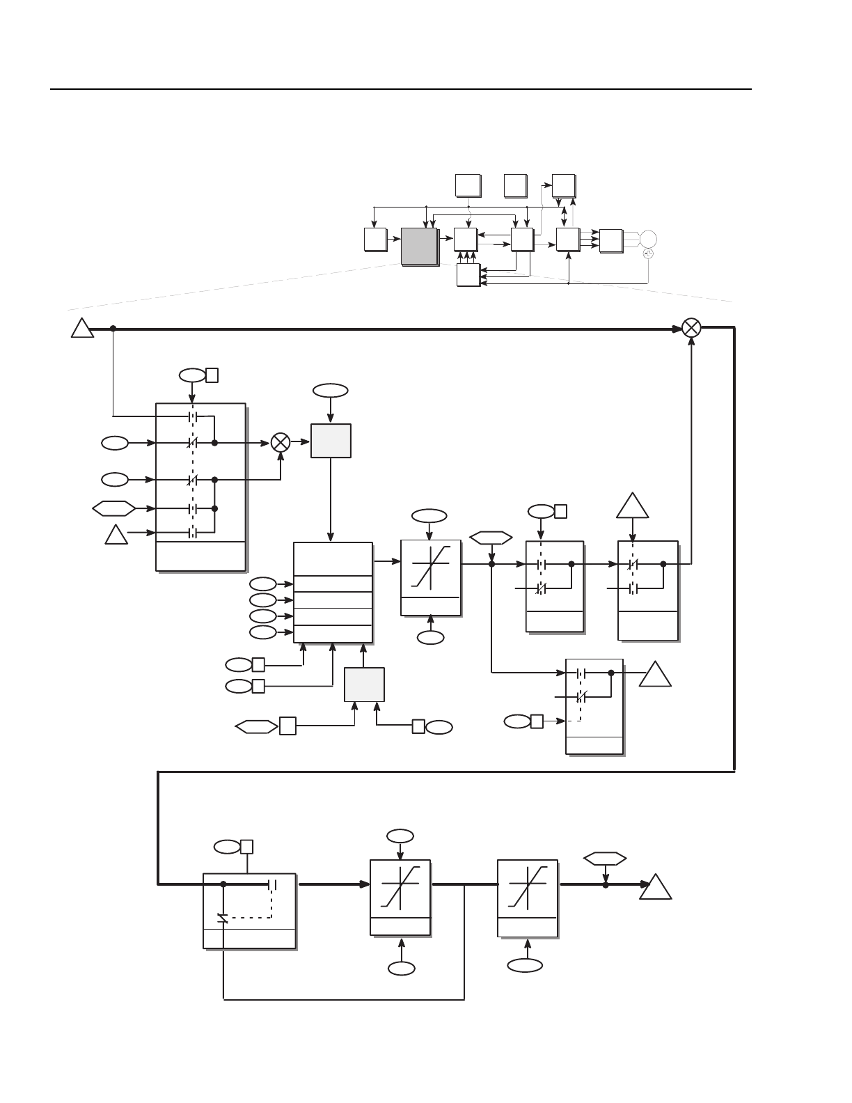
B-10 Control Block Diagrams
Trim Control Overview You can use the following block diagram to view how the drive uses
the process trim parameters to modify the speed and torque reference
values that the motor uses.
Process Trim
PTrim Select
(Trim Limiter)
STOP
Output Gain/4096
Data
Process Trim PI
Regulator
Ramp Output
B
R
Low
Pass
Filter
K
I
/4096
K
P
/4096
53
54
55
60
59
PTrim Hi Limit
6
PTrim Lo Limit
Limit
Speed Trim
51
0
PTrim Select
(Select Speed Output)
0
+
+
Zero
Reference
0
Speed Trim
Limit
Trim Limit
51 5
Freq Limit
V
T
To Speed
PI Regulator
Torque Trim
0
T
pt
To Torque
Reference
51 1
PTrim Select
(Select Torque)
51 3
58
51
4
11
Logic
Input Sts
PTrim Select (Set Output)
PTrim Select (Preset Integ.)
62
Max Fwd
Spd Trim
61
Max Rev Spd Trim
PTrim Preload
PTrim Ki
PTrim Kp
PTrim Out Gain
Nameplate Hz
48
PTrim
Output
OR
14
Process Trim
51
6
PTrim Select
(Enable)
Enable
82
Command
Spd Sts
52
PTrim Filter BW
Process Trim
Speed Input Select
51
2
PTrim Select
(Select Speed Input)
49
50
PTrim Reference
PTrim Feedback
81
Motor Speed
from Speed
Feedback
+
–