User Manual V 1-4.XX User guide

Table Of Contents
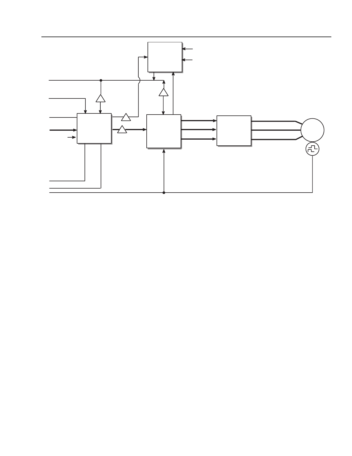
Control Block Diagrams B-3
External
Torque
Reference
Torque
Reference
Control
M
C
Drive
Fault
Detection
Torque
Block
(DC to AC
Converter)
Analog
Current
Regulator
Iq REF. (AC)
Local Inputs
Fault and Warning Queues
AC
Motor
Iq
If
Id REF. (AC)
fe
Digital
Encoder
Encoderless
Page B-19
Page B-27
Page B-24
Page B-34