User Manual V 1-4.XX User guide
Table Of Contents
- Front Cover
- Chapter 1
- Chapter 2
- Chapter 3
- Chapter 4
- Chapter 5
- Chapter 6
- Chapter 7
- Chapter 8
- Chapter 9
- Chapter 10
- Chapter 11
- Chapter 12
- Chapter 13
- Appendix A
- Appendix B
- Appendix C
- Appendix D
- Appendix E
- Appendix F
- Who Should Use this Manual?
- What Is the 1336 IMPACT Drive?
- Purpose of this Manual
- Terms and Abbreviations
- Common Techniques Used in this Manual
- Allen-Bradley Support
- Table of Contents
- Preface
- Chapter 1
- Chapter 2
- Mounting and Wiring Your 1336 IMPACT Drive
- Chapter Objectives
- Before Mounting Your Drive
- Input Fuses and Circuit Breakers
- Mounting Your Drive
- Grounding Your Drive
- Wiring the Power
- Hard Wiring Your I/O
- Connecting Your Gateway
- Installing an Interface Board
- Connecting the Power to the Drive
- Disconnecting the Drive Output
- Starting and Stopping the Motor
- Electrical Interference— EMI/RFI
- Do I Need an RFI Filter?
- Mounting and Wiring Your 1336 IMPACT Drive
- Chapter 3
- Chapter 4
- Chapter 5
- Using the LOption
- Chapter Objectives
- What is the LOption?
- What Functions are Available?
- Setting Up the LOption Board
- Using an Encoder with the LOption Board
- Requirements for the Contact Closure Interface Board (L4)
- Requirements for the 24V AC/DC Interface Board Requirements (L5)
- Requirements for the 115V AC Interface Board (L6)
- Requirements for the Contact Closure Interface Board (L7E)
- Requirements for the 24VAC/DC Interface Board Requirements (L8E)
- Requirements for the 115V AC Interface Board (L9E)
- Using the LOption
- Chapter 6
- Starting Up Your System
- Chapter Objectives
- Before Applying Power to Your Drive
- Applying Power to Your Drive
- Recording Your Drive and Motor Information
- Understanding the Basics of the Human Interface Module (HIM)
- Starting Up Your System
- Running the Quick Motor Tune Procedure
- Configuring the Digital Section
- Configuring the Analog Section
- Understanding Links
- Where Do I Go From Here?
- Starting Up Your System
- Chapter 7
- Chapter 8
- Chapter 9
- Applications
- Chapter Objectives
- Choosing a Motor Feedback Source
- Choosing an Optional Braking/Decelerating Method
- Using DC Hold
- Using Up to 400% Motor Current
- Understanding the Scale and Offset Parameters for Analog I/O
- Using 4 – 20mA Inputs/Outputs
- Using a Remote Pot
- Using MOP
- Using Flying Start
- Speed Profiling Introduction
- Speed Profiling Operation
- Speed Profile Start Up Configuration
- Initial Setup Requirements
- Profile Command & Control
- Using the TB3 Inputs
- Encoder Steps
- Applications
- Chapter 10
- Using the Function Block
- Chapter Objectives
- What is a Function Block?
- Evaluating the Inputs
- Using the Timer Delay Function
- Using the State Machine Function
- Using the Add/Subtract Function
- Using the Maximum/Minimum Function
- Using the Up/Down Counter Function
- Using the Multiply/Divide Function
- Using the Scale Function
- Using the Hysteresis Function
- Using the Band Function
- Using the Logical Add/Subtract Function
- Using the Logical Multiply/Divide Function
- Using the Function Block
- Chapter 11
- Chapter 12
- Troubleshooting
- Chapter Objectives
- Required Equipment
- Fault/Warning Handling
- Viewing the Fault and Warning Queues on the HIM
- What Are the Fault Descriptions?
- Understanding Precharge and Ridethrough Faults
- Understanding the Bus Voltage Tracker
- Understanding the Parameter Limit Faults
- Understanding the Math Limit Faults
- Start Up Troubleshooting Procedures
- Miscellaneous Troubleshooting Procedures
- Encoderless Troubleshooting Problems
- Troubleshooting
- Chapter 13
- Appendix A
- Appendix B
- Appendix C
- Appendix D
- Appendix E
- Appendix F
- Index
- Back Cover

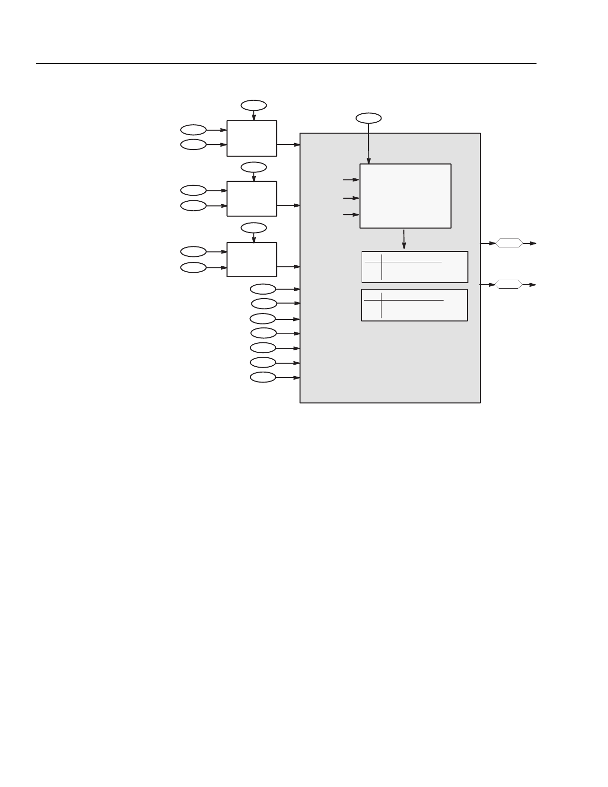
10-28 Using the Function Block
Figure 10.33
Logical Multiply/Divide Function Block
The logical multiply/divide function can be performed as either
standard math or per unit math. Per unit math lets you multiply/divide
internal drive units on a per unit basis, where 4096 is equal to one
unit. With per unit math, 4096 x 4096 = 4096, because you actually
multiply 1 unit by 1 unit to get 1 unit. The equation used for per unit
math is as follows:
208
200
Func 1 Eval Sel
0 – 17
198
Function In1
199
Func 1 Mask/Val
I
V
Logical Multiply/Divide Function Block
203
Func 2 Eval Sel
0 – 17
201
Function In2
202
Func 2 Mask/Val
I
V
212
Function Sel
22 In1 Or In2
23 In1 Nor In2
24 In1 And In2
25 In1 Nand In2
26 (In1 Or In2) And In3
27 (In1 And In2) Or In3
In1
In2
206
Func 3 Eval Sel
0 – 17
204
Function In3
205
Func 3 Mask/Val
I
V
In3
207
Function In4
Function In5
In4
In5
213
Function
Output 1
If: Then:
False (In5 x In6)/In7 —> Out1
True (In8 x In9)/In10 —> Out 1
In1
In2
In3
209
Function In6
In6
Function In7
In7
210
214
Function
Output 2
If: Then:
False Use per unit math.
True Use standard math.
In4:
Function In8
In8
211
Function In9
In9
232
Function In10
In10
233
In1
4096
------------
In2
4096
------------
× 65536×
In3
4096
------------
---------------------------------------------------------------
Out1, 2
4096
------------------
=
Out1 = Whole Value
Out2 = Fractional Value