User Manual V 1-4.XX User guide
Table Of Contents
- Front Cover
- Chapter 1
- Chapter 2
- Chapter 3
- Chapter 4
- Chapter 5
- Chapter 6
- Chapter 7
- Chapter 8
- Chapter 9
- Chapter 10
- Chapter 11
- Chapter 12
- Chapter 13
- Appendix A
- Appendix B
- Appendix C
- Appendix D
- Appendix E
- Appendix F
- Who Should Use this Manual?
- What Is the 1336 IMPACT Drive?
- Purpose of this Manual
- Terms and Abbreviations
- Common Techniques Used in this Manual
- Allen-Bradley Support
- Table of Contents
- Preface
- Chapter 1
- Chapter 2
- Mounting and Wiring Your 1336 IMPACT Drive
- Chapter Objectives
- Before Mounting Your Drive
- Input Fuses and Circuit Breakers
- Mounting Your Drive
- Grounding Your Drive
- Wiring the Power
- Hard Wiring Your I/O
- Connecting Your Gateway
- Installing an Interface Board
- Connecting the Power to the Drive
- Disconnecting the Drive Output
- Starting and Stopping the Motor
- Electrical Interference— EMI/RFI
- Do I Need an RFI Filter?
- Mounting and Wiring Your 1336 IMPACT Drive
- Chapter 3
- Chapter 4
- Chapter 5
- Using the LOption
- Chapter Objectives
- What is the LOption?
- What Functions are Available?
- Setting Up the LOption Board
- Using an Encoder with the LOption Board
- Requirements for the Contact Closure Interface Board (L4)
- Requirements for the 24V AC/DC Interface Board Requirements (L5)
- Requirements for the 115V AC Interface Board (L6)
- Requirements for the Contact Closure Interface Board (L7E)
- Requirements for the 24VAC/DC Interface Board Requirements (L8E)
- Requirements for the 115V AC Interface Board (L9E)
- Using the LOption
- Chapter 6
- Starting Up Your System
- Chapter Objectives
- Before Applying Power to Your Drive
- Applying Power to Your Drive
- Recording Your Drive and Motor Information
- Understanding the Basics of the Human Interface Module (HIM)
- Starting Up Your System
- Running the Quick Motor Tune Procedure
- Configuring the Digital Section
- Configuring the Analog Section
- Understanding Links
- Where Do I Go From Here?
- Starting Up Your System
- Chapter 7
- Chapter 8
- Chapter 9
- Applications
- Chapter Objectives
- Choosing a Motor Feedback Source
- Choosing an Optional Braking/Decelerating Method
- Using DC Hold
- Using Up to 400% Motor Current
- Understanding the Scale and Offset Parameters for Analog I/O
- Using 4 – 20mA Inputs/Outputs
- Using a Remote Pot
- Using MOP
- Using Flying Start
- Speed Profiling Introduction
- Speed Profiling Operation
- Speed Profile Start Up Configuration
- Initial Setup Requirements
- Profile Command & Control
- Using the TB3 Inputs
- Encoder Steps
- Applications
- Chapter 10
- Using the Function Block
- Chapter Objectives
- What is a Function Block?
- Evaluating the Inputs
- Using the Timer Delay Function
- Using the State Machine Function
- Using the Add/Subtract Function
- Using the Maximum/Minimum Function
- Using the Up/Down Counter Function
- Using the Multiply/Divide Function
- Using the Scale Function
- Using the Hysteresis Function
- Using the Band Function
- Using the Logical Add/Subtract Function
- Using the Logical Multiply/Divide Function
- Using the Function Block
- Chapter 11
- Chapter 12
- Troubleshooting
- Chapter Objectives
- Required Equipment
- Fault/Warning Handling
- Viewing the Fault and Warning Queues on the HIM
- What Are the Fault Descriptions?
- Understanding Precharge and Ridethrough Faults
- Understanding the Bus Voltage Tracker
- Understanding the Parameter Limit Faults
- Understanding the Math Limit Faults
- Start Up Troubleshooting Procedures
- Miscellaneous Troubleshooting Procedures
- Encoderless Troubleshooting Problems
- Troubleshooting
- Chapter 13
- Appendix A
- Appendix B
- Appendix C
- Appendix D
- Appendix E
- Appendix F
- Index
- Back Cover

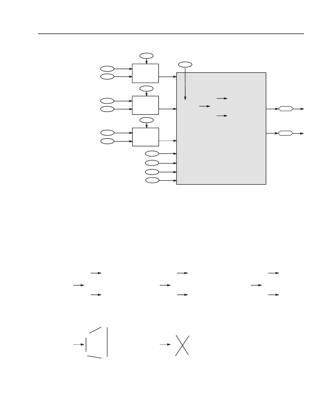
Using the Function Block 10-21
Figure 10.25
Scale Function Block
In1 is the input value. In2 and In3 specify the range that you want to
use for the maximum and minimum values for In1. In4 and In5
represent a double word that corresponds to the output value that you
want to use when In1 is equal to In2. In4 is the high word and In5 is
the low word. Likewise, In6 and In7 represent a double word that
corresponds to the output value that you want to use when In1 is equal
to In3. Therefore, it does not matter which value, In2 or In3, you use
for either the maximum or minimum. The following are some
examples.
The output is also specified as a double word, with the high word in
Function Output 1 and the low word in Function Output 2.
200
Func 1 Eval Sel
0 – 17
198
Function In1
199
Func 1 Mask/Val
I
V
Scale Function Block
203
Func 2 Eval Sel
0 – 17
201
Function In2
202
Func 2 Mask/Val
I
V
212
Function Sel
13
In1
In2
213
Function Output 1
206
Func 3 Eval Sel
0 – 17
204
Function In3
205
Func 3 Mask/Val
I
V
In3
207
Function In4
In4
214
Function Output 2
209
Function In6
210
Function In7
In6
In7
208
Function In5
In5
In1
In2 In4, In5
In3 In6, In7
Input
Range
Output
Range
In1 = 10
In2 In4, In5
10 100, 0
In3 In6, In7
5 1, 0
Input
Range
Output
Range
In1 = ±10
In2 In4, In5
±10 100, 0
In3 In6, In7
20 1, 0
Input
Range
Output
Range
In1 = 10
In2 In4, In5
10 5, 0
In3 In6, In7
±10 10, 32767
Input
Range
Output
Range
In2 represents the maximum input value, and
In3 represents the minimum input value.
In2 represents the minimum input value, and
In3 represents the maximum input value.
In2 represents the maximum input value, and
In3 represents the minimum input value.
Notice that the In4, In5 combination is smaller
than the In6, In7 combination. This is valid,
and if In1 is equal to In2, the output will still be
In4, In5.
100,0
10
5
1, 0
In1 = 10 In1 = ±10
±10 100, 0
20 1, 0