User Manual V 1-4.XX User guide
Table Of Contents
- Front Cover
- Chapter 1
- Chapter 2
- Chapter 3
- Chapter 4
- Chapter 5
- Chapter 6
- Chapter 7
- Chapter 8
- Chapter 9
- Chapter 10
- Chapter 11
- Chapter 12
- Chapter 13
- Appendix A
- Appendix B
- Appendix C
- Appendix D
- Appendix E
- Appendix F
- Who Should Use this Manual?
- What Is the 1336 IMPACT Drive?
- Purpose of this Manual
- Terms and Abbreviations
- Common Techniques Used in this Manual
- Allen-Bradley Support
- Table of Contents
- Preface
- Chapter 1
- Chapter 2
- Mounting and Wiring Your 1336 IMPACT Drive
- Chapter Objectives
- Before Mounting Your Drive
- Input Fuses and Circuit Breakers
- Mounting Your Drive
- Grounding Your Drive
- Wiring the Power
- Hard Wiring Your I/O
- Connecting Your Gateway
- Installing an Interface Board
- Connecting the Power to the Drive
- Disconnecting the Drive Output
- Starting and Stopping the Motor
- Electrical Interference— EMI/RFI
- Do I Need an RFI Filter?
- Mounting and Wiring Your 1336 IMPACT Drive
- Chapter 3
- Chapter 4
- Chapter 5
- Using the LOption
- Chapter Objectives
- What is the LOption?
- What Functions are Available?
- Setting Up the LOption Board
- Using an Encoder with the LOption Board
- Requirements for the Contact Closure Interface Board (L4)
- Requirements for the 24V AC/DC Interface Board Requirements (L5)
- Requirements for the 115V AC Interface Board (L6)
- Requirements for the Contact Closure Interface Board (L7E)
- Requirements for the 24VAC/DC Interface Board Requirements (L8E)
- Requirements for the 115V AC Interface Board (L9E)
- Using the LOption
- Chapter 6
- Starting Up Your System
- Chapter Objectives
- Before Applying Power to Your Drive
- Applying Power to Your Drive
- Recording Your Drive and Motor Information
- Understanding the Basics of the Human Interface Module (HIM)
- Starting Up Your System
- Running the Quick Motor Tune Procedure
- Configuring the Digital Section
- Configuring the Analog Section
- Understanding Links
- Where Do I Go From Here?
- Starting Up Your System
- Chapter 7
- Chapter 8
- Chapter 9
- Applications
- Chapter Objectives
- Choosing a Motor Feedback Source
- Choosing an Optional Braking/Decelerating Method
- Using DC Hold
- Using Up to 400% Motor Current
- Understanding the Scale and Offset Parameters for Analog I/O
- Using 4 – 20mA Inputs/Outputs
- Using a Remote Pot
- Using MOP
- Using Flying Start
- Speed Profiling Introduction
- Speed Profiling Operation
- Speed Profile Start Up Configuration
- Initial Setup Requirements
- Profile Command & Control
- Using the TB3 Inputs
- Encoder Steps
- Applications
- Chapter 10
- Using the Function Block
- Chapter Objectives
- What is a Function Block?
- Evaluating the Inputs
- Using the Timer Delay Function
- Using the State Machine Function
- Using the Add/Subtract Function
- Using the Maximum/Minimum Function
- Using the Up/Down Counter Function
- Using the Multiply/Divide Function
- Using the Scale Function
- Using the Hysteresis Function
- Using the Band Function
- Using the Logical Add/Subtract Function
- Using the Logical Multiply/Divide Function
- Using the Function Block
- Chapter 11
- Chapter 12
- Troubleshooting
- Chapter Objectives
- Required Equipment
- Fault/Warning Handling
- Viewing the Fault and Warning Queues on the HIM
- What Are the Fault Descriptions?
- Understanding Precharge and Ridethrough Faults
- Understanding the Bus Voltage Tracker
- Understanding the Parameter Limit Faults
- Understanding the Math Limit Faults
- Start Up Troubleshooting Procedures
- Miscellaneous Troubleshooting Procedures
- Encoderless Troubleshooting Problems
- Troubleshooting
- Chapter 13
- Appendix A
- Appendix B
- Appendix C
- Appendix D
- Appendix E
- Appendix F
- Index
- Back Cover

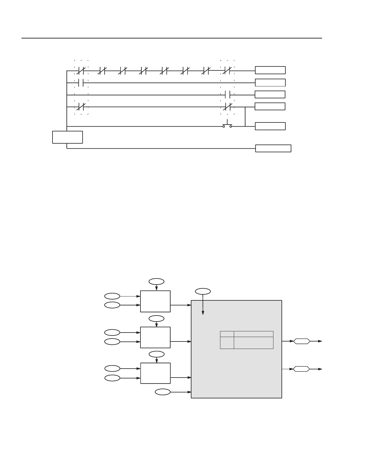
10-18 Using the Function Block
Figure 10.21
Example of a Shuttle
Using the Multiply/Divide
Function
The multiply/divide function block multiplies the value of In1 with
the value of In2 and then divides the result by the value of In3. The
multiply/divide function block is shown in Figure 10.22.
Figure 10.22
Multiply/Divide Function Block
ABCDEFGH
24 volts
TB3±28 (inc)
TB3±23 (fwd)
TB3±22 (rev)
TB3±19 (start)
TB3±20 (stop)
TB3±21 (common)
Shuttle moves from A to H:
Shuttle is closing switch A; forward direction and stop commanded
User presses and holds start button until switch A opens: increment (Speed
Ref 1) and start commanded
Shuttle closes switch B; increment (Speed Ref 2) is commanded
Shuttle closes switch C; increment (Speed Ref 3) is commanded
Shuttle closes switch D; increment (Speed Ref 4) is commanded
Shuttle closes switch E; increment (Speed Ref 5) is commanded
Shuttle closes switch F; increment (Speed Ref 6) is commanded
Shuttle closes switch G; increment (Speed Ref 7) is commanded, counter set
to zero (speed ref no change)
Shuttle closes switch H; reverse direction and stop commanded
Shuttle moves from H to A:
Shuttle closes switch H; reverse direction and stop commanded
User presses and holds start button until switch H opens; increment (Speed
Ref 1) and start commanded
Shuttle closes switch G; increment (Speed Ref 2) is commanded
Shuttle closes switch F; increment (Speed Ref 3) is commanded
Shuttle closes switch E; increment (Speed Ref 4) is commanded
Shuttle closes switch D; increment (Speed Ref 5) is commanded
Shuttle closes switch C; increment (Speed Ref 6) is commanded
Shuttle closes switch B; increment (Speed Ref 7) is commanded, counter set to
zero (speed ref no change)
Shuttle closes switch A; forward direction and stop commanded
200
Func 1 Eval Sel
0 – 17
198
Function In1
199
Func 1 Mask/Val
I
V
Multiply/Divide
Function Block
203
Func 2 Eval Sel
0 – 17
201
Function In2
202
Func 2 Mask/Val
I
V
212
Function Sel
12 (In1 x In2)/In3
In4: If: Then:
False Use per unit math.
True Use standard math.
In1
In2
213
Function Output 1
206
Func 3 Eval Sel
0 – 17
204
Function In3
205
Func 3 Mask/Val
I
V
In3
207
Function In4
In4
214
Function Output 2