User Manual V 1-4.XX User guide
Table Of Contents
- Front Cover
- Chapter 1
- Chapter 2
- Chapter 3
- Chapter 4
- Chapter 5
- Chapter 6
- Chapter 7
- Chapter 8
- Chapter 9
- Chapter 10
- Chapter 11
- Chapter 12
- Chapter 13
- Appendix A
- Appendix B
- Appendix C
- Appendix D
- Appendix E
- Appendix F
- Who Should Use this Manual?
- What Is the 1336 IMPACT Drive?
- Purpose of this Manual
- Terms and Abbreviations
- Common Techniques Used in this Manual
- Allen-Bradley Support
- Table of Contents
- Preface
- Chapter 1
- Chapter 2
- Mounting and Wiring Your 1336 IMPACT Drive
- Chapter Objectives
- Before Mounting Your Drive
- Input Fuses and Circuit Breakers
- Mounting Your Drive
- Grounding Your Drive
- Wiring the Power
- Hard Wiring Your I/O
- Connecting Your Gateway
- Installing an Interface Board
- Connecting the Power to the Drive
- Disconnecting the Drive Output
- Starting and Stopping the Motor
- Electrical Interference— EMI/RFI
- Do I Need an RFI Filter?
- Mounting and Wiring Your 1336 IMPACT Drive
- Chapter 3
- Chapter 4
- Chapter 5
- Using the LOption
- Chapter Objectives
- What is the LOption?
- What Functions are Available?
- Setting Up the LOption Board
- Using an Encoder with the LOption Board
- Requirements for the Contact Closure Interface Board (L4)
- Requirements for the 24V AC/DC Interface Board Requirements (L5)
- Requirements for the 115V AC Interface Board (L6)
- Requirements for the Contact Closure Interface Board (L7E)
- Requirements for the 24VAC/DC Interface Board Requirements (L8E)
- Requirements for the 115V AC Interface Board (L9E)
- Using the LOption
- Chapter 6
- Starting Up Your System
- Chapter Objectives
- Before Applying Power to Your Drive
- Applying Power to Your Drive
- Recording Your Drive and Motor Information
- Understanding the Basics of the Human Interface Module (HIM)
- Starting Up Your System
- Running the Quick Motor Tune Procedure
- Configuring the Digital Section
- Configuring the Analog Section
- Understanding Links
- Where Do I Go From Here?
- Starting Up Your System
- Chapter 7
- Chapter 8
- Chapter 9
- Applications
- Chapter Objectives
- Choosing a Motor Feedback Source
- Choosing an Optional Braking/Decelerating Method
- Using DC Hold
- Using Up to 400% Motor Current
- Understanding the Scale and Offset Parameters for Analog I/O
- Using 4 – 20mA Inputs/Outputs
- Using a Remote Pot
- Using MOP
- Using Flying Start
- Speed Profiling Introduction
- Speed Profiling Operation
- Speed Profile Start Up Configuration
- Initial Setup Requirements
- Profile Command & Control
- Using the TB3 Inputs
- Encoder Steps
- Applications
- Chapter 10
- Using the Function Block
- Chapter Objectives
- What is a Function Block?
- Evaluating the Inputs
- Using the Timer Delay Function
- Using the State Machine Function
- Using the Add/Subtract Function
- Using the Maximum/Minimum Function
- Using the Up/Down Counter Function
- Using the Multiply/Divide Function
- Using the Scale Function
- Using the Hysteresis Function
- Using the Band Function
- Using the Logical Add/Subtract Function
- Using the Logical Multiply/Divide Function
- Using the Function Block
- Chapter 11
- Chapter 12
- Troubleshooting
- Chapter Objectives
- Required Equipment
- Fault/Warning Handling
- Viewing the Fault and Warning Queues on the HIM
- What Are the Fault Descriptions?
- Understanding Precharge and Ridethrough Faults
- Understanding the Bus Voltage Tracker
- Understanding the Parameter Limit Faults
- Understanding the Math Limit Faults
- Start Up Troubleshooting Procedures
- Miscellaneous Troubleshooting Procedures
- Encoderless Troubleshooting Problems
- Troubleshooting
- Chapter 13
- Appendix A
- Appendix B
- Appendix C
- Appendix D
- Appendix E
- Appendix F
- Index
- Back Cover

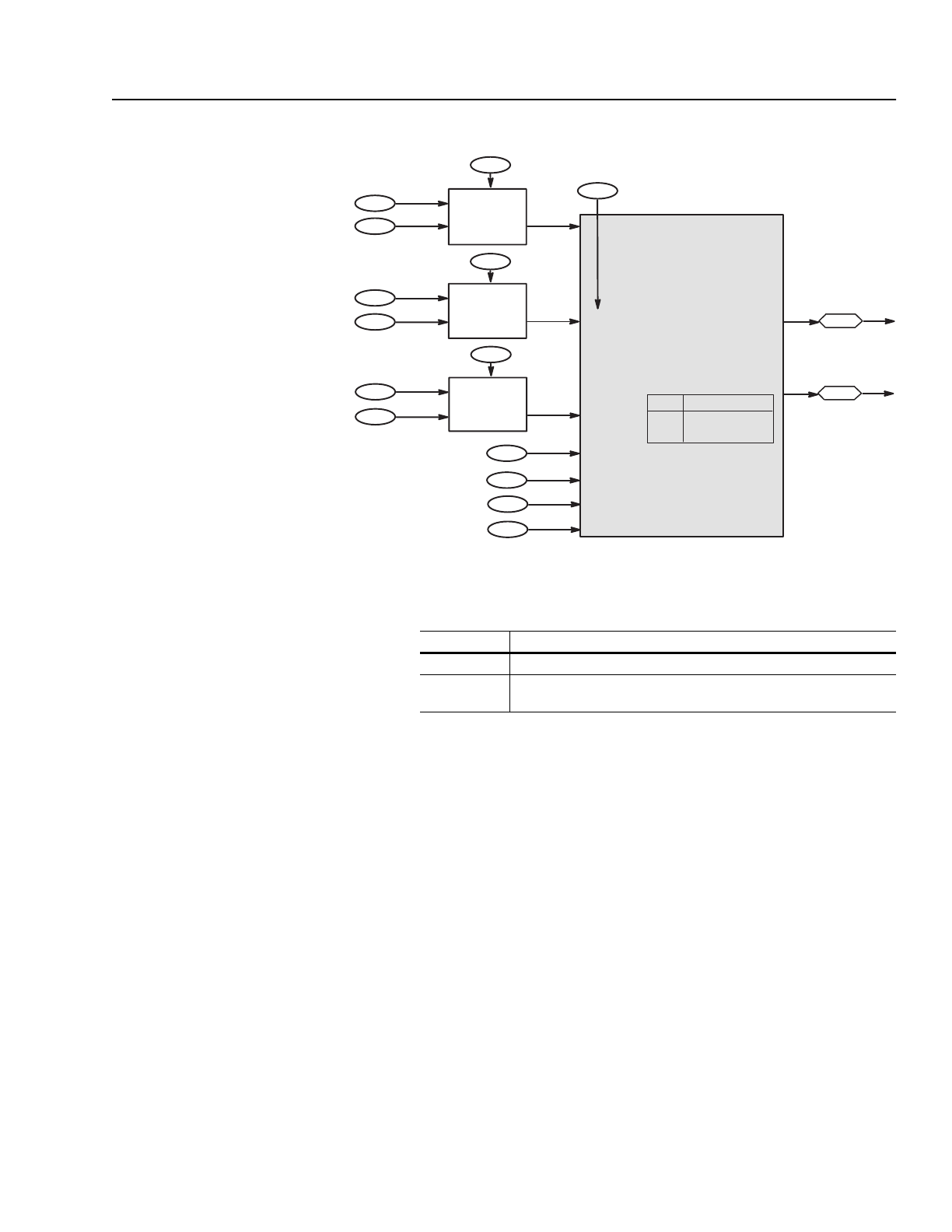
Using the Function Block 10-15
Figure 10.18
Up/Down Counter Function Block
When a rising edge occurs, on In1, the output is incremented by the
value in In4, and on In2, the output is decremented by the value in
In5. The output can be either a word or a double word.
To clear the counter, set In3, which loads the counter with the In7
value. As long as In3 is set, the counter remains at the In7 value, even
if In1 or In2 is toggling.
As an example of the up/down counter function block, you could
create a shuttle. When you press the start button, a start forward
command is sent to the drive, the shuttle begins to move from A to H,
and the drive follows the first preset speed. As the shuttle passes each
switch, the value of In1 is incremented and a new speed reference is
used. The speed references are set using Speed Ref 1 (parameter 29)
through Speed Ref 7 (parameter 36).
When the shuttle reaches relay H, then a stop command is issued and
the value of In1 is decremented. When you press the start button
again, a start reverse command is sent to the drive and the shuttle
moves from H to A following the preset speeds as they are
incremented by each switch.
Figure 10.19 shows an example of a shuttle.
200
Func 1 Eval Sel
0 – 17
198
Function In1
199
Func 1 Mask/Val
I
V
Up/Down Counter
Function Block
203
Func 2 Eval Sel
0 – 17
201
Function In2
202
Func 2 Mask/Val
I
V
212
Function Sel
11 In1 – Count up (rising edge)
In2 – Count down (rising edge)
In3 – Load counter with 0
In4 – Up increment
In5 – Down increment
In6 –
If: Then Output is:
False A word
True A double word
In7 Clr Value
In1
In2
213
Function Output 1
206
Func 3 Eval Sel
0 – 17
204
Function In3
205
Func 3 Mask/Val
I
V
In3
208
Function In5
209
Function In6
In5
In6
207
Function In4
In4
214
Function Output 2
(For the double word
for Input 6)
210
Function In7
In7
If In6 is: Then the output is:
False A word value passed to Function Output 1.
Tr ue
A double word value with the high word passed to Function Output 1
and the low word passed to Function Output 2.