User Manual V 1-4.XX User guide
Table Of Contents
- Front Cover
- Chapter 1
- Chapter 2
- Chapter 3
- Chapter 4
- Chapter 5
- Chapter 6
- Chapter 7
- Chapter 8
- Chapter 9
- Chapter 10
- Chapter 11
- Chapter 12
- Chapter 13
- Appendix A
- Appendix B
- Appendix C
- Appendix D
- Appendix E
- Appendix F
- Who Should Use this Manual?
- What Is the 1336 IMPACT Drive?
- Purpose of this Manual
- Terms and Abbreviations
- Common Techniques Used in this Manual
- Allen-Bradley Support
- Table of Contents
- Preface
- Chapter 1
- Chapter 2
- Mounting and Wiring Your 1336 IMPACT Drive
- Chapter Objectives
- Before Mounting Your Drive
- Input Fuses and Circuit Breakers
- Mounting Your Drive
- Grounding Your Drive
- Wiring the Power
- Hard Wiring Your I/O
- Connecting Your Gateway
- Installing an Interface Board
- Connecting the Power to the Drive
- Disconnecting the Drive Output
- Starting and Stopping the Motor
- Electrical Interference— EMI/RFI
- Do I Need an RFI Filter?
- Mounting and Wiring Your 1336 IMPACT Drive
- Chapter 3
- Chapter 4
- Chapter 5
- Using the LOption
- Chapter Objectives
- What is the LOption?
- What Functions are Available?
- Setting Up the LOption Board
- Using an Encoder with the LOption Board
- Requirements for the Contact Closure Interface Board (L4)
- Requirements for the 24V AC/DC Interface Board Requirements (L5)
- Requirements for the 115V AC Interface Board (L6)
- Requirements for the Contact Closure Interface Board (L7E)
- Requirements for the 24VAC/DC Interface Board Requirements (L8E)
- Requirements for the 115V AC Interface Board (L9E)
- Using the LOption
- Chapter 6
- Starting Up Your System
- Chapter Objectives
- Before Applying Power to Your Drive
- Applying Power to Your Drive
- Recording Your Drive and Motor Information
- Understanding the Basics of the Human Interface Module (HIM)
- Starting Up Your System
- Running the Quick Motor Tune Procedure
- Configuring the Digital Section
- Configuring the Analog Section
- Understanding Links
- Where Do I Go From Here?
- Starting Up Your System
- Chapter 7
- Chapter 8
- Chapter 9
- Applications
- Chapter Objectives
- Choosing a Motor Feedback Source
- Choosing an Optional Braking/Decelerating Method
- Using DC Hold
- Using Up to 400% Motor Current
- Understanding the Scale and Offset Parameters for Analog I/O
- Using 4 – 20mA Inputs/Outputs
- Using a Remote Pot
- Using MOP
- Using Flying Start
- Speed Profiling Introduction
- Speed Profiling Operation
- Speed Profile Start Up Configuration
- Initial Setup Requirements
- Profile Command & Control
- Using the TB3 Inputs
- Encoder Steps
- Applications
- Chapter 10
- Using the Function Block
- Chapter Objectives
- What is a Function Block?
- Evaluating the Inputs
- Using the Timer Delay Function
- Using the State Machine Function
- Using the Add/Subtract Function
- Using the Maximum/Minimum Function
- Using the Up/Down Counter Function
- Using the Multiply/Divide Function
- Using the Scale Function
- Using the Hysteresis Function
- Using the Band Function
- Using the Logical Add/Subtract Function
- Using the Logical Multiply/Divide Function
- Using the Function Block
- Chapter 11
- Chapter 12
- Troubleshooting
- Chapter Objectives
- Required Equipment
- Fault/Warning Handling
- Viewing the Fault and Warning Queues on the HIM
- What Are the Fault Descriptions?
- Understanding Precharge and Ridethrough Faults
- Understanding the Bus Voltage Tracker
- Understanding the Parameter Limit Faults
- Understanding the Math Limit Faults
- Start Up Troubleshooting Procedures
- Miscellaneous Troubleshooting Procedures
- Encoderless Troubleshooting Problems
- Troubleshooting
- Chapter 13
- Appendix A
- Appendix B
- Appendix C
- Appendix D
- Appendix E
- Appendix F
- Index
- Back Cover

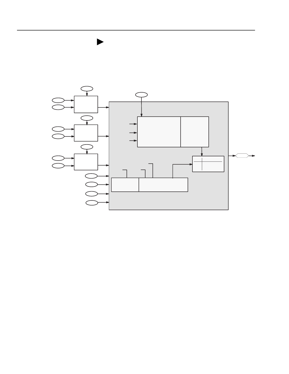
10-6 Using the Function Block
Figure 10.4 shows the parameters that are used for the timer delay
function and how these parameters are evaluated.
Figure 10.4
Timer Delay Function Block
As an example, you could use the timer delay function to set up a
delayed start with a ramp up to speed function. When the L Option
receives start input, there is a delay before the start command is sent
to the motor. This delay is specified in Function In5 (parameter 208)
as a time in minutes. For this example, Function In5 is set to 0.25
minutes, which is 15 seconds. When the time expires, the motor speed
ramps up to the specified speed. When the start is removed or a stop
command is issued, the stop command is sent to the drive and the
ramp is disabled, causing a current limit stop to zero speed.
This example is shown in Figure 10.5.
Regardless of the option you choose, the timer off event cannot
happen until after your timer on event occurs.
200
Func 1 Eval Sel
0 – 17
198
Function In1
199
Func 1 Mask/Val
I
V
Timer Delay Function Block
203
Func 2 Eval Sel
0 – 17
201
Function In2
202
Func 2 Mask/Val
I
V
212
Function Sel
0 In1 Or In2
1 In1 Nor In2
2 In1 And In2
3 In1 Nand In2
4 (In1 Or In2) And In3
5 (In1 And In2) Or In3
In4 Off Time
In5 On Time
In1
In2
206
Func 3 Eval Sel
0 – 17
204
Function In3
205
Func 3 Mask/Val
I
V
In3
207
Function In4
208
Function In5
In4
In5
213
Function
Output 1
6 (In1 Timer Or In2) And In3
7 (In1 Timer And In2) Or In3
In4 Off Time
In5 On Time
If: Then:
True In6—>Out 1
False In7—>Out 1
209
Function In6
210
Function In7
In6
In7
In1
In2
In3
In1 In2
In3