Patio Heater User Manual

SECTION 9: WIRING
17
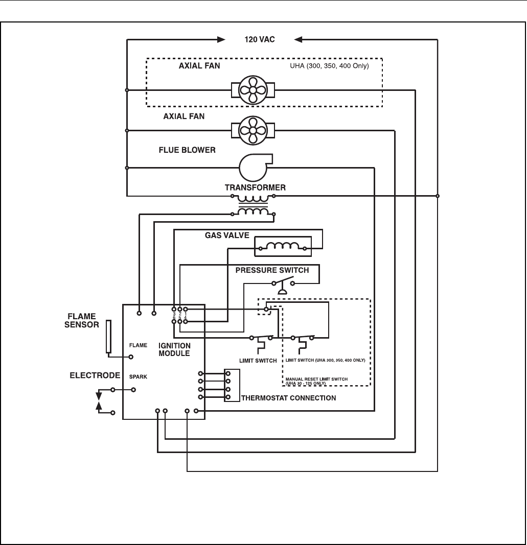
9.4 UHA[S] Series Ladder Wiring Diagram
NOTE:
For field wiring into service junction box, or if any of the original wire supplied with the heater
must be replaced, it must be replaced with wiring material having a temperature rating of at least 105°C
and 600 volts. For supply connections use No. 14 AWG or larger wires.










