Instruction Manual

CGTH USE AND CARE MANUAL
14
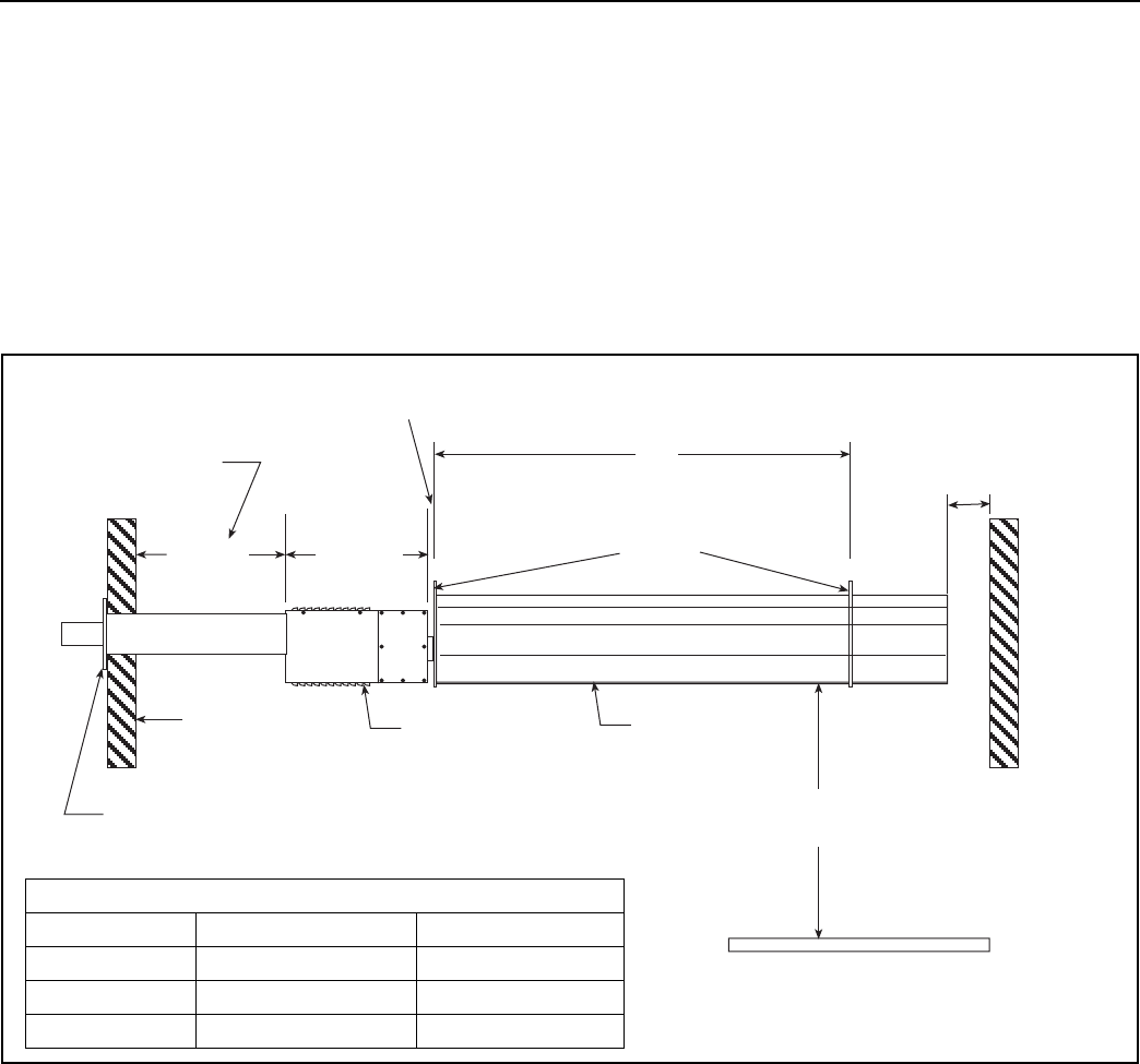
5.3 Rear Movable Hanger Limits
Figure 8 shows a typical installation of the CGTH-
Series heater. The drawing specifies the allowable
range of distance between the front fixed hanger and
the rear movable hanger.
The rear hangar should only be moved if the distance
between both hangers is not within the allowable
range.
FIGURE 8: Typical Installation
1" (3 cm)
Maximum
6" (15 cm) Minimum
Vent Terminal
Exterior Wall
Burner Box
Reflector
Suspension
Points
Minimum
Recommended
for Servicing
Minimum Mounting
Height - 7' (2.1 m)*
24"
(61 cm)
15"
(38 cm)
X
X Dimension
Model Minimum Maximum
CGTH-30 60" (1.5 m) 72" (1.8 m)
CGTH-40 102" (2.5 m) 114" (2.9 m)
CGTH-50 102" (2.5 m) 114" (2.9 m)
(*) For minimum mounting height in aircraft
hangars and public garages,
See Page 7,
Sections 4.5.1 and 4.5.2.










