User Manual

6 • 65-2461RK PPM Hexane Transmitter
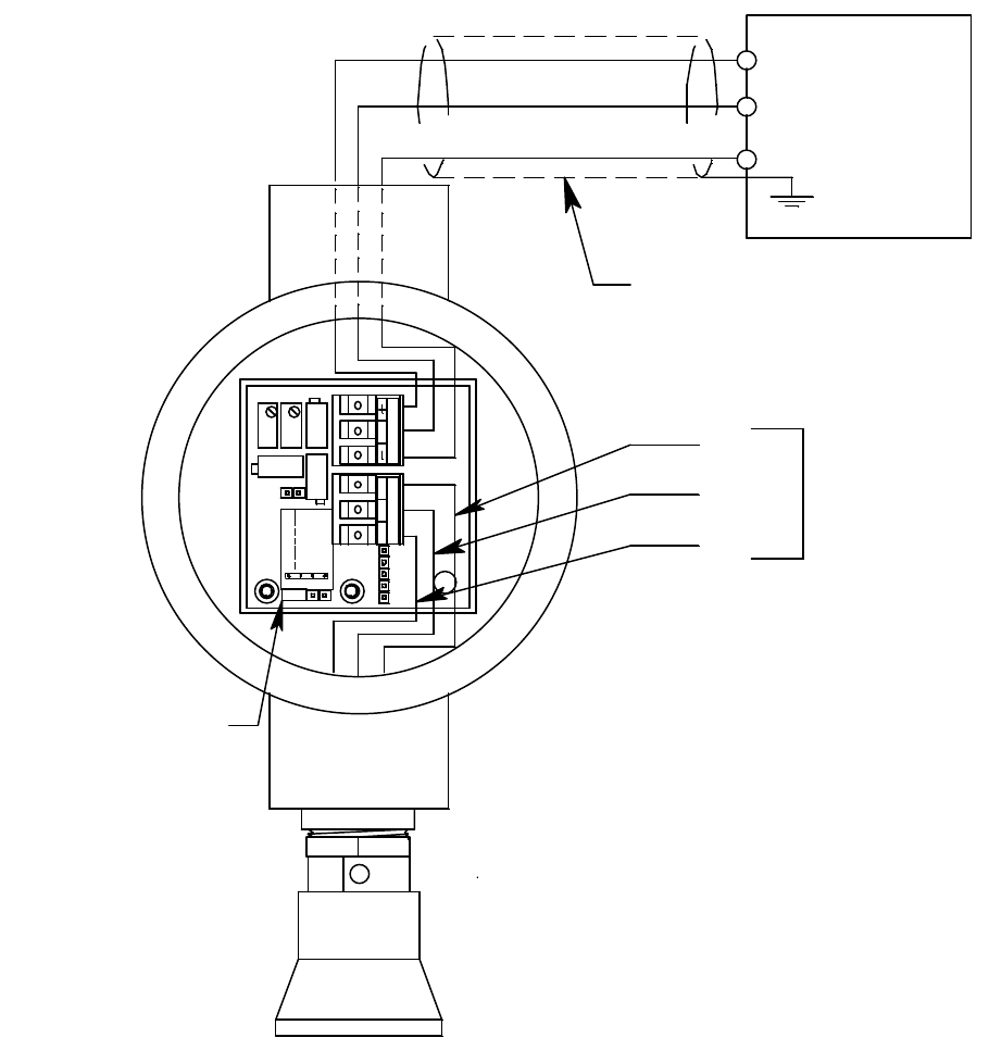
11. Connect the wires to the applicable detector/transmitter terminal strip at the
controller as shown in Figure 3.
Figure 3: Wiring the PPM Hexane Transmitter to a Controller
12. If shielded cable is used, connect the cable’s drain wire to an available chassis (earth)
ground at the controller. RKI controllers typically have a ground stud that can be used
to ground the cable’s drain wire.
Cable Shield
Red
Black
Detector Wires
4-20mA In (S)
+24 VDC
- (DC Ground)
Controller
B R S
P WR / S IG
Gas Select Jumper,
In Hexane Position
White
2
4
3
1 Gas Select
1-2 Hex
3-4 H2
W
D ETE CT OR










