Instructions / Assembly
Manuals
Brands
Rheem Manuals
Plumbing
Performance Platinum 8.4 GPM Liquid Propane Gas High Efficiency Indoor Tankless Water Heater
51
52
53
54
55
56
57
58
59
60
60
INST
ALLA
TION INSTRUCTIONS
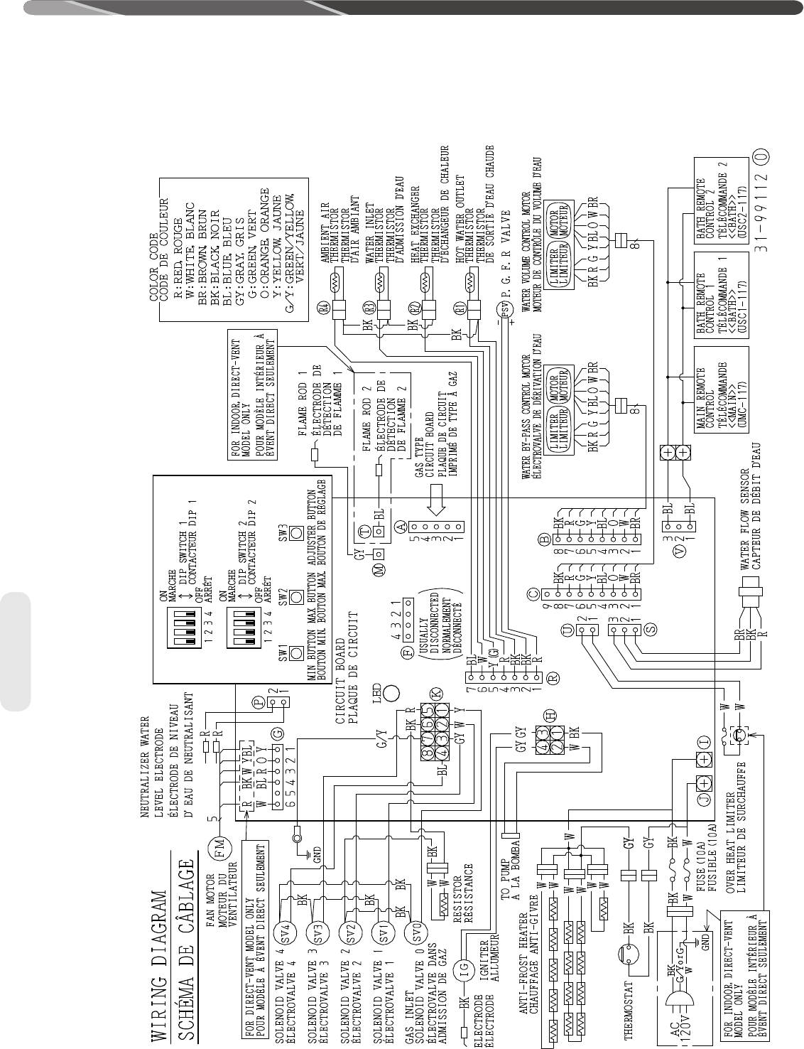
Wiring Diagram
Electrical
1
...
...
58
59
60
61
62
...
...
84