REVLC06S40A-SPA-MC Revolectrix PowerLab 6 Manual
Manuals
Brands
Revolectrix Manuals
Charging
Cellpro PowerLab 6 Battery Workstation w/SPA Board (6S/40A/1000W)
21
22
23
24
25
26
27
28
29
30
23
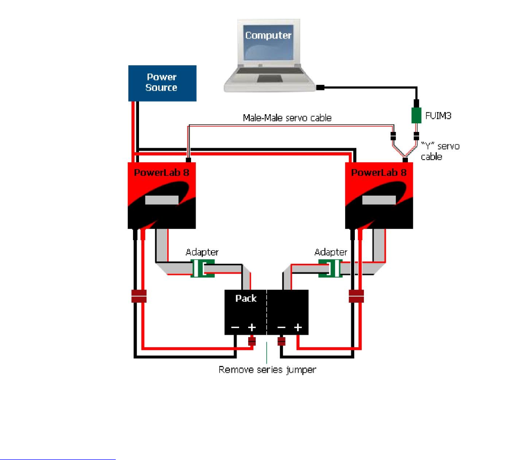
Note: above illustrations may read “PowerLab 8” because for purposes of these illustrations, both
models are identic
al.
See also
Expansion Channel M
ode
1
...
...
21
22
23
24
25
...
...
83