User`s manual
Table Of Contents
- Important
- Precautions for Safety
- Contents
- 1.1 Package Components
- 1.2 System Configuration
- 1.3 Specifications
- 1.4 Memory Maps
- 2. Usage (How to Write the Program)
- 3. Troubleshooting (Action in Case of an Error)

PCA4738xx-xxA User's Manual 2.Usage (How to Write the Program)
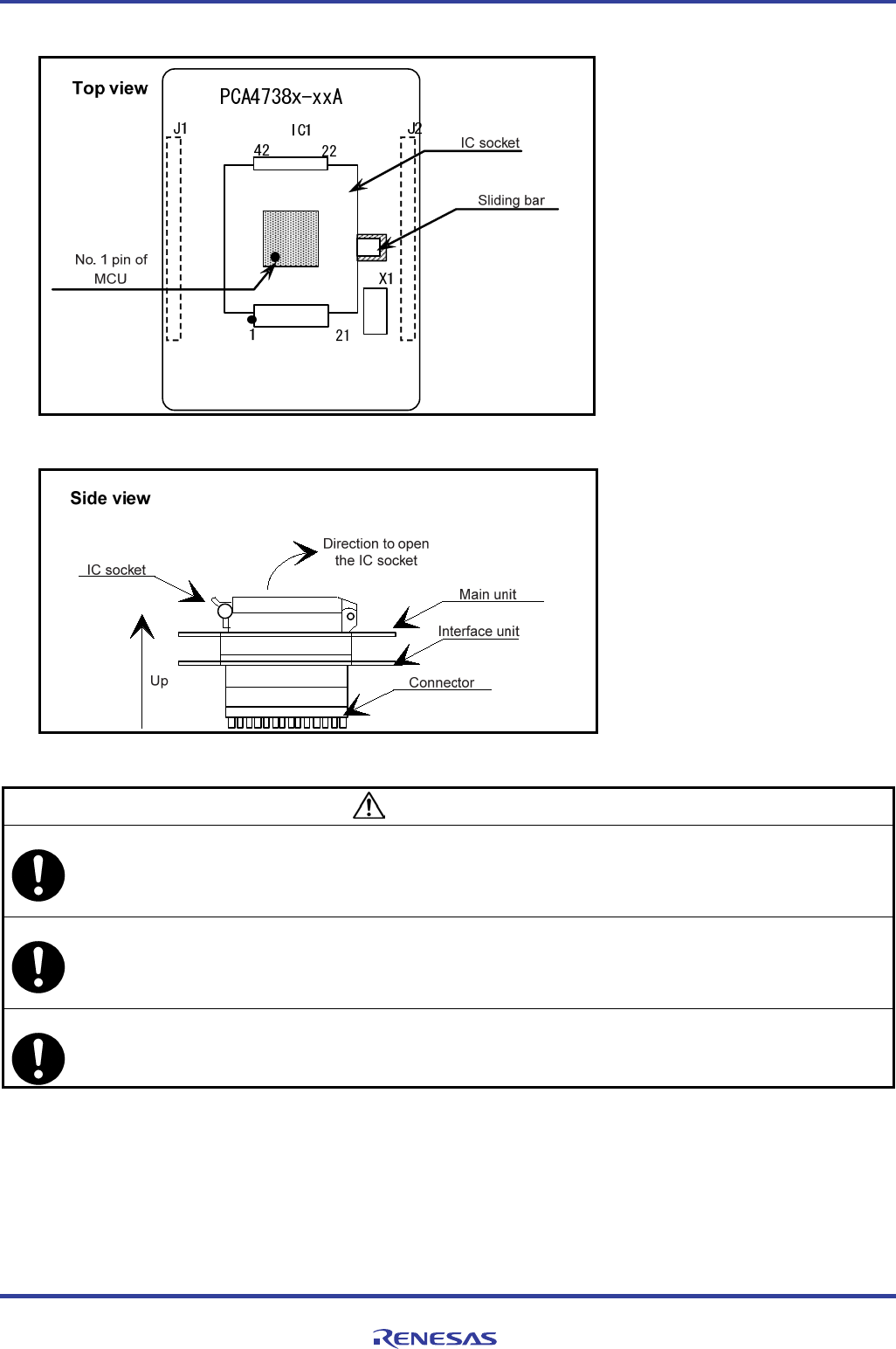
Figure 2.7 SOP Version IC Socket
Figure 2.8 Opening and closing the IC socket
CAUTION
Caution to Be Taken for SOP Version IC Socket:
SOP version IC sockets (mounted on the PCA4738F-42A) have a sliding bar in the middle of the board. Be sure to keep the bar
to the side of the diagonally shaded area imprinted on the board (factory-setting). An improper setting will cause fatal damage
to the MCU due to faulty connections.
Caution to Be Taken for Handling an MCU:
Do not directly touch the contact in the IC socket and the connector pins of this product because dirt may cause a faulty
connection. When not using this product, attach the connector pins of this product to the conductive sponge as it was shipped
from the factory.
Caution to Be Taken for Opening and Closing the IC Socket:
When opening and closing the IC socket, hold the adapter horizontally as shown in Figure 2.8. Otherwise the inside of the IC
socket may become damaged and cause a faulty connection.
R20UT0273EJ0200 Rev.2.00 Page 20 of 28
Oct 01, 2010










