Technical information
Table Of Contents

( 6 / 14 )
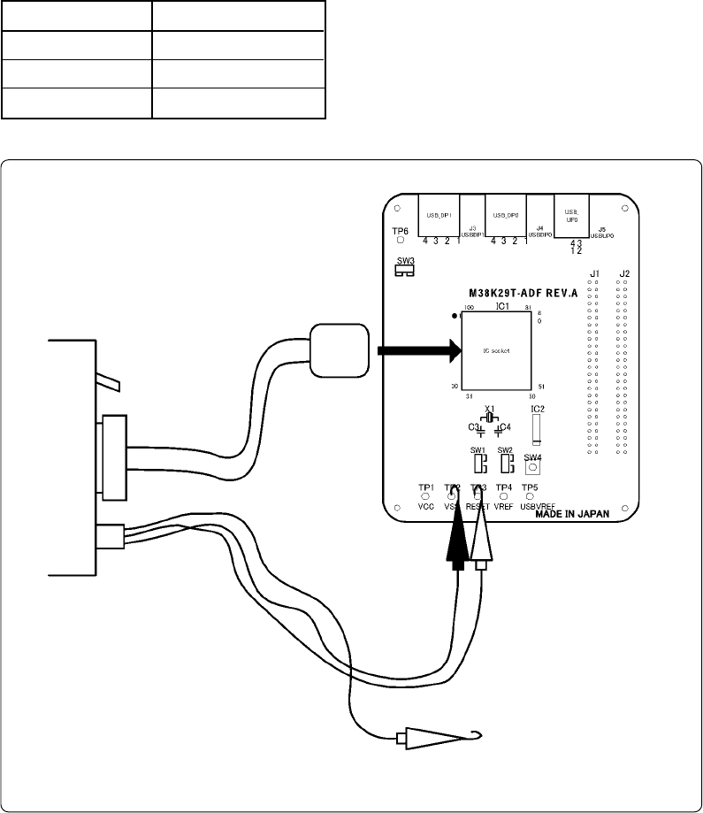
(3) Connect the RESET cable (white) and the GND cable (black) of the emulation pod to pin RESET
(TP3) and pin Vss (TP2) of the M38K29T-ADF respectively. Leave the Vcc cable (yellow)
unconnected.
(4) Set the MCU type select switch of the M38000TL2-FPD to the RSS/RFS side.
(5) Connect an external power supply to pin Vcc (TP1) of the M38K29T-ADF. And connect the GND
output of the power supply to pin Vss (TP2). Use a power supply whose rising time is 10 ms or
less.
Table 4.1 lists the correspondence of the connector cables and signals, and Figure 4.2 shows
connecting the cables to the M38K29T-ADF.
Table 4.1 Connector cables of the M38000TL2-FPD and applicable signals
Cable color
White
Black
Yellow
Signal
RESET
Vss
No connection
Figure 4.2 Connecting the cables to the M38K29T-ADF
M38000TL2-FPD
RSS/RFS side
No connection
Black cable
White cable
Yellow cable










