Technical information
Manuals
Brands
Renesas Manuals
Network Card
M38000TL2-FPD
7
8
9
10
11
12
13
14
15
16
Table Of Contents
Contents
1. Things to Check When Unpacking
2. Outline
3. Specifications
4. Setup
5. Oscillator Circuit
6. Reset Circuit
7. USB Port Circuit
8. Pin Layout
( 12 / 14 )
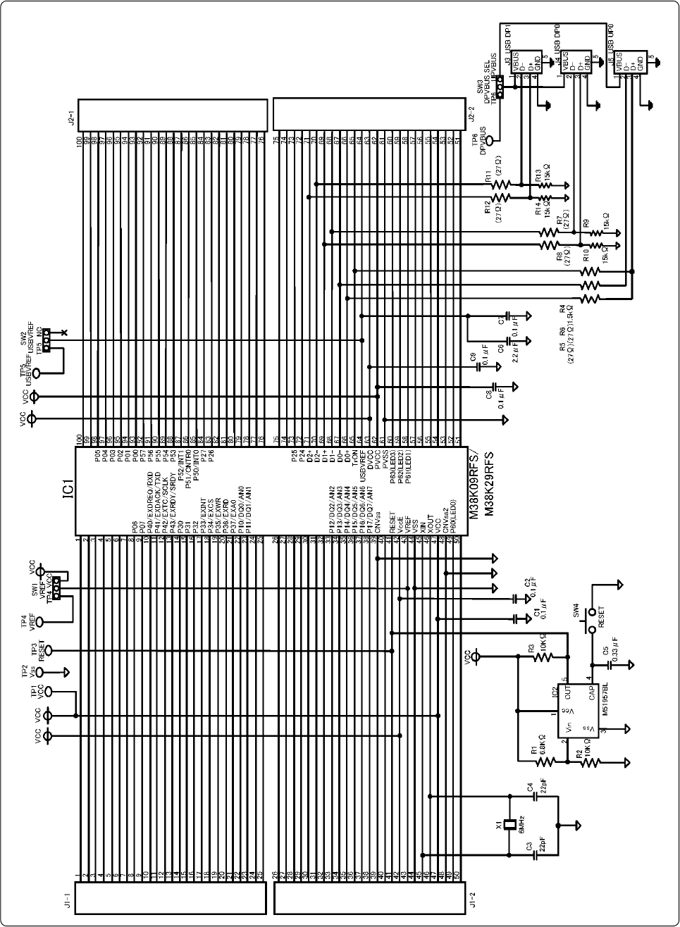
8. Pin Layout
Figure 8.1 shows the pin layout of the M38K29T-ADF.
Figure 8.1 Pin layout of the M38K29T-ADF
1
...
...
12
13
14
15
16