Datasheet
Table Of Contents
- Notes regarding these materials
- General Precautions in the Handling of MPU/MCU Products
- How to Use This Manual
- Table of Contents
- Quick Reference by Address B-
- 1. Overview
- 2. Central Processing Unit (CPU)
- 2.1 Data Registers (R0, R1, R2 and R3)
- 2.2 Address Registers (A0 and A1)
- 2.3 Frame Base Register (FB)
- 2.4 Interrupt Table Register (INTB)
- 2.5 Program Counter (PC)
- 2.6 User Stack Pointer (USP) and Interrupt Stack Pointer (ISP)
- 2.7 Static Base Register (SB)
- 2.8 Flag Register (FLG)
- 2.8.1 Carry Flag (C Flag)
- 2.8.2 Debug Flag (D Flag)
- 2.8.3 Zero Flag (Z Flag)
- 2.8.4 Sign Flag (S Flag)
- 2.8.5 Register Bank Select Flag (B Flag)
- 2.8.6 Overflow Flag (O Flag)
- 2.8.7 Interrupt Enable Flag (I Flag)
- 2.8.8 Stack Pointer Select Flag (U Flag)
- 2.8.9 Processor Interrupt Priority Level (IPL)
- 2.8.10 Reserved Area
- 3. Memory
- 4. Special Function Registers (SFRs)
- 5. Reset
- 6. Processor Mode
- 7. Clock Generation Circuit
- 8. Protection
- 9. Interrupt
- 10. Watchdog Timer
- 11. DMAC
- 12. Timer
- 13. Serial I/O
- 14. A/D Converter
- 15. CRC Calculation Circuit
- 16. Programmable I/O Ports
- 16.1 Port Pi Direction Register (PDi Register, i = 1, 6 to 10)
- 16.2 Port Pi Register (Pi Register, i = 1, 6 to 10)
- 16.3 Pull-up Control Register 0 to Pull-up Control Register 2 (PUR0 to PUR2 Registers)
- 16.4 Port Control Register
- 16.5 Pin Assignment Control register (PACR)
- 16.6 Digital Debounce function
- 17. Flash Memory Version
- 17.1 Flash Memory Performance
- 17.2 Memory Map
- 17.3 Functions To Prevent Flash Memory from Rewriting
- 17.4 CPU Rewrite Mode
- 17.5 Register Description
- 17.6 Precautions in CPU Rewrite Mode
- 17.6.1 Operation Speed
- 17.6.2 Prohibited Instructions
- 17.6.3 Interrupts
- 17.6.4 How to Access
- 17.6.5 Writing in the User ROM Space
- 17.6.6 DMA Transfer
- 17.6.7 Writing Command and Data
- 17.6.8 Wait Mode
- 17.6.9 Stop Mode
- 17.6.10 Low Power Consumption Mode and On-chip Oscillator-Low Power Consumption Mode
- 17.7 Software Commands
- 17.8 Status Register
- 17.9 Standard Serial I/O Mode
- 17.10 Parallel I/O Mode
- 18. Electrical Characteristics
- 19. Usage Notes
- 19.1 SFR
- 19.2 PLL Frequency Synthesizer
- 19.3 Power Control
- 19.4 Protect
- 19.5 Interrupts
- 19.6 DMAC
- 19.7 Timer
- 19.8 Serial I/O
- 19.9 A/D Converter
- 19.10 Programmable I/O Ports
- 19.11 Electric Characteristic Differences Between Mask ROM
- 19.12 Mask ROM Version
- 19.13 Flash Memory Version
- 19.13.1 Functions to Inhibit Rewriting Flash Memory
- 19.13.2 Stop mode
- 19.13.3 Wait mode
- 19.13.4 Low power dissipation mode, on-chip oscillator low power dissipation mode
- 19.13.5 Writing command and data
- 19.13.6 Program Command
- 19.13.7 Operation speed
- 19.13.8 Instructions prohibited in EW0 Mode
- 19.13.9 Interrupts
- 19.13.10 How to access
- 19.13.11 Writing in the user ROM area
- 19.13.12 DMA transfer
- 19.13.13 Regarding Programming/Erasure Times and Execution Time
- 19.13.14 Definition of Programming/Erasure Times
- 19.13.15 Flash Memory Version Electrical Characteristics 10,000 E/W cycle product
- 19.13.16 Boot Mode
- 19.14 Noise
- 19.15 Instruction for a Device Use
- Appendix 1. Package Dimensions
- Appendix 2. Functional Difference
- Register Index
- REVISION HISTORY

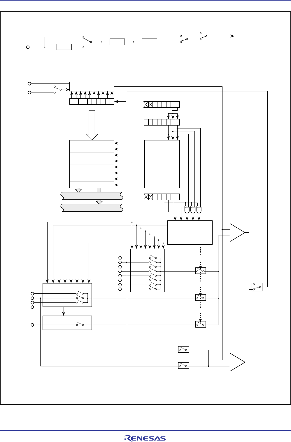
14. A/D Converter
page 181
923fo7002,51.beF00.2.veR
0020-2020B90JER
)T62/C61M,B62/C61M,A62/C61M(puorGA62/C61M
Figure 14.1 A/D Converter Block Diagram
=0002
=0012
=0102
=0112
=1002
=1012
=1102
=1112
AN
0
AN
1
AN
2
AN
3
AN
4
AN
5
AN
6
AN
7
AN
30
AN
31
AN
32
V
ref
V
IN
CH2 to CH0
Decoder
for channel
selection
A/D register 0(16)
Data bus low-order
V
REF
AV
SS
VCUT=0
VCUT=1
Data bus high-order
Port P10 group
Port P9 group
ADGSEL1 to ADGSEL0=012
ADGSEL1 to ADGSEL0=002
AN
24
ADGSEL1 to ADGSEL0=112
f
AD
CKS0=1
CKS0=0
CKS1=1
CKS1=0
1/3
CKS2=0
CKS2=1
1/21/2
ΓΈ
AD
A/D conversion rate
selection
(03C1
16
to 03C0
16
)
(03C3
16
to 03C2
16
)
(03C5
16
to 03C4
16
)
(03C7
16
to 03C6
16
)
(03C9
16
to 03C8
16
)
(03CB
16
to 03CA
16
)
(03CD
16
to 03CC
16
)
(03CF
16
to 03CE
16
)
Resistor ladder
Successive conversion register
ADCON0 register
(address 03D6
16)
ADCON1 register
(address 03D7
16)
Comparator 0
Addresses
Decoder
for A/D register
A/D register 1(16)
A/D register 2(16)
A/D register 3(16)
A/D register 4(16)
A/D register 5(16)
A/D register 6(16)
A/D register 7(16)
ADCON2 register
(address 03D4
16
)
Port P9 group
=0002
=0012
=0102
=1002
CH2 to CH0
CH2 to CH0
SSE = 1
CH2 to CH0=001
2
Comparator 1
ADGSEL1 to ADGSEL0=002
ADGSEL1 to ADGSEL0=012
V
IN1
(1)
(1)
NOTE:
1. AN
32 and AN24 are available for only 48-pin package.










