Datasheet
Table Of Contents
- Notes regarding these materials
- General Precautions in the Handling of MPU/MCU Products
- How to Use This Manual
- Table of Contents- Quick Reference by Address B-
- 1. Overview
- 2. Central Processing Unit (CPU) - 2.1 Data Registers (R0, R1, R2 and R3)
- 2.2 Address Registers (A0 and A1)
- 2.3 Frame Base Register (FB)
- 2.4 Interrupt Table Register (INTB)
- 2.5 Program Counter (PC)
- 2.6 User Stack Pointer (USP) and Interrupt Stack Pointer (ISP)
- 2.7 Static Base Register (SB)
- 2.8 Flag Register (FLG) - 2.8.1 Carry Flag (C Flag)
- 2.8.2 Debug Flag (D Flag)
- 2.8.3 Zero Flag (Z Flag)
- 2.8.4 Sign Flag (S Flag)
- 2.8.5 Register Bank Select Flag (B Flag)
- 2.8.6 Overflow Flag (O Flag)
- 2.8.7 Interrupt Enable Flag (I Flag)
- 2.8.8 Stack Pointer Select Flag (U Flag)
- 2.8.9 Processor Interrupt Priority Level (IPL)
- 2.8.10 Reserved Area
 
 
- 3. Memory
- 4. Special Function Registers (SFRs)
- 5. Reset
- 6. Processor Mode
- 7. Clock Generation Circuit
- 8. Protection
- 9. Interrupt
- 10. Watchdog Timer
- 11. DMAC
- 12. Timer
- 13. Serial I/O
- 14. A/D Converter
- 15. CRC Calculation Circuit
- 16. Programmable I/O Ports - 16.1 Port Pi Direction Register (PDi Register, i = 1, 6 to 10)
- 16.2 Port Pi Register (Pi Register, i = 1, 6 to 10)
- 16.3 Pull-up Control Register 0 to Pull-up Control Register 2 (PUR0 to PUR2 Registers)
- 16.4 Port Control Register
- 16.5 Pin Assignment Control register (PACR)
- 16.6 Digital Debounce function
 
- 17. Flash Memory Version - 17.1 Flash Memory Performance
- 17.2 Memory Map
- 17.3 Functions To Prevent Flash Memory from Rewriting
- 17.4 CPU Rewrite Mode
- 17.5 Register Description
- 17.6 Precautions in CPU Rewrite Mode - 17.6.1 Operation Speed
- 17.6.2 Prohibited Instructions
- 17.6.3 Interrupts
- 17.6.4 How to Access
- 17.6.5 Writing in the User ROM Space
- 17.6.6 DMA Transfer
- 17.6.7 Writing Command and Data
- 17.6.8 Wait Mode
- 17.6.9 Stop Mode
- 17.6.10 Low Power Consumption Mode and On-chip Oscillator-Low Power Consumption Mode
 
- 17.7 Software Commands
- 17.8 Status Register
- 17.9 Standard Serial I/O Mode
- 17.10 Parallel I/O Mode
 
- 18. Electrical Characteristics
- 19. Usage Notes - 19.1 SFR
- 19.2 PLL Frequency Synthesizer
- 19.3 Power Control
- 19.4 Protect
- 19.5 Interrupts
- 19.6 DMAC
- 19.7 Timer
- 19.8 Serial I/O
- 19.9 A/D Converter
- 19.10 Programmable I/O Ports
- 19.11 Electric Characteristic Differences Between Mask ROM
- 19.12 Mask ROM Version
- 19.13 Flash Memory Version - 19.13.1 Functions to Inhibit Rewriting Flash Memory
- 19.13.2 Stop mode
- 19.13.3 Wait mode
- 19.13.4 Low power dissipation mode, on-chip oscillator low power dissipation mode
- 19.13.5 Writing command and data
- 19.13.6 Program Command
- 19.13.7 Operation speed
- 19.13.8 Instructions prohibited in EW0 Mode
- 19.13.9 Interrupts
- 19.13.10 How to access
- 19.13.11 Writing in the user ROM area
- 19.13.12 DMA transfer
- 19.13.13 Regarding Programming/Erasure Times and Execution Time
- 19.13.14 Definition of Programming/Erasure Times
- 19.13.15 Flash Memory Version Electrical Characteristics 10,000 E/W cycle product
- 19.13.16 Boot Mode
 
- 19.14 Noise
- 19.15 Instruction for a Device Use
 
- Appendix 1. Package Dimensions
- Appendix 2. Functional Difference
 
- Register Index
- REVISION HISTORY

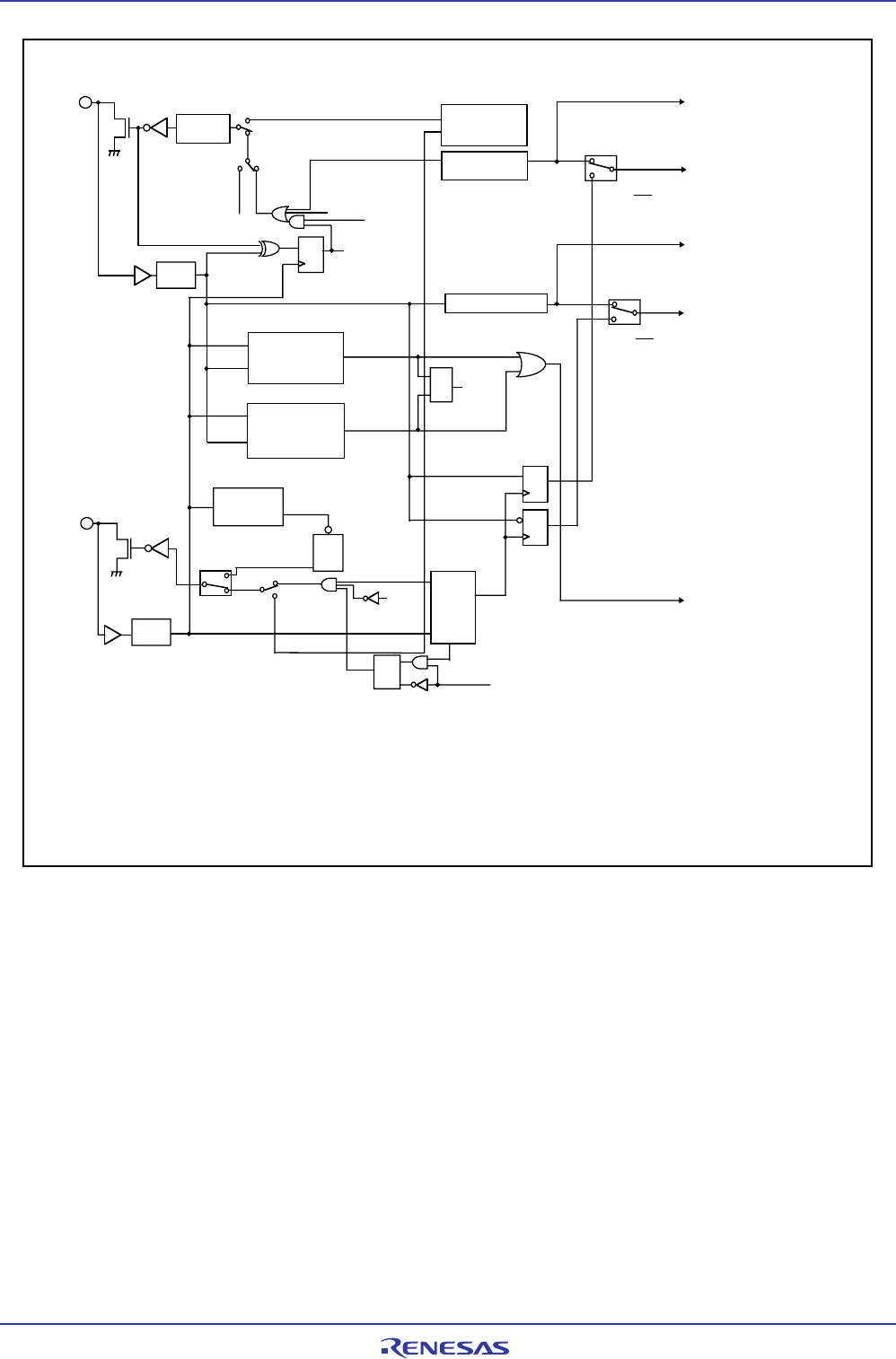
13. Serial I/O
page 159
923fo7002,51.beF00.2.veR
0020-2020B90JER
)T62/C61M,B62/C61M,A62/C61M(puorGA62/C61M
CLK 
control
Falling edge 
detection
External 
clock 
Internal clock 
Start/stop condition detection 
interrupt request
Start condition 
detection 
Stop condition 
detection 
Reception register
Bus 
busy
Transmission 
register
Arbitration
Noise
Filter
SDA2
SCL2
UART2
D
T
Q
D
T
Q
D
T
Q
NACK
ACK
UART2
UART2
UART2
R
UART2 transmit, 
NACK interrupt 
request
UART2 receive,
ACK interrupt request,
DMA1 request
IICM=1 and
IICM2=0
S
R
Q
ALS
R
S
SWC
IICM=1 and 
IICM2=0
IICM2=1
IICM2=
1
SWC2
SDH
I
DMA0, DMA1 request
Noise
Filter
IICM  : Bit in the U2SMR
IICM2, SWC, ALS, SWC2, SDHI  : Bits in the U2SMR2
STSPSEL, ACKD, ACKC 
: Bits in the U2SMR4
IICM=0
IICM=1
DMA
0
STSPSEL=0
STSPSEL=1
STSPSEL=1
STSPSEL=0
SDA
STSP
SCL
STSP
ACKC=1 ACKC=0
Q
Port register
(1)
I/O port
9th bit falling edge
9th bit
ACKD bit
Delay 
circuit
This diagram applies to the case where the SMD2 to SMD0 bits in the the U2MR register is set to "010
2
" and the IICM bit in the U2SMR 
register is set to "1".
NOTE:
 1. If the IICM bit is set to "1", the pin can be read even when the PD7_1 bit is set to "1" (output mode).
Start and stop condition generation block
Figure 13.1.3.1. I
2
C bus Mode Block Diagram










