Cassette Player User Manual
Manuals
Brands
RCA Manuals
Cassette Player
CDP18S711
41
42
43
44
45
46
47
48
49
50
70
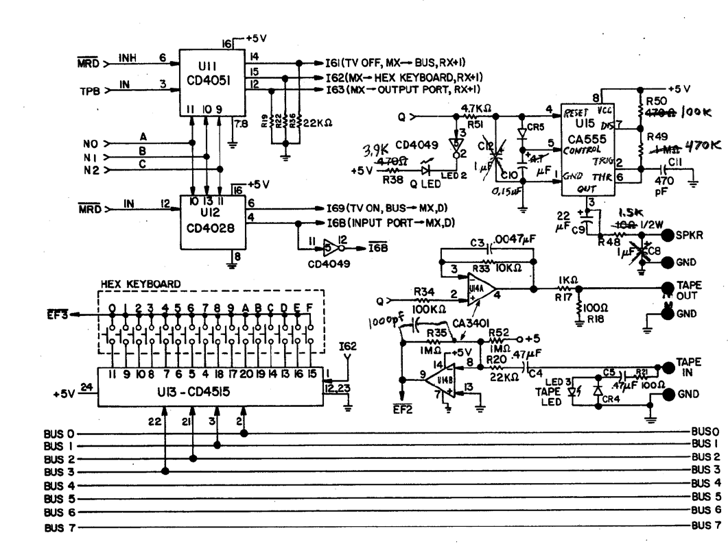
RCA COSMAC VIP Instruction Manual
Fig.
E-3 - Keyboard, Decodi
ng, Audio Oscillator,
and Cassette Interface Circuits
1
...
...
42
43
44
45
46
...
...
55