Cassette Player User Manual
Manuals
Brands
RCA Manuals
Cassette Player
CDP18S711
41
42
43
44
45
46
47
48
49
50
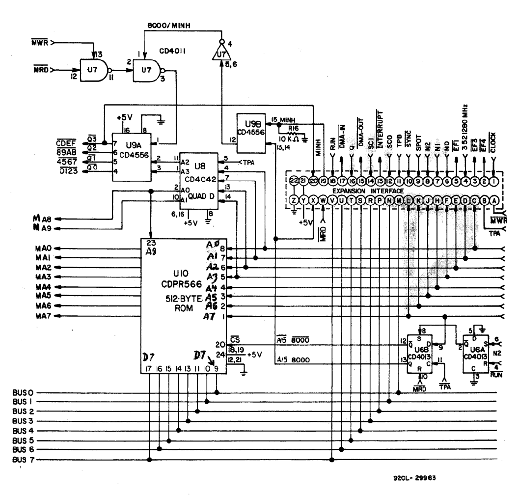
Fig.
E-2 - ROM Circuits and Expansion Interfa
ce
Appendix E - Logic Diagrams
69
1
...
...
41
42
43
44
45
...
...
55