User guide
Manuals
Brands
Rapid-Air Manuals
Equipment
STRAIGHTENER: SC SERIES
16
17
18
19
20
21
22
23
24
25
21
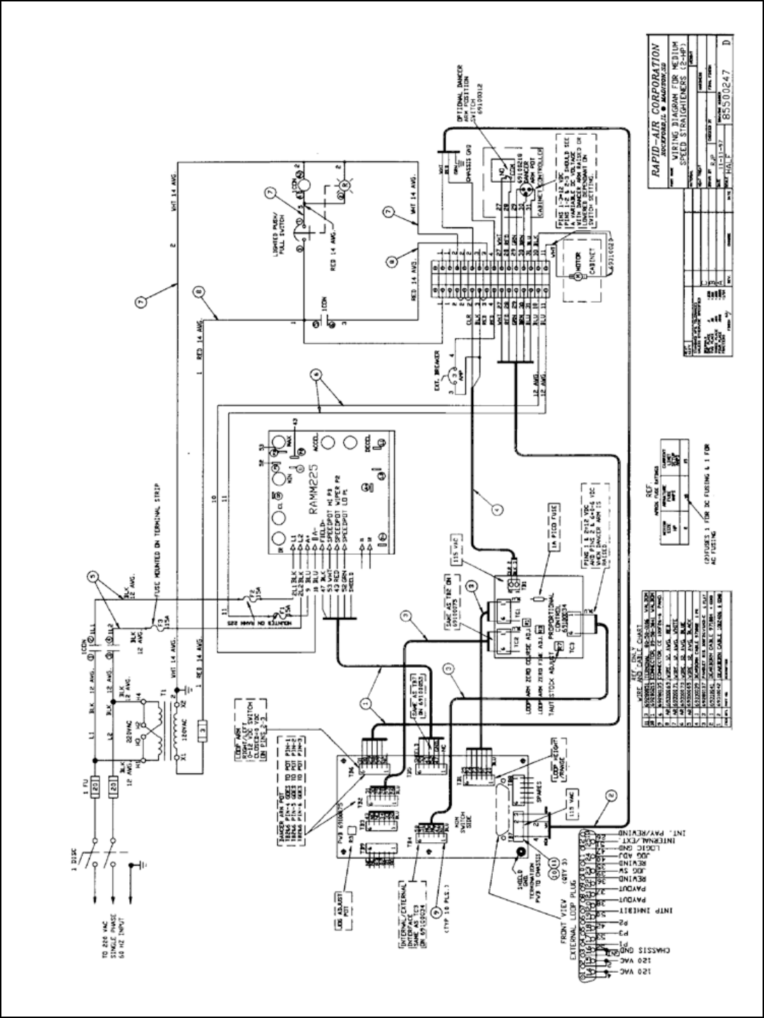
Wiring Diagram for Medium Speed Straighteners (2-HP)
1
...
...
19
20
21
22
23
24
...
25