User guide
Manuals
Brands
Rapid-Air Manuals
Equipment
STRAIGHTENER: SC SERIES
11
12
13
14
15
16
17
18
19
20
19
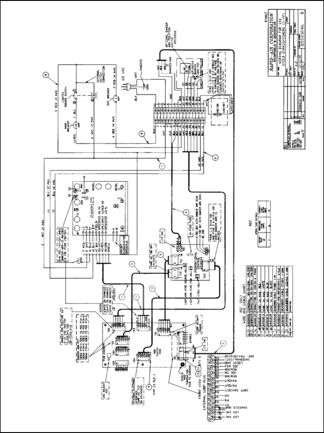
Wiring Diagram for STD Speed Straighteners (1-HP)
1
...
...
17
18
19
20
21
...
...
25