Operator`s manual
Manuals
Brands
Randell Manuals
Cold Pan
9946SCN
11
12
13
14
15
16
17
18
19
20
unifiedbrand
s.net
17
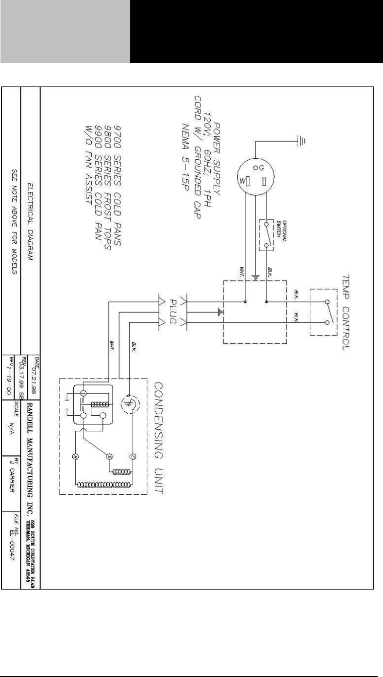
El
e
c
t
ri
c
a
l
D
ia
g
r
am
1
...
...
17
18
19
20
21
22
...
23