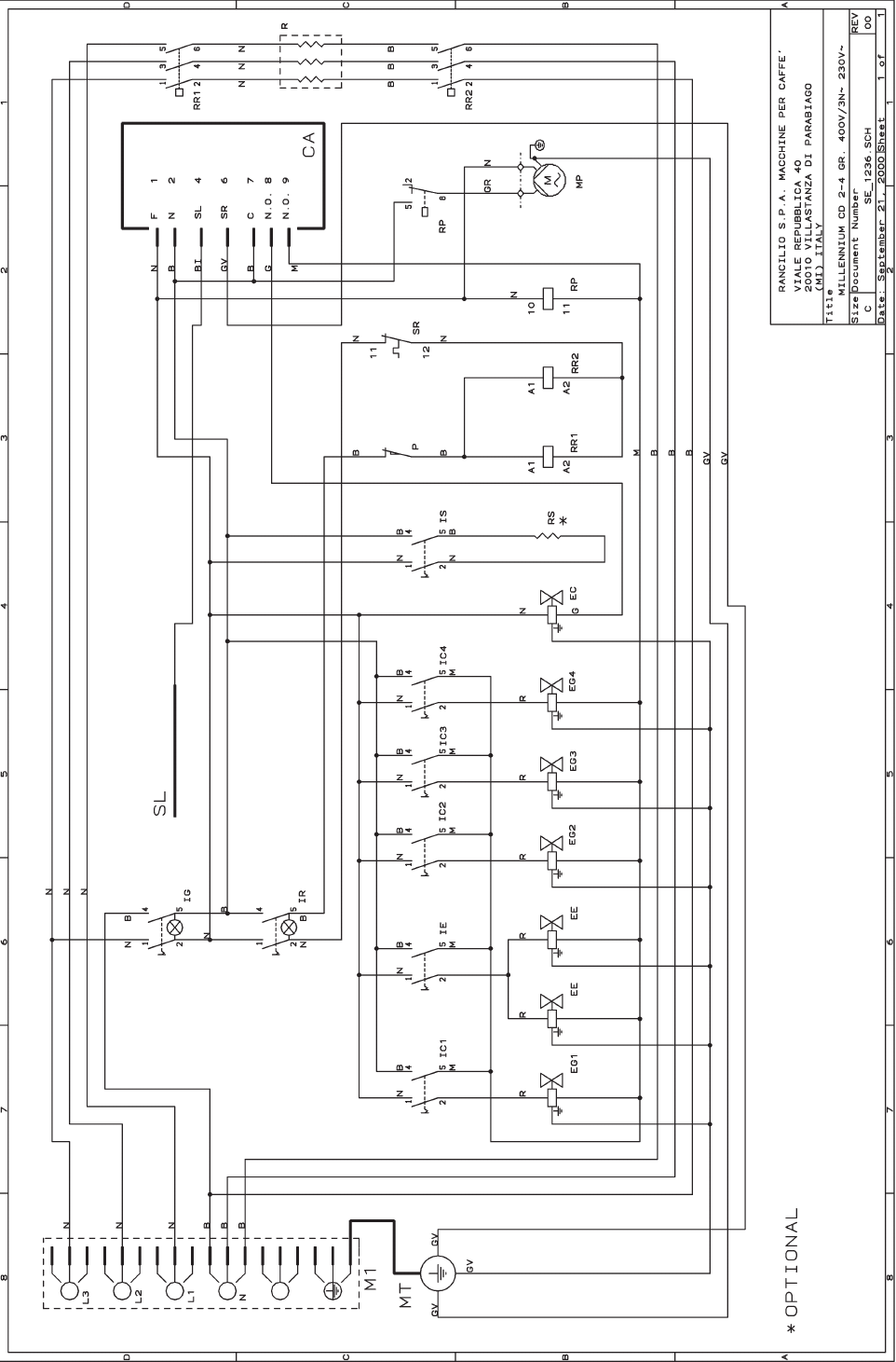
Coffeemaker Use and Maintenance Millennium
Manuals
Brands
Rancilio Manuals
Coffee Maker
Millennium
81
82
83
84
85
86
87
88
89
90
87
1
...
...
87
88
89
90
91
...
...
104