User guide

5
U2745B
4734A–RKE–11/03
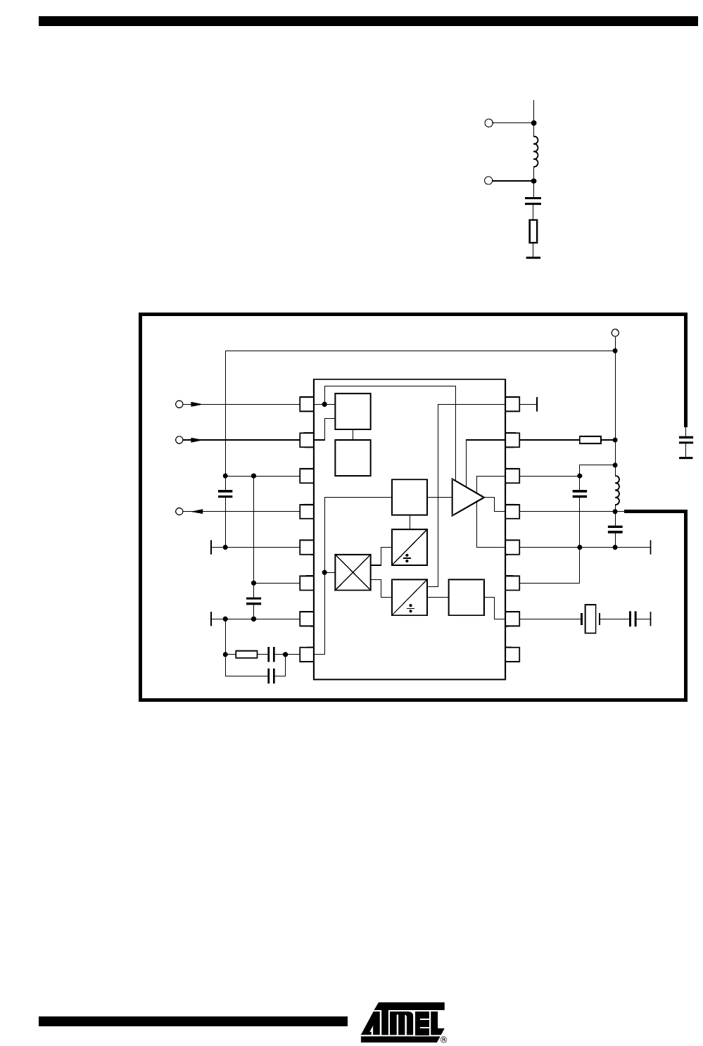
Figure 4. Measurement Output Network
Figure 5. Application Circuit
PWRVCC
ANT
V
S
L
10
C
10
50 W
Z
Load-opt
161
2
3
4
5
6
7
8
15
14
13
12
11
10
9
64
f
PA
n
f
OR
Power
up
VCO
XTO
ASK
EN
VCC
CLK
GND
LFVCC
LFGND
LF
GND
PWRSET
PWRVCC
ANT
PWRGND1
PWRGND2
XTO1
NC
C
4
R
PWRSET
L
Feed
C
Loop1
13.56 MHz
C
3
+V
S
= 2.2 ... 4.0 V
C
Loop2
C
6
C
1
C
2
R
4
ASK
EN
CLK
3.39 MHz
C
5
U2745B
Antenna









