Manual

16
T5744
4521A–RKE–02/02
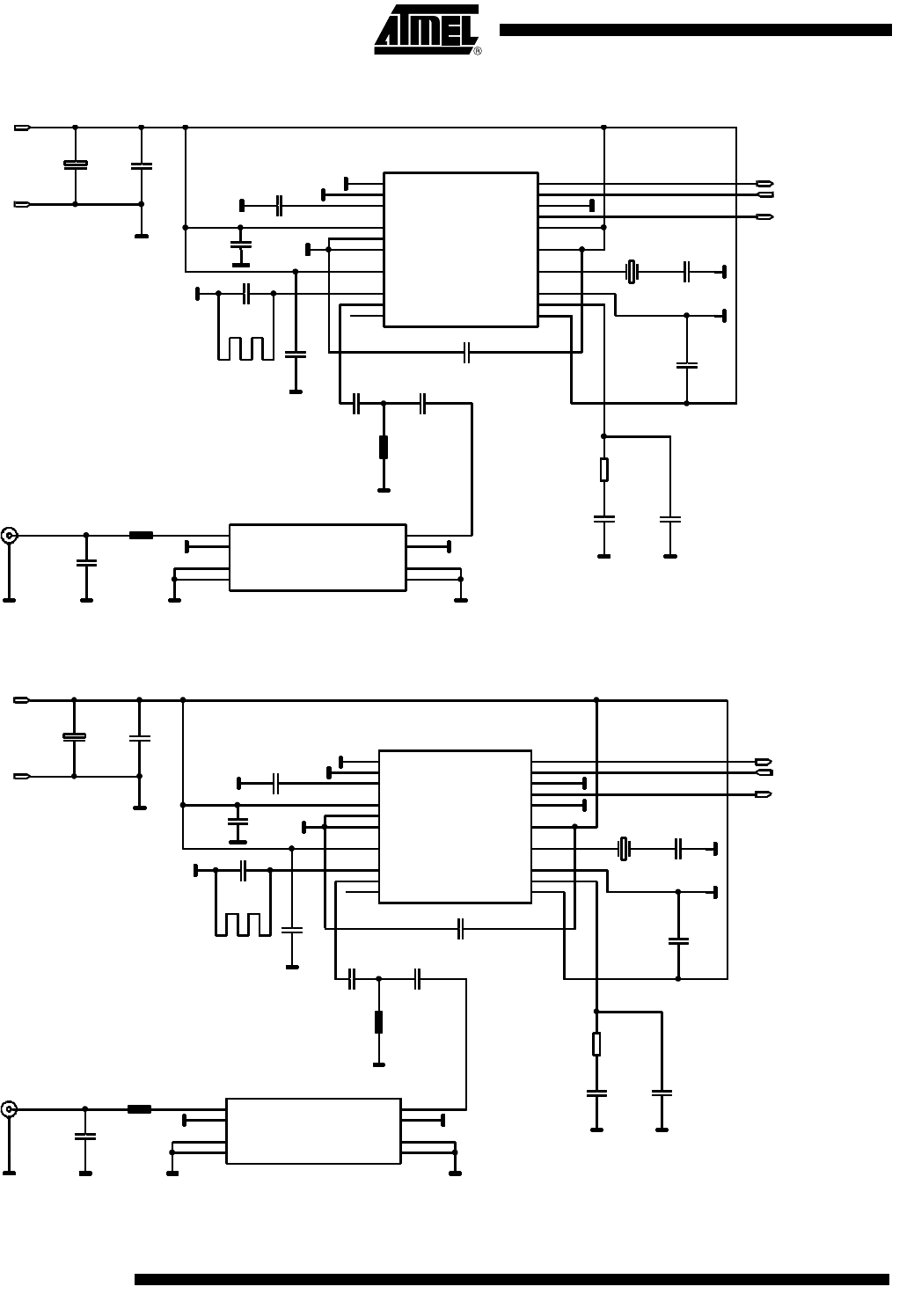
Figure 16. Application Circuit: f
RF
= 433.92 MHz, with SAW Filter
Figure 17. Application Circuit: f
RF
= 315 MHz, witht SAW Filter
C7
2.2uF
10%
C6
10nF
10%
VS
BR_0
1
BR_1
2
CDEM
3
AVCC
4
AGND
5
DGND
6
MIXVCC
7
LNAGND
8
LNA_IN
9
NC
10
LFVCC
11
LF
12
LFGND
13
XTO
14
DVCC
15
MODE
16
RSSI
17
TEST
18
ENABLE
19
DATA
20
C14
39nF 5%
GND
C13
10nF 10%
C3 22pF
5% np0
C11
12pF
2%
Q1
6.76438MHz
C8
150pF
10%
C12
10nF 10%
C15
150pF
10%
C16
100pF
5%
C17
8,2pF
5%
L3 TOKO LL2012
F27 NJ
27nH
5%
R1
820
5%
C9
4.7nF
5%
C10
1nF
5%
IN
1
IN_GND
2
CASE_GND
3
CASE_GND
4
OUT
5
OUT_GND
6
CASE_GND
7
CASE_GND
8
B355
5
KOAX
C2
8.2pF
5% np0
L2 TOKO LL2012
F33NJ
33nH
5%
np0
np0
np0
DATA
ENABLE
RSSI
T5744
C7
2.2uF
10%
C6
10nF
10%
VS
BR_0
1
BR_1
2
CDEM
3
AVCC
4
AGND
5
DGND
6
MIXVCC
7
LNAGND
8
LNA_IN
9
NC
10
LFVCC
11
LF
12
LFGND
13
XTO
14
DVCC
15
MODE
16
RSSI
17
TEST
18
ENABLE
19
DATA
20
C14
39n F 5%
GND
C13
10nF 10%
C3 47pF
5% np0
C11
15pF
2%
Q1
4.90625MHz
C8
150pF
10%
C12
10nF 10%
C15
150pF
10%
C16
100pF
5%
C17
22pF
5%
L3 TOKO LL2012
F47NJ
47nH
5%
R1
820
5%
C9
4.7nF
5%
C10
1nF
5%
IN
1
IN_GND
2
CASE_GND
3
CASE_GND
4
OUT
5
OUT_GND
6
CASE_GND
7
CASE_GND
8
B3551
KOAX
C2
10pF
5%
L2 TOKO LL2012
F82NJ
82nH
5%
np0
np0
np0
np0
DATA
ENABLE
RSSI
T5744










