Manual

15
T5744
4521A–RKE–02/02
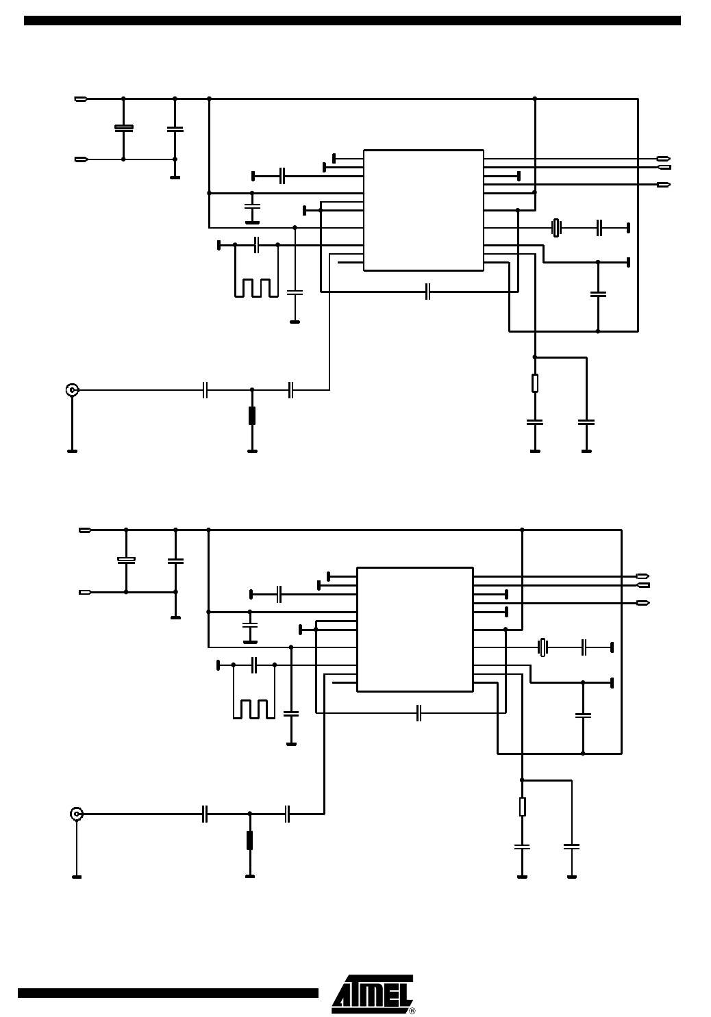
Figure 14. Application Circuit: f
RF
= 433.92 MHz, without SAW Filter
Figure 15. Application Circuit: f
RF
= 315 MHz, without SAW Filter
C7
2.2uF
10%
C6
10nF
10%
VS
DATA
ENABLE
BR_0
1
BR_1
2
CDEM
3
AVCC
4
AGND
5
DGND
6
MIXVCC
7
LNAGND
8
LNA_IN
9
NC
10
LFVCC
11
LF
12
LFGND
13
XTO
14
DVCC
15
MODE
16
RSSI
17
TEST
18
ENABLE
19
DATA
20
T5744
C14
39nF 5%
GND
C13
10nF 10%
C3 15pF
5% np0
Q1
6.76438MHz
C11
12pF
2%
RSSI
C8
150pF
10%
C12
10nF 10%
C15
150pF
10%
R1
820
5%
C9
4.7nF
5%
C10
1nF
5%
C16
100pF
5% np0
L2 TOKO LL2012 F22NJ
22nH
5%
C17
3.3pF
5% np0
KOAX
np0
C7
2.2uF
10%
C6
10nF
10%
VS
DATA
ENABLE
BR_0
1
BR_1
2
CDEM
3
AVCC
4
AGND
5
DGND
6
MIXVCC
7
LNAGND
8
LNA_IN
9
NC
10
LFVCC
11
LF
12
LFGND
13
XTO
14
DVCC
15
MODE
16
RSSI
17
TEST
18
ENABLE
19
DATA
20
T5744
C14
39nF 5%
GND
C13
10nF 10%
C3 33pF
5% np0
Q1
4.90625MHz
C11
15pF
2%
RSSI
C8
150pF
10%
C12
10nF 10%
C15
150pF
10%
R1
820
5%
C9
4.7nF
5%
C10
1nF
5%
C16
100pF
5%
L2 TOKO LL2012 F39NJ
39nH
5%
C17
3.3pF
5% np0
KOAX
np0
np0










