Owner manual
Table Of Contents
- Features
- Description
- Pin Configuration
- Pin Description: RF Part
- Pin Description: Microcontroller Part
- UHF ASK/FSK Transmitter Block
- Features
- Description
- General Description
- Functional Description
- Absolute Maximum Ratings
- Thermal Resistance
- Electrical Characteristics
- Microcontroller Block
- Features
- Description
- Introduction
- Microcontroller Architecture General Description
- Components of Microcontroller Core
- Master Reset
- Voltage Monitor
- Clock Generation
- Power-down Modes
- Peripheral Modules
- Bi-directional Ports
- Timer 3
- Features
- Timer/Counter Modes
- Timer 3 – Mode 1: Timer/Counter
- Timer 3 – Mode 2: Timer/Counter, External Trigger Restart and External Capture (with T3I Input)
- Timer 3 – Mode 3: Timer/Counter, Internal Trigger Restart and Internal Capture (with TOG2)
- Timer 3 – Mode 4: Timer/Counter
- Timer 3 – Mode 5: Timer/Counter, External Trigger Restart and External Capture (with T3I Input)
- Timer 3 Modulator/Demodulator Modes
- Timer 3 – Mode 6: Carrier Frequency Burst Modulation Controlled by Timer 2 Output Toggle FlipFlo...
- Timer 3 – Mode 7: Carrier Frequency Burst Modulation Controlled by SSI Internal Output (SO)
- Timer 3 – Mode 8: FSK Modulation with Shift Register Data (SO)
- Timer 3 – Mode 9: Pulse-width Modulation with the Shift Register
- Timer 3 – Mode 10: Manchester Demodulation/Pulse-width Demodulation
- Timer 3 – Mode 11: Biphase Demodulation
- Timer 3 – Mode 12: Timer/Counter with External Capture Mode (T3I)
- Timer 3 Modulator for Carrier Frequency Burst Modulation
- Timer 3 Demodulator for Biphase, Manchester and Pulse-width-modulated Signals
- Timer 3 Registers
- Timer 3 Mode Register (T3M)
- Timer 3 Control Register 1 (T3C) Write
- Timer 3 Status Register 1 (T3ST) Read
- Timer 3 Clock Select Register (T3CS)
- Timer 3 Compare- and Compare-mode Register
- Timer 3 Compare-Mode Register 1 (T3CM1)
- Timer 3 Compare Mode Register 2 (T3CM2)
- Timer 3 COmpare Register 1 (T3CO1) Byte Write
- Timer 3 COmpare Register 2 (T3CO2) Byte Write
- Timer 3 Capture Register
- Synchronous Serial Interface (SSI)
- Serial Interface Registers
- Combination Modes
- Absolute Maximum Ratings
- Thermal Resistance
- DC Operating Characteristics
- AC Characteristics
- Crystal Characteristics
- Ordering Information
- Package Information
- Table of Contents

78
T48C862-R8
4590B–4BMCU–02/03
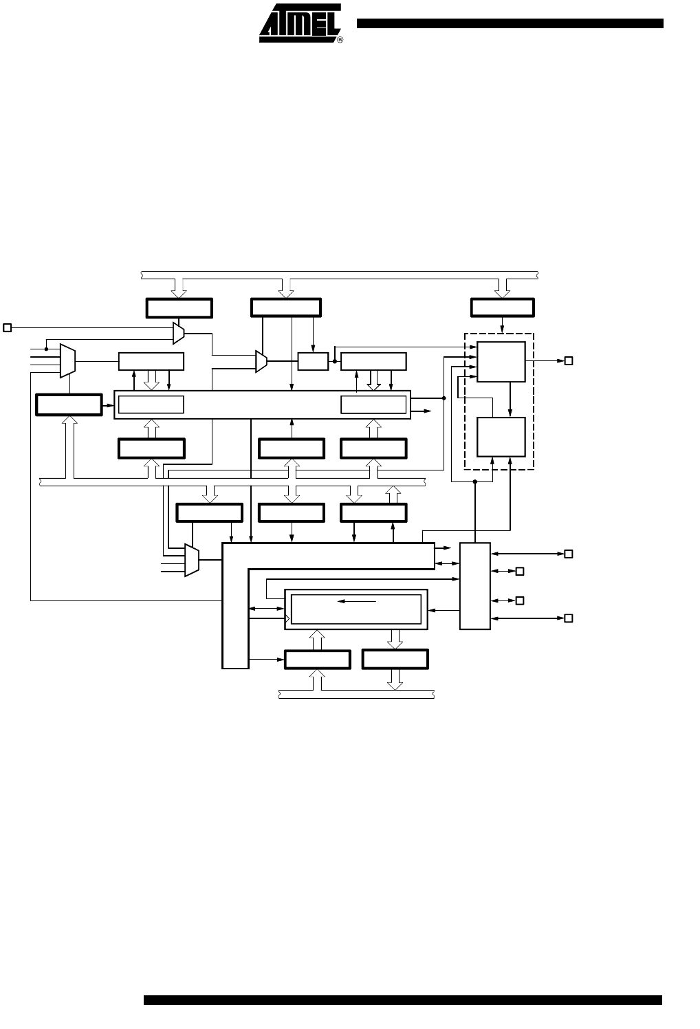
Combination Modes The UTCM consists of two timers (Timer 2 and Timer 3) and a serial interface. There is
a multitude of modes in which the timers and serial interface can work together.
The 8-bit wide serial interface operates as shift register for modulation and demodula-
tion. The modulator and demodulator units work together with the timers and shift the
data bits into or out of the shift register.
Combination Mode
Timer 2 and SSI
Figure 72. Combination Timer 2 and SSI
4-bit counter 2/1
RES OVF1
Compare 2/1
T2CO1
POUT
CL2/2
DCG
T2M1P4CR
8-bit counter 2/2
RES OVF2
Compare 2/2
T2CO2T2CM
Timer 2 - control
TOG2
INT4
Biphase-,
Manchester-
modulator
Output
MOUT
T2O
Timer 2
modulator
output-stage
T2M2
SO Control
T2C
CL2/1
T2I
SYSCL
T1OUT
TOG3
SCL
I/O-bus
8-bit shift register
MSB LSB
Shift_CL
SO
SIC1 SIC2 SISC
SCLI
Control
STB SRB
SI
Output
INT3
I/O-bus
SSI-control
TOG2
POUT
T1OUT
SYSCL
MCL_SC
MCL_SD
Transmit
buffer
Receive
buffer
CM1
I/O-bus
POUT
SO
SCL
SC
SD
DCGO
TOG2










