Owner manual
Table Of Contents
- Features
- Description
- Pin Configuration
- Pin Description: RF Part
- Pin Description: Microcontroller Part
- UHF ASK/FSK Transmitter Block
- Features
- Description
- General Description
- Functional Description
- Absolute Maximum Ratings
- Thermal Resistance
- Electrical Characteristics
- Microcontroller Block
- Features
- Description
- Introduction
- Microcontroller Architecture General Description
- Components of Microcontroller Core
- Master Reset
- Voltage Monitor
- Clock Generation
- Power-down Modes
- Peripheral Modules
- Bi-directional Ports
- Timer 3
- Features
- Timer/Counter Modes
- Timer 3 – Mode 1: Timer/Counter
- Timer 3 – Mode 2: Timer/Counter, External Trigger Restart and External Capture (with T3I Input)
- Timer 3 – Mode 3: Timer/Counter, Internal Trigger Restart and Internal Capture (with TOG2)
- Timer 3 – Mode 4: Timer/Counter
- Timer 3 – Mode 5: Timer/Counter, External Trigger Restart and External Capture (with T3I Input)
- Timer 3 Modulator/Demodulator Modes
- Timer 3 – Mode 6: Carrier Frequency Burst Modulation Controlled by Timer 2 Output Toggle FlipFlo...
- Timer 3 – Mode 7: Carrier Frequency Burst Modulation Controlled by SSI Internal Output (SO)
- Timer 3 – Mode 8: FSK Modulation with Shift Register Data (SO)
- Timer 3 – Mode 9: Pulse-width Modulation with the Shift Register
- Timer 3 – Mode 10: Manchester Demodulation/Pulse-width Demodulation
- Timer 3 – Mode 11: Biphase Demodulation
- Timer 3 – Mode 12: Timer/Counter with External Capture Mode (T3I)
- Timer 3 Modulator for Carrier Frequency Burst Modulation
- Timer 3 Demodulator for Biphase, Manchester and Pulse-width-modulated Signals
- Timer 3 Registers
- Timer 3 Mode Register (T3M)
- Timer 3 Control Register 1 (T3C) Write
- Timer 3 Status Register 1 (T3ST) Read
- Timer 3 Clock Select Register (T3CS)
- Timer 3 Compare- and Compare-mode Register
- Timer 3 Compare-Mode Register 1 (T3CM1)
- Timer 3 Compare Mode Register 2 (T3CM2)
- Timer 3 COmpare Register 1 (T3CO1) Byte Write
- Timer 3 COmpare Register 2 (T3CO2) Byte Write
- Timer 3 Capture Register
- Synchronous Serial Interface (SSI)
- Serial Interface Registers
- Combination Modes
- Absolute Maximum Ratings
- Thermal Resistance
- DC Operating Characteristics
- AC Characteristics
- Crystal Characteristics
- Ordering Information
- Package Information
- Table of Contents

40
T48C862-R8
4590B–4BMCU–02/03
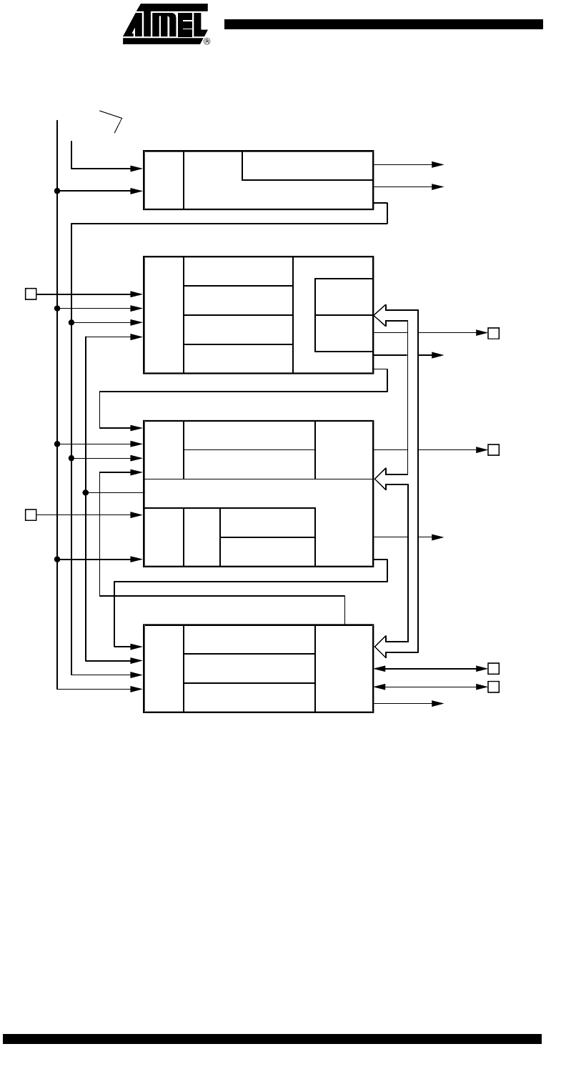
Figure 32. UTCM Block Diagram
Timer 1 The Timer 1 is an interval timer which can be used to generate periodical interrupts and
as prescaler for Timer 2, Timer 3, the serial interface and the watchdog function.
The Timer 1 consists of a programmable 14-stage divider that is driven by either SUBCL
or SYSCL. The timer output signal can be used as prescaler clock or as SUBCL and as
source for the Timer 1 interrupt. Because of other system requirements, the Timer 1 out-
put T1OUT is synchronized with SYSCL. Therefore, in the power-down mode SLEEP
(CPU core -> sleep and OSC-Stop -> yes), the output T1OUT is stopped (T1OUT = 0).
Nevertheless, the Timer 1 can be active in SLEEP and generate Timer 1 interrupts. The
interrupt is maskable via the T1IM bit and the SUBCL can be bypassed via the T1BP bit
of the T1C2 register. The time interval for the timer output can be programmed via the
Timer 1 control register T1C1.
This timer starts running automatically after any power-on reset! If the watchdog func-
tion is not activated, the timer can be restarted by writing into the T1C1 register with
T1RM = 1.
Demodu-
lator 3
8-bit Counter 3
Capture 3
Compare 3/1
Compare 3/2
Modu-
lator 3
MUX
MUX
Control
Watchdog
Interval / Prescaler
Timer 1
Timer 3
Modu-
lator 2
4-bit Counter 2/1
Compare 2/1
MUX
MUX DCG
8-bit Counter 2/2
Compare 2/2
Control
Timer 2
MUX
8-bit shift register
Receive buffer
Transmit buffer
Control
SSI
SCL
INT4
INT5
INT2
NRST
INT3
POUT
TOG2
TOG3
T1OUT
SUBCL
SYSCL
from clock module
T3O
T3I
T2I
T2O
SC
SD
I/O bus










