Owner manual
Table Of Contents
- Features
- Description
- Pin Configuration
- Pin Description: RF Part
- Pin Description: Microcontroller Part
- UHF ASK/FSK Transmitter Block
- Features
- Description
- General Description
- Functional Description
- Absolute Maximum Ratings
- Thermal Resistance
- Electrical Characteristics
- Microcontroller Block
- Features
- Description
- Introduction
- Microcontroller Architecture General Description
- Components of Microcontroller Core
- Master Reset
- Voltage Monitor
- Clock Generation
- Power-down Modes
- Peripheral Modules
- Bi-directional Ports
- Timer 3
- Features
- Timer/Counter Modes
- Timer 3 – Mode 1: Timer/Counter
- Timer 3 – Mode 2: Timer/Counter, External Trigger Restart and External Capture (with T3I Input)
- Timer 3 – Mode 3: Timer/Counter, Internal Trigger Restart and Internal Capture (with TOG2)
- Timer 3 – Mode 4: Timer/Counter
- Timer 3 – Mode 5: Timer/Counter, External Trigger Restart and External Capture (with T3I Input)
- Timer 3 Modulator/Demodulator Modes
- Timer 3 – Mode 6: Carrier Frequency Burst Modulation Controlled by Timer 2 Output Toggle FlipFlo...
- Timer 3 – Mode 7: Carrier Frequency Burst Modulation Controlled by SSI Internal Output (SO)
- Timer 3 – Mode 8: FSK Modulation with Shift Register Data (SO)
- Timer 3 – Mode 9: Pulse-width Modulation with the Shift Register
- Timer 3 – Mode 10: Manchester Demodulation/Pulse-width Demodulation
- Timer 3 – Mode 11: Biphase Demodulation
- Timer 3 – Mode 12: Timer/Counter with External Capture Mode (T3I)
- Timer 3 Modulator for Carrier Frequency Burst Modulation
- Timer 3 Demodulator for Biphase, Manchester and Pulse-width-modulated Signals
- Timer 3 Registers
- Timer 3 Mode Register (T3M)
- Timer 3 Control Register 1 (T3C) Write
- Timer 3 Status Register 1 (T3ST) Read
- Timer 3 Clock Select Register (T3CS)
- Timer 3 Compare- and Compare-mode Register
- Timer 3 Compare-Mode Register 1 (T3CM1)
- Timer 3 Compare Mode Register 2 (T3CM2)
- Timer 3 COmpare Register 1 (T3CO1) Byte Write
- Timer 3 COmpare Register 2 (T3CO2) Byte Write
- Timer 3 Capture Register
- Synchronous Serial Interface (SSI)
- Serial Interface Registers
- Combination Modes
- Absolute Maximum Ratings
- Thermal Resistance
- DC Operating Characteristics
- AC Characteristics
- Crystal Characteristics
- Ordering Information
- Package Information
- Table of Contents

36
T48C862-R8
4590B–4BMCU–02/03
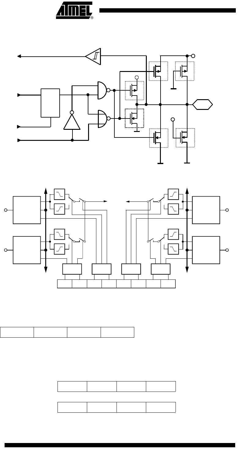
Figure 29. Bi-directional Port 5
Figure 30. Port 5 External Interrupts
Port 5 Data Register (P5DAT) Primary register address: "5"hex
Port 5 Control Register (P5CR)
Byte Write
Auxiliary register address: "5"hex
Master reset
Q
V
DD
BP5y
Configurable
*
*
P5DATy
I/O Bus
D
IN enable
I/O Bus
*
*
Switched
pull-up
Switched
pull-down
*
Static
pull-up
(Data out)
*
*
S
*
V
DD
Static
Pull-down
V
DD
Bidir. Port
Data in
IN_Enable
BP53
P53M2 P53M1 P52M2 P52M1 P51M2 P51M1 P50M2 P50M1
Decoder Decoder Decoder Decoder
Bidir. Port
Data in
IN_Enable
BP52
I/O-bus
Bidir. Port
Data in
IN_Enable
BP51
I/O-bus
Bidir. Port
Data in
IN_Enable
BP50
INT1 INT6
P5CR:
Bit 3Bit 2Bit 1Bit 0
P5DAT3 P5DAT2 P5DAT1 P5DAT0 Reset value: 1111b
Bit 3Bit 2Bit 1Bit 0
First write cycle P51M2 P51M1 P50M2 P50M1 Reset value: 1111b
Bit 7Bit 6Bit 5Bit 4
Second write cycle P53M2 P53M1 P52M2 P52M1 Reset value: 1111b










