Owner manual
Table Of Contents
- Features
- Description
- Pin Configuration
- Pin Description: RF Part
- Pin Description: Microcontroller Part
- UHF ASK/FSK Transmitter Block
- Features
- Description
- General Description
- Functional Description
- Absolute Maximum Ratings
- Thermal Resistance
- Electrical Characteristics
- Microcontroller Block
- Features
- Description
- Introduction
- Microcontroller Architecture General Description
- Components of Microcontroller Core
- Master Reset
- Voltage Monitor
- Clock Generation
- Power-down Modes
- Peripheral Modules
- Bi-directional Ports
- Timer 3
- Features
- Timer/Counter Modes
- Timer 3 – Mode 1: Timer/Counter
- Timer 3 – Mode 2: Timer/Counter, External Trigger Restart and External Capture (with T3I Input)
- Timer 3 – Mode 3: Timer/Counter, Internal Trigger Restart and Internal Capture (with TOG2)
- Timer 3 – Mode 4: Timer/Counter
- Timer 3 – Mode 5: Timer/Counter, External Trigger Restart and External Capture (with T3I Input)
- Timer 3 Modulator/Demodulator Modes
- Timer 3 – Mode 6: Carrier Frequency Burst Modulation Controlled by Timer 2 Output Toggle FlipFlo...
- Timer 3 – Mode 7: Carrier Frequency Burst Modulation Controlled by SSI Internal Output (SO)
- Timer 3 – Mode 8: FSK Modulation with Shift Register Data (SO)
- Timer 3 – Mode 9: Pulse-width Modulation with the Shift Register
- Timer 3 – Mode 10: Manchester Demodulation/Pulse-width Demodulation
- Timer 3 – Mode 11: Biphase Demodulation
- Timer 3 – Mode 12: Timer/Counter with External Capture Mode (T3I)
- Timer 3 Modulator for Carrier Frequency Burst Modulation
- Timer 3 Demodulator for Biphase, Manchester and Pulse-width-modulated Signals
- Timer 3 Registers
- Timer 3 Mode Register (T3M)
- Timer 3 Control Register 1 (T3C) Write
- Timer 3 Status Register 1 (T3ST) Read
- Timer 3 Clock Select Register (T3CS)
- Timer 3 Compare- and Compare-mode Register
- Timer 3 Compare-Mode Register 1 (T3CM1)
- Timer 3 Compare Mode Register 2 (T3CM2)
- Timer 3 COmpare Register 1 (T3CO1) Byte Write
- Timer 3 COmpare Register 2 (T3CO2) Byte Write
- Timer 3 Capture Register
- Synchronous Serial Interface (SSI)
- Serial Interface Registers
- Combination Modes
- Absolute Maximum Ratings
- Thermal Resistance
- DC Operating Characteristics
- AC Characteristics
- Crystal Characteristics
- Ordering Information
- Package Information
- Table of Contents

21
T48C862-R8
4590B–4BMCU–02/03
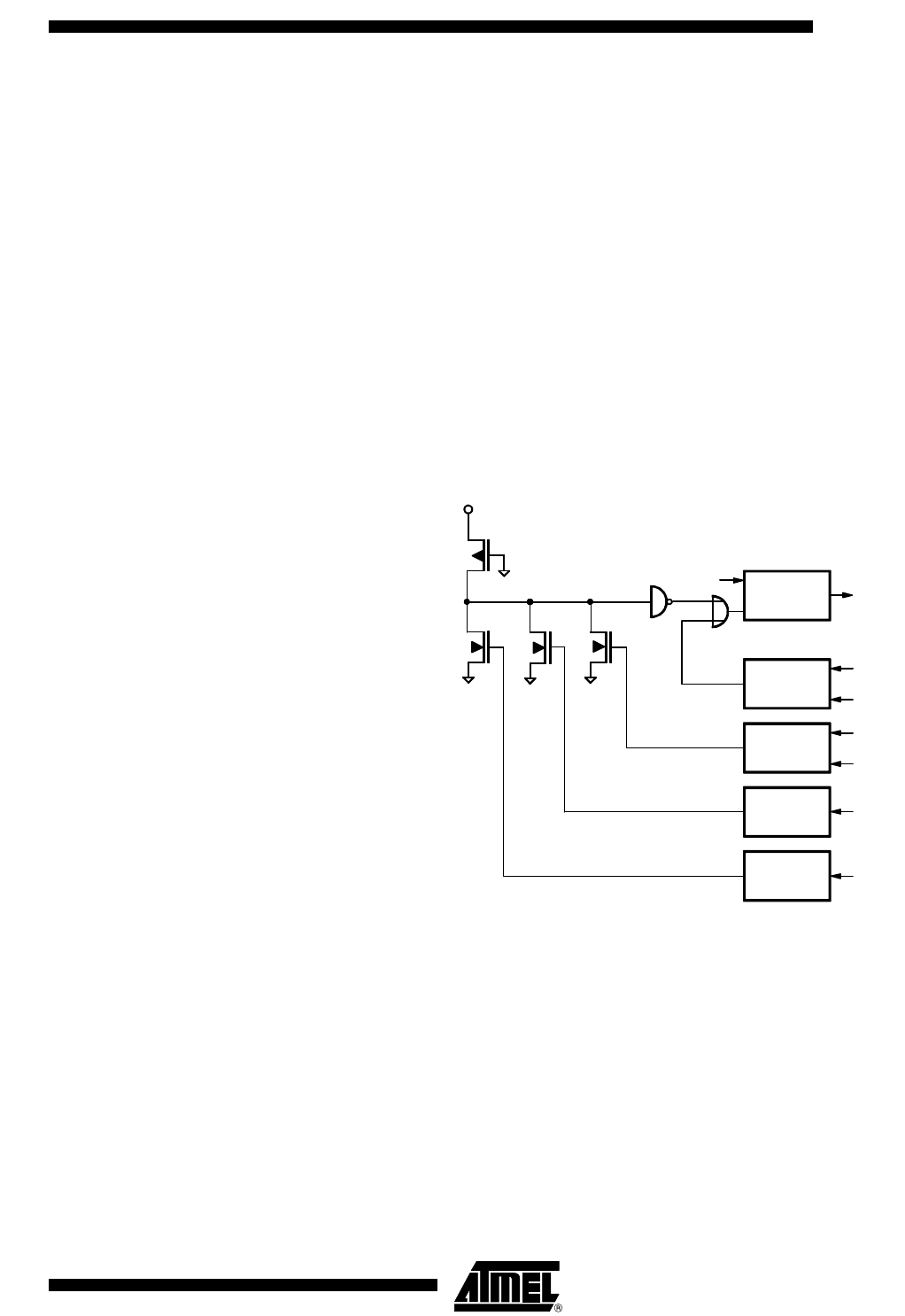
Master Reset The master reset forces the CPU into a well-defined condition. It is unmaskable and is
activated independent of the current program state. It can be triggered by either initial
supply power-up, a short collapse of the power supply, brown-out detection circuitry,
watchdog time-out, or an external input clock supervisor stage (see Figure 15). A master
reset activation will reset the interrupt enable flag, the interrupt pending register and the
interrupt active register. During the power-on reset phase, the I/O bus control signals
are set to reset mode, thereby, initializing all on-chip peripherals. All bi-directional ports
are set to input mode.
Attention: During any reset phase, the BP20/NTE input is driven towards V
DD
by an
additional internal strong pull-up transistor. This pin must not be pulled down to V
SS
dur-
ing reset by any external circuitry representing a resistor of less than 150 kW.
Releasing the reset results in a short call instruction (opcode C1h) to the ROM address
008h. This activates the initialization routine $RESET which in turn has to initialize all
necessary RAM variables, stack pointers and peripheral configuration registers (see
Table 6).
Figure 15. Reset Configuration
Power-on Reset and
Brown-out Detection
The microcontroller block has a fully integrated power-on reset and brown-out detection
circuitry. For reset generation no external components are needed.
These circuits ensure that the core is held in the reset state until the minimum operating
supply voltage has been reached. A reset condition will also be generated should the
supply voltage drop momentarily below the minimum operating level except when a
power-down mode is activated (the core is in SLEEP mode and the peripheral clock is
stopped). In this power-down mode the brown-out detection is disabled.
Two values for the brown-out voltage threshold are programmable via the BOT-bit in the
SC-register.
Reset
timer
V
DD
CL
Power-on
reset
Internal
reset
res
CL=SYSCL/4
V
DD
V
SS
Brown-out
detection
V
DD
V
SS
Watch-
dog
CWD
res
Ext. clock
supervisor
ExIn
Pull-up
NRST










