Manual

MAX9595
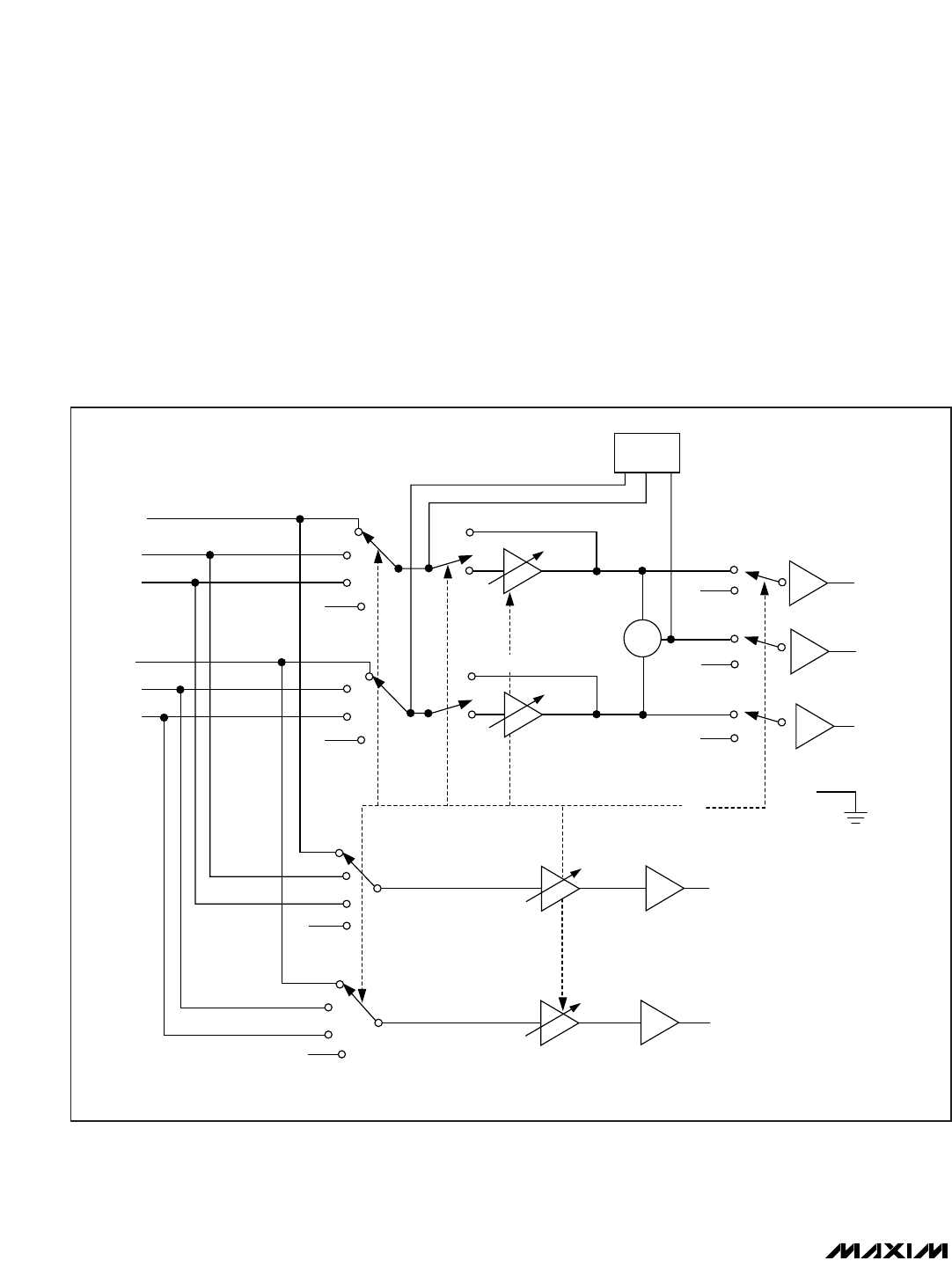
Audio Outputs
Both right and left channels have a stereo output for the
TV and VCR SCART. The monaural output, which is a
mix of the TV right and left channels, drives the RF
modulator, RF_MONO_OUT. The monaural mixer, a
resistor summer, attenuates the amplitude of each of
the two signals by 6dB. A 12.54dB gain block follows
the monaural mixer. If the left and right audio channels
were completely uncorrelated, then a 9.54dB gain
block is used. See Figure 3 for the functional diagram
of the audio section.
Clickless Switching
The TV channel incorporates a zero-crossing detect
(ZCD) circuit that minimizes click noise due to abrupt
signal level changes that occur when switching
between audio signals at an arbitrary moment.
Audio/Video Switch for Dual SCART Connector
14 ______________________________________________________________________________________
AUDIO INPUTS AUDIO OUTPUTS
ENC_INL
TV_INL
VCR_INL
MUTE
MUTE
MUTE
Σ/2
MUTE
MUTE
MUTE
MUTE
MUTE IS AN INTERNAL SIGNAL
-6dB, 0dB, OR +6dB
-6dB, 0dB, OR +6dB
9.54dB
9.54dB
12.54dB
GNDAUD
9.54dB
ZCD
TV_OUTL
RF_MONO_OUT
TV_OUTR
VOLUME CONTROL BYPASS
VOLUME CONTROL
+6dB TO -56dB
VOLUME CONTROL
+6dB TO -56dB
I
2
C
VCR_OUTL
VCR_OUTR
9.54dB
ENC_INR
TV_INR
VCR_INR
VOLUME CONTROL BYPASS
Figure 3. MAX9595 Audio Section Functional Diagram










