Manual

MAX3344E/MAX3345E
±15kV ESD-Protected USB Transceivers
in UCSP with USB Detect
14 ______________________________________________________________________________________
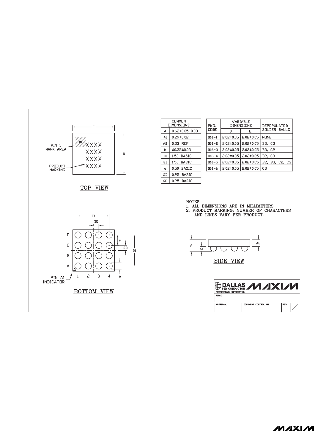
16L,UCSP.EPS
H
1
1
21-0101
PACKAGE OUTLINE, 4x4 UCSP
Package Information
(The package drawing(s) in this data sheet may not reflect the most current specifications. For the latest package outline information,
go to www.maxim-ic.com/packages
.)










