Owner manual

22 ______________________________________________________________________________________
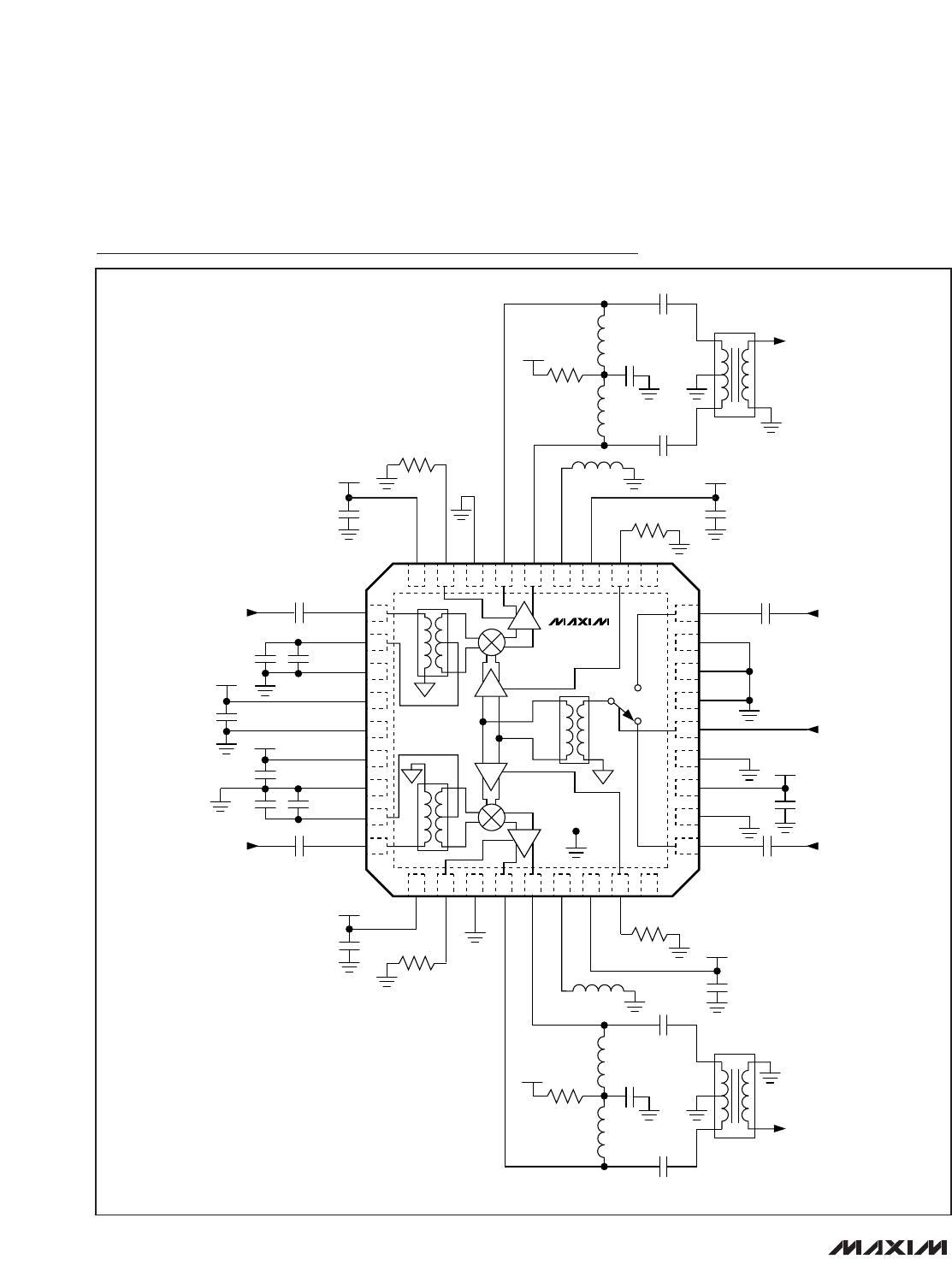
Dual, SiGe, High-Linearity, 1700MHz to 2200MHz
Downconversion Mixer with LO Buffer/Switch
MAX19995A
Typical Application Circuit
RF MAIN INPUT
RF DIV INPUT
C2C3
C1
+
C8
C9
C13
C17
C18
R1
V
CC
L2
L1
R3
C20
C19
IF MAIN OUTPUT
T1
C16
R2
L3
LO2
C14
LO1
4:1
4:1
V
CC
V
CC
V
CC
V
CC
1
2
3
4
5
6
7
8
9
1
0
1
1
1
2
1
3
1
4
1
5
1
6
1
7
1
8
2
8
2
9
3
0
3
1
3
2
3
3
3
4
3
5
3
6
19
20
21
22
23
24
25
26
27
LO2
V
CC
GND
V
CC
GND
GND
TAPDIV
TAPMAIN
RFMAIN
RFDIV
EXPOSED
PAD
I
F
D
_
S
E
T
G
N
D
I
N
D
_
E
X
T
D
L
O
_
A
D
J
_
D
N
.
C
.
V
C
C
V
C
C
N
.
C
.
L
O
_
A
D
J
_
M
V
C
C
I
N
D
_
E
X
T
M
G
N
D
I
F
M
_
S
E
T
I
F
D
+
I
F
D
-
V
C
C
I
F
M
+
I
F
M
-
LO1
LOSEL
GND
GND
GND
GND
GND
V
CC
MAX19995A
C4
C7C6
C5
V
CC
V
CC
C21
LO SELECT
C15
V
CC
R5
R4
V
CC
L4
L5
R6
L6
C10
C11
T2
IF DIV OUTPUT
C12










