User Manual

Detailed Description
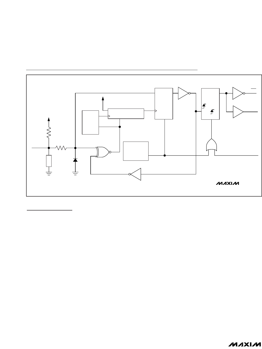
Theory of Operation
The MAX16054 creates a push-on, push-off function
using a momentary-contact normally open SPST
switch. The high-to-low transition that occurs when
closing the switch causes OUT to go high and OUT to
go low. The output state remains latched after the
switch is released/opened. Closing the switch again
causes OUT to go low and OUT to go high.
Debounce circuitry eliminates the extraneous level
changes that result from interfacing with mechanical
switches (switch bounce). Virtually all mechanical
switches bounce upon opening and closing. The
bounce when a switch opens or closes is eliminated by
requiring that the sequentially clocked input remains in
the same state for a number of sampling periods. The
output does not change state from high-to-low or low-
to-high until the input is stable for at least 50ms (typ).
The
Functional Diagram
shows the functional blocks
consisting of an on-chip oscillator, counter, exclusive-
NOR gate, a D flip-flop, and a T (toggle) flip-flop. When
the pushbutton input does not equal the internal
debounced button state (the Q output of the D flip-
flop), the XNOR gate issues a counter reset. When the
switch input state is stable for the full qualification peri-
od, the counter clocks the D flip-flop, changing the
internal pushbutton state. The Q output of the D flip-flop
is connected to a toggle flip-flop that toggles when the
internal pushbutton state goes through a high-to-low
transition. Figure 1 shows the typical opening and clos-
ing switch debounce operation.
A rising pulse at CLEAR resets the T flip-flop and pulls
OUT low and OUT high.
MAX16054
On/Off Controller with Debounce and
±15kV ESD Protection
4 _______________________________________________________________________________________
Functional Diagram
XNOR
UNDERVOLTAGE
LOCKOUT
T
Q
CLR
COUNTER
D
Q
R
D
Q
CLR
OSC
V
CC
R
PU
R
IN
OUT
OUT
CLEAR
ESD
PROTECTION
V
CC
MAX16054









