User Manual

MAX1402
+5V, 18-Bit, Low-Power, Multichannel,
Oversampling (Sigma-Delta) ADC
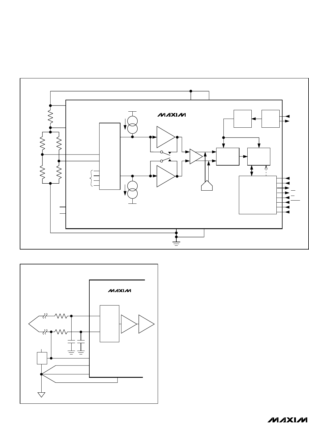
Strain Gauge Operation
Connect the differential inputs of the MAX1402 to the
bridge network of the strain gauge. In Figure 16, the
analog positive supply voltage powers the bridge net-
work and the MAX1402 along with its reference voltage.
The on-chip PGA allows the MAX1402 to handle an
analog input voltage range as low as 20mV full scale.
The differential inputs of the part allow this analog input
range to have an absolute value anywhere between
AGND and V+.
Temperature Measurement
Figure 17 shows a connection from a thermocouple to
the MAX1402. In this application, the MAX1402 is oper-
ated in its buffered mode to allow large decoupling
capacitors on the front end. These decoupling capaci-
tors eliminate any noise pickup form the thermocouple
leads. When the MAX1402 is operated in buffered
mode, it has a reduced common-mode range. In order
to place the differential voltage from the thermocouple
on a suitable common-mode voltage, the AIN2 input of
the MAX1402 is biased at the reference voltage, +2.5V.
BUFFER
BUFFER
DIVIDER
CLOCK
GEN
MODULATOR
DIGITAL
FILTER
V+
V+ V
DD
AGNDOUT1
OUT2
REFIN+
REFIN-
AGND DGND
AIN1
AIN2
SWITCHING
NETWORK
ACTIVE
GAUGE
DUMMY
GAUGE
R
REF
ANALOG SUPPLY
R
R
ADDITIONAL
ANALOG
AND
CALIBRATION
CHANNELS
INTERFACE
AND
CONTROL
SCLK
DIN
DOUT
INT
CS
RESET
DS1
DS0
CLKIN
CLKOUT
PGA
DAC
MAX1402
BUFFER
BUFFER
Figure 16. Strain-Gauge Application with MAX1402
CC
+5V
+2.5V
REFIN+
REFIN-
AGND
DGND
R
R
THERMOCOUPLE
JUNCTION
SWITCHING
NETWORK
PGA
MAX1402
BUFFER
AIN1
AIN2
Figure 17. Thermocouple Application with MAX1402
34 ______________________________________________________________________________________










