User guide

MAX1304–MAX1306/MAX1308–MAX1310/MAX1312–MAX1314
8-/4-/2-Channel, 12-Bit, Simultaneous-Sampling ADCs
with ±10V, ±5V, and 0 to +5V Analog Input Ranges
30 ______________________________________________________________________________________
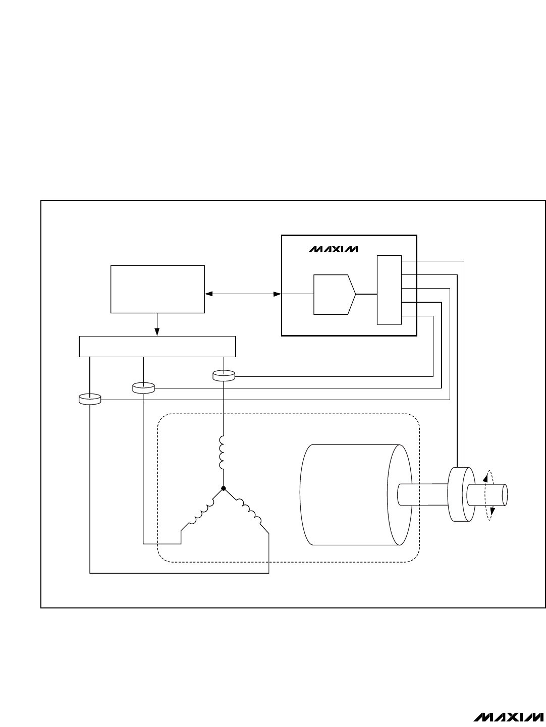
3-Phase Motor Controller
The MAX1304–MAX1306/MAX1308–MAX1310/MAX1312–
MAX1314 are ideally suited for motor-control systems
(Figure 15). The devices’ simultaneously sampled
inputs eliminate the need for complicated DSP algo-
rithms that realign sequentially sampled data into a
simultaneous sample set. Additionally, the variety of
input voltage ranges allows for flexibility when choosing
current sensors and position encoders.
12-BIT
ADC
DSP
CURRENT
SENSOR
I
PHASE1
PHASE 1
PHASE 2
PHASE 3
3-PHASE ELECTRIC MOTOR
POSITION
ENCODER
I
PHASE3
I
PHASE2
IGBT CURRENT DRIVERS
T/H
MAX1308
Figure 15. 3-Phase Motor Control










