User guide

MAX1304–MAX1306/MAX1308–MAX1310/MAX1312–MAX1314
8-/4-/2-Channel, 12-Bit, Simultaneous-Sampling ADCs
with ±10V, ±5V, and 0 to +5V Analog Input Ranges
______________________________________________________________________________________ 19
Analog Inputs
Track and Hold (T/H)
To preserve phase information across the multichannel
MAX1304–MAX1306/MAX1308–MAX1310/MAX1312–
MAX1314, all input channels have dedicated T/H ampli-
fiers. Figure 5 shows the equivalent analog input T/H
circuit for one channel.
The input T/H circuit is controlled by the CONVST input.
When CONVST is low, the T/H circuit tracks the analog
input. When CONVST is high the T/H circuit holds the
analog input. The rising edge of CONVST is the analog
input sampling instant. There is an aperture delay (t
AD
)
of 8ns and a 50ps
RMS
aperture jitter (t
AJ
). The aperture
delay of each dedicated T/H input is matched within
100ps of each other.
To settle the charge on C
SAMPLE
to 12-bit accuracy,
use a minimum acquisition time (t
ACQ
) of 100ns.
Therefore, CONVST must be low for at least 100ns.
Although longer acquisition times allow the analog input
to settle to its final value more accurately, the maximum
acquisition time must be limited to 1ms. Accuracy with
conversion times longer than 1ms cannot be guaran-
teed due to capacitor droop in the input circuitry.
Due to the analog input resistive divider formed by R1
and R2 in Figure 5, any significant analog input source
resistance (R
SOURCE
) results in gain error. Further-
more, R
SOURCE
causes distortion due to nonlinear
analog input currents. Limit R
SOURCE
to a maximum
of 100Ω.
Selecting an Input Buffer
To improve the input signal bandwidth under AC condi-
tions, drive the input with a wideband buffer (>50MHz)
that can drive the ADC’s input capacitance (15pF) and
settle quickly. For example, the MAX4431 or the
MAX4265 can be used for the 0 to +5V unipolar devices,
or the MAX4350 can be used for ±5V bipolar inputs.
Most applications require an input buffer to achieve 12-bit
accuracy. Although slew rate and bandwidth are impor-
tant, the most critical input buffer specification is settling
time. The simultaneous sampling of multiple channels
requires an acquisition time of 100ns. At the beginning of
the acquisition, the ADC internal sampling capacitor array
connects to the analog inputs, causing some distur-
bance. Ensure the amplifier is capable of settling to at
least 12-bit accuracy during this interval. Use a low-noise,
low-distortion, wideband amplifier that settles quickly and
is stable with the ADC’s 15pF input capacitance.
See the Maxim website at www.maxim-ic.com for appli-
cation notes on how to choose the optimum buffer
amplifier for your ADC application.
Input Bandwidth
The input-tracking circuitry has a 20MHz small-signal
bandwidth, making it possible to digitize high-speed
transient events and measure periodic signals with
bandwidths exceeding the ADC’s sampling rate by
using undersampling techniques. To avoid high-fre-
quency signals being aliased into the frequency band
of interest, anti-alias filtering is recommended.
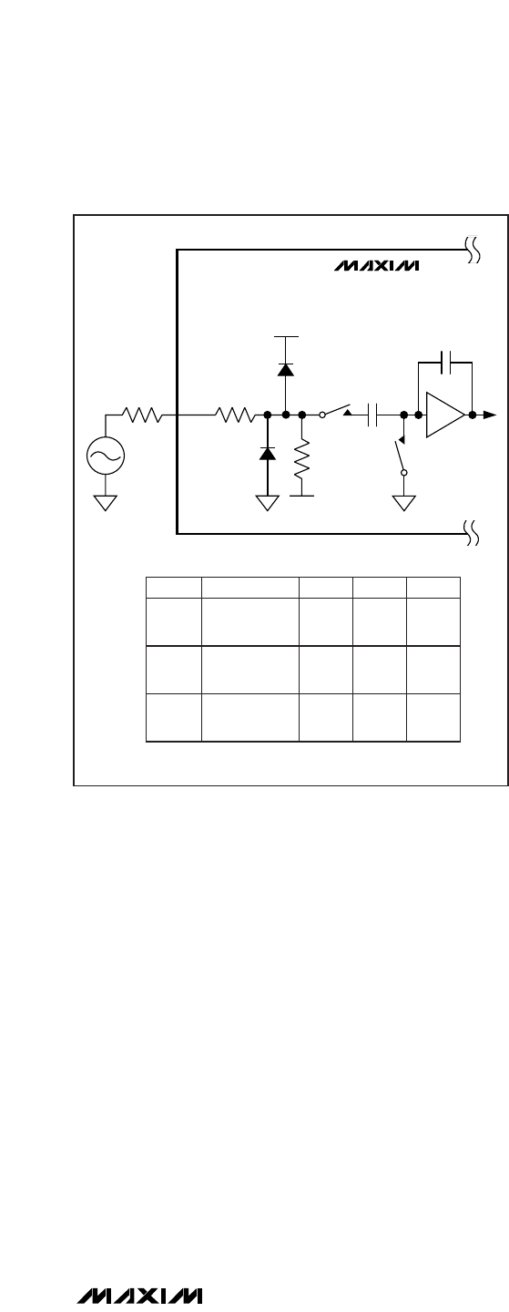
Input Range and Protection
The MAX1304/MAX1305/MAX1306 provide a 0 to +5V
input voltage range with fault protection of ±6V. The
MAX1308/MAX1309/MAX1310 provide a ±5V input volt-
age range with fault protection of ±16.5V. The
MAX1312/MAX1313/MAX1314 provide a ±10V input
voltage range with fault protection of ±16.5V. Figure 5
shows the single-channel equivalent input circuit.
CH_
UNDERVOLTAGE
PROTECTION
CLAMP
OVERVOLTAGE
PROTECTION
CLAMP
R1
2.5pF
AV
DD
C
SAMPLE
C
HOLD
MAX1304–MAX1306
MAX1308–MAX1310
MAX1312–MAX1314
R1 | | R2 = 2kΩ
R2
V
BIAS
*R
SOURCE
ANALOG
SIGNAL
SOURCE
*MINIMIZE R
SOURCE
TO AVOID GAIN ERROR AND DISTORTION.
INPUT RANGE (V)PART
0 TO +5
MAX1304
MAX1305
MAX1306
MAX1308
MAX1309
MAX1310
MAX1312
MAX1313
MAX1314
±5
±10
R1 (k
Ω
)
3.33
6.67
13.33
R2 (k
Ω
) V
BIAS
(V)
5.00
2.86
2.35
0.90
2.50
2.06
Figure 5. Single-Channel, Equivalent Analog Input T/H Circuit










