User guide

MAX1304–MAX1306/MAX1308–MAX1310/MAX1312–MAX1314
8-/4-/2-Channel, 12-Bit, Simultaneous-Sampling ADCs
with ±10V, ±5V, and 0 to +5V Analog Input Ranges
16 ______________________________________________________________________________________
MAX1304–MAX1306
MAX1308–MAX1310
MAX1312–MAX1314
CONVST
D11
MSV
DGND
AV
DD
SHDN
INTCLK/EXTCLK
CLK
CH0
INTERFACE
AND
CONTROL
8 x 1
MUX
12-BIT
ADC
CH7
D0
DV
DD
AGND
CHSHDN
REF
MS
REF
REF+
COM
REF-
T/H
T/H
8 x 12
SRAM
OUTPUT
DRIVERS
5kΩ
5kΩ
CONFIGURATION
REGISTER
D7
D8
2.500V
*
*SWITCH CLOSED ON UNIPOLAR DEVICES, OPEN ON BIPOLAR DEVICES
WR
CS
RD
EOC
EOLC
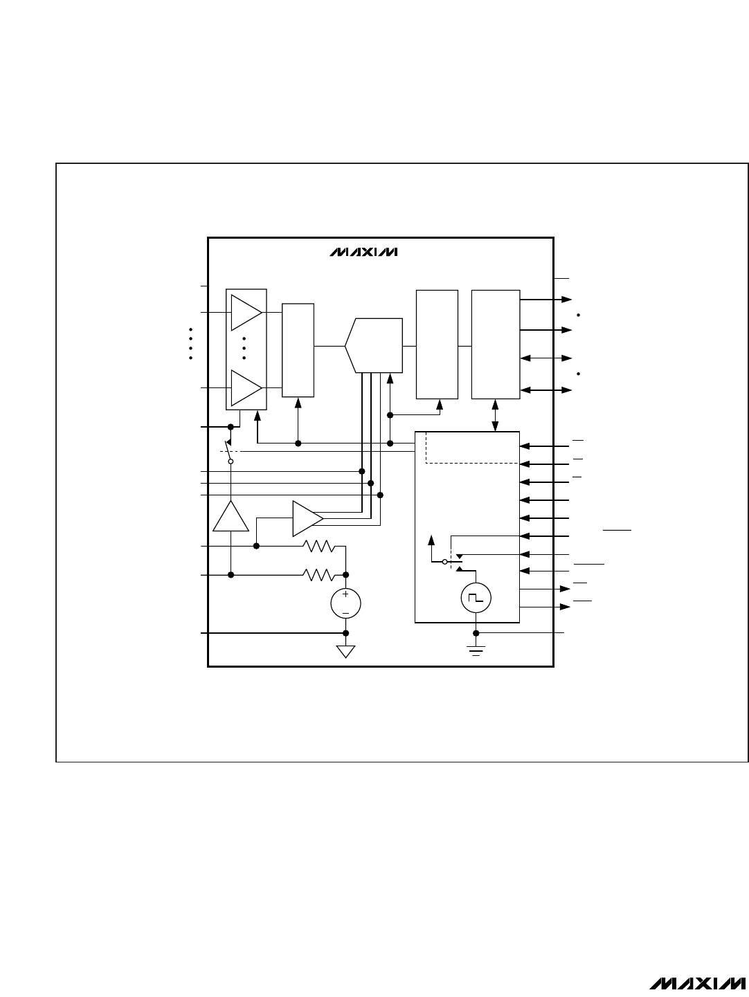
Figure 2. Functional Diagram










