
28
4920A–GPS–01/06
ATR0630 [Preliminary]
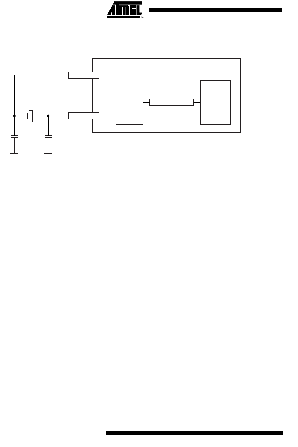
5.2 RTC Oscillator
Figure 5-5. Crystal Connection
XT_IN
XT_OUT
RTC
ATR0630 internal
32 kHz
Crystal
Oscillator
32.768 kHz clock
32.768 kHz
50 ppm
CC
C = 2 × C
load
, C
load
can be derived from the crystal datasheet