Manual

24
4920A–GPS–01/06
ATR0630 [Preliminary]
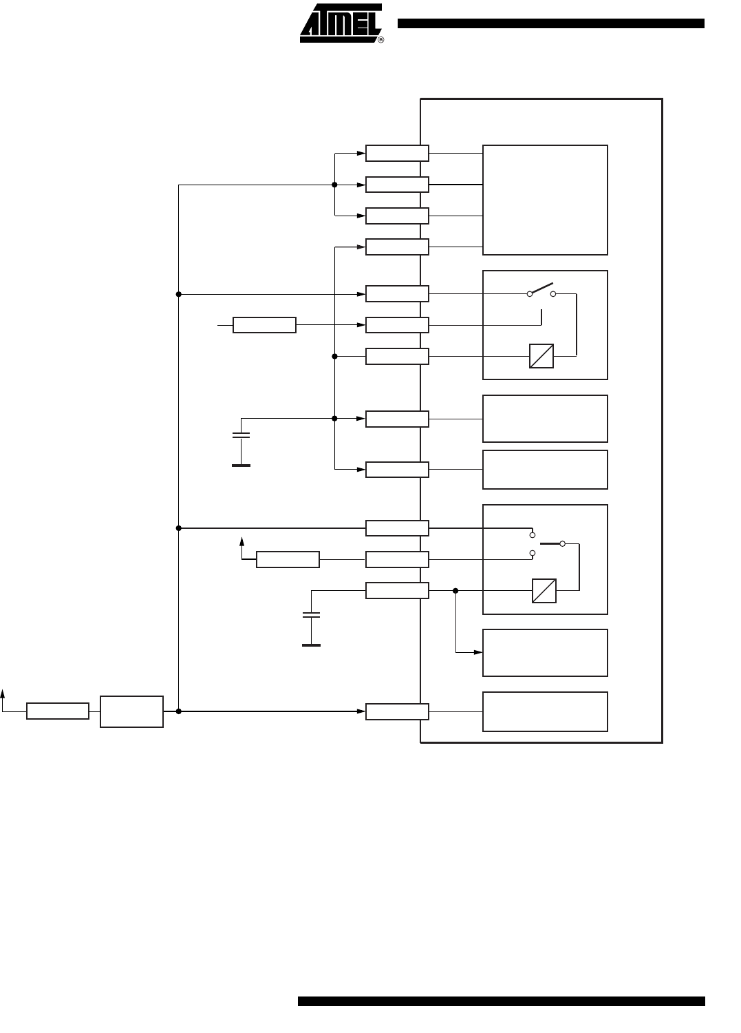
Figure 4-4. Connecting Example: Power Supply from USB Using the Internal LDOs
ATR0630 internal
VDDUSB
1.5V to 3.6V
ldoout
ldoen
ldoin
LDO18
LDO_IN
1 µF
(X7R)
VDDIO
LDO_EN
VDD18
LDO_OUT
USB SM and
transceiver
1.8V to 3.3V
variable I/O domain
RTC
backup memory
Core
vbat18
vbat
VDD
ldobat_in
LDOBAT
LDOBAT_IN
VBAT
VBAT18
RF
VCC1
VCC2
VBP
VDIG
1 µF
(X7R)
NSHDN
External LDO
2.7V to 3.3V
USB-VSB 5V










