Manual

23
4920A–GPS–01/06
ATR0630 [Preliminary]
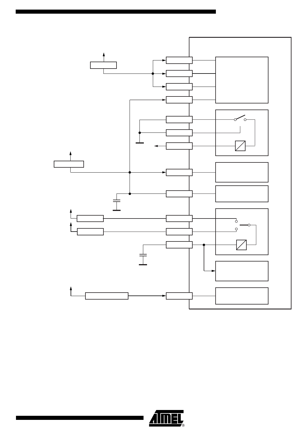
Figure 4-3. Connecting Example: Separate Power Supplies for RF and Digital Part Using 1.8V from Host System
ATR0630 internal
VDDUSB0V or 3V to 3.6V
1.5V to 3.6V
ldoout
ldoen
ldoin
LDO18
LDO_IN
1 µF
(X7R)
VDDIO
LDO_EN
VDD18
LDO_OUT
USB SM and
transceiver
1.8V to 3.3V
variable I/O domain
RTC
backup memory
Core
vbat18
vbat
VDD
ldobat_in
LDOBAT
LDOBAT_IN
VBAT
VBAT18
RF
VCC1
VCC2
VBP
VDIG
2.7V to 3.3V
2.3V to 3.6V
1 µF
(X7R)
1.65V to 1.95V










