Manual
Table Of Contents
- Features
- Pin Configurations
- Description
- Architectural Overview- General Purpose Register File
- ALU – Arithmetic Logic Unit
- In-System Programmable Flash Program Memory
- SRAM Data Memory
- Program and Data Addressing Modes- Register Direct, Single Register Rd
- Register Direct, Two Registers Rd and Rr
- I/O Direct
- Data Direct
- Data Indirect with Displacement
- Data Indirect
- Data Indirect with Pre- decrement
- Data Indirect with Post- increment
- Constant Addressing Using the LPM Instruction
- Indirect Program Addressing, IJMP and ICALL
- Relative Program Addressing, RJMP and RCALL
 
- EEPROM Data Memory
- Memory Access Times and Instruction Execution Timing
- I/O Memory
- Reset and Interrupt Handling- Reset Sources
- Power-on Reset
- External Reset
- Brown-out Detection
- Watchdog Reset
- MCU Status Register – MCUSR
- Interrupt Handling
- General Interrupt Mask Register – GIMSK
- General Interrupt Flag Register – GIFR
- Timer/Counter Interrupt Mask Register – TIMSK
- Timer/Counter Interrupt Flag Register – TIFR
- External Interrupts
- Interrupt Response Time
- MCU Control Register – MCUCR
 
- Sleep Modes
 
- Timer/Counters
- 16-bit Timer/Counter1
- Watchdog Timer
- EEPROM Read/Write Access
- Serial Peripheral Interface – SPI
- UART
- Analog Comparator
- Analog-to-Digital Converter
- I/O Ports
- Memory Programming
- Electrical Characteristics
- External Clock Drive Waveforms
- Typical Characteristics
- Register Summary
- Instruction Set Summary
- Ordering Information
- Packaging Information
- Errata for AT90S/LS4433 Rev. Rev. C/D/E/F
- Data Sheet ChangeLog for AT90S/LS4433
- Table of Contents

83
AT90S/LS4433
1042G–AVR–09/02
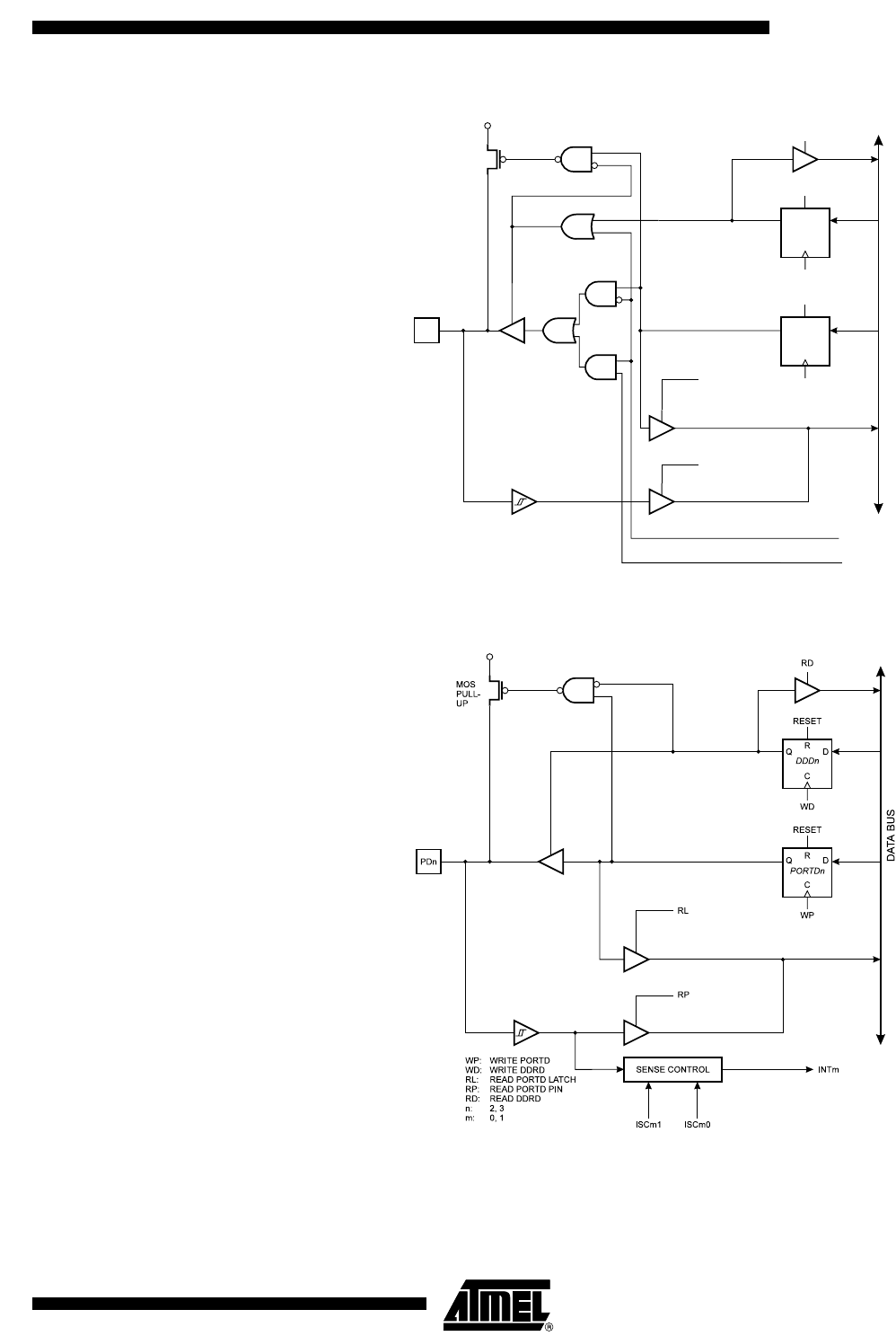
Figure 58. Port D Schematic Diagram (Pin PD1)
Figure 59. Port D Schematic Diagram (Pins PD2 and PD3)
DATA BUS
D
D
Q
Q
RESET
RESET
C
C
WD
WP
RD
RP
RL
MOS
PULL-
UP
PD1
R
R
WP:
WD:
RL:
RP:
RD:
TXD:
TXEN:
WRITE PORTD
WRITE DDRD
READ PORTD LATCH
READ PORTD PIN
READ DDRD
UART TRANSMIT DATA
UART TRANSMIT ENABLE
DDD1
PORTD1
TXEN
TXD










