Manual
Table Of Contents
- Features
- Pin Configurations
- Description
- Architectural Overview- General Purpose Register File
- ALU – Arithmetic Logic Unit
- In-System Programmable Flash Program Memory
- SRAM Data Memory
- Program and Data Addressing Modes- Register Direct, Single Register Rd
- Register Direct, Two Registers Rd and Rr
- I/O Direct
- Data Direct
- Data Indirect with Displacement
- Data Indirect
- Data Indirect with Pre- decrement
- Data Indirect with Post- increment
- Constant Addressing Using the LPM Instruction
- Indirect Program Addressing, IJMP and ICALL
- Relative Program Addressing, RJMP and RCALL
 
- EEPROM Data Memory
- Memory Access Times and Instruction Execution Timing
- I/O Memory
- Reset and Interrupt Handling- Reset Sources
- Power-on Reset
- External Reset
- Brown-out Detection
- Watchdog Reset
- MCU Status Register – MCUSR
- Interrupt Handling
- General Interrupt Mask Register – GIMSK
- General Interrupt Flag Register – GIFR
- Timer/Counter Interrupt Mask Register – TIMSK
- Timer/Counter Interrupt Flag Register – TIFR
- External Interrupts
- Interrupt Response Time
- MCU Control Register – MCUCR
 
- Sleep Modes
 
- Timer/Counters
- 16-bit Timer/Counter1
- Watchdog Timer
- EEPROM Read/Write Access
- Serial Peripheral Interface – SPI
- UART
- Analog Comparator
- Analog-to-Digital Converter
- I/O Ports
- Memory Programming
- Electrical Characteristics
- External Clock Drive Waveforms
- Typical Characteristics
- Register Summary
- Instruction Set Summary
- Ordering Information
- Packaging Information
- Errata for AT90S/LS4433 Rev. Rev. C/D/E/F
- Data Sheet ChangeLog for AT90S/LS4433
- Table of Contents

82
AT90S/LS4433
1042G–AVR–09/02
• TXD – Port D, Bit 1
Transmit Data (Data Output pin for the UART). When the UART Transmitter is enabled,
this pin is configured as an output, regardless of the value of DDD1.
• RXD – Port D, Bit 0
Receive Data (Data Input pin for the UART). When the UART Receiver is enabled, this
pin is configured as an input, regardless of the value of DDD0. When the UART forces
thispintobeaninput,alogical“1” in PORTD0 will turn on the internal pull-up.
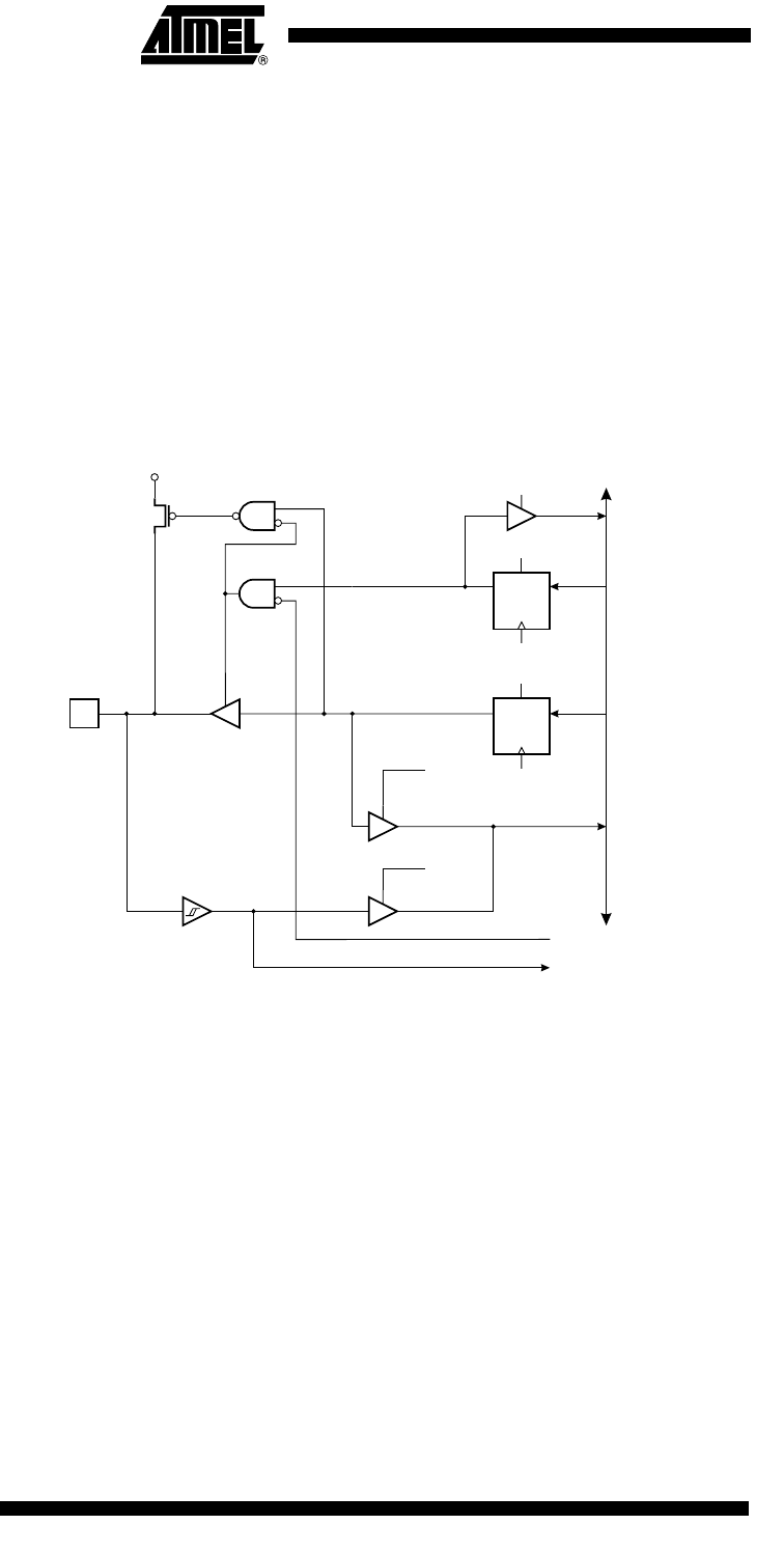
Port D Schematics Note that all port pins are synchronized. The synchronization latches are, however, not
shown in the figures.
Figure 57. Port D Schematic Diagram (Pin PD0)
DATA BUS
D
D
Q
Q
RESET
RESET
C
C
WD
WP
RD
MOS
PULL-
UP
PD0
RXD
RXEN
WP:
WD:
RL:
RP:
RD:
RXD:
RXEN:
WRITE PORTD
WRITE DDRD
READ PORTD LATCH
READ PORTD PIN
READ DDRD
UART RECEIVE DATA
UART RECEIVE ENABLE
DDD0
PORTD0
RL
RP










