Manual
Table Of Contents
- Features
- Pin Configurations
- Description
- Architectural Overview- General Purpose Register File
- ALU – Arithmetic Logic Unit
- In-System Programmable Flash Program Memory
- SRAM Data Memory
- Program and Data Addressing Modes- Register Direct, Single Register Rd
- Register Direct, Two Registers Rd and Rr
- I/O Direct
- Data Direct
- Data Indirect with Displacement
- Data Indirect
- Data Indirect with Pre- decrement
- Data Indirect with Post- increment
- Constant Addressing Using the LPM Instruction
- Indirect Program Addressing, IJMP and ICALL
- Relative Program Addressing, RJMP and RCALL
 
- EEPROM Data Memory
- Memory Access Times and Instruction Execution Timing
- I/O Memory
- Reset and Interrupt Handling- Reset Sources
- Power-on Reset
- External Reset
- Brown-out Detection
- Watchdog Reset
- MCU Status Register – MCUSR
- Interrupt Handling
- General Interrupt Mask Register – GIMSK
- General Interrupt Flag Register – GIFR
- Timer/Counter Interrupt Mask Register – TIMSK
- Timer/Counter Interrupt Flag Register – TIFR
- External Interrupts
- Interrupt Response Time
- MCU Control Register – MCUCR
 
- Sleep Modes
 
- Timer/Counters
- 16-bit Timer/Counter1
- Watchdog Timer
- EEPROM Read/Write Access
- Serial Peripheral Interface – SPI
- UART
- Analog Comparator
- Analog-to-Digital Converter
- I/O Ports
- Memory Programming
- Electrical Characteristics
- External Clock Drive Waveforms
- Typical Characteristics
- Register Summary
- Instruction Set Summary
- Ordering Information
- Packaging Information
- Errata for AT90S/LS4433 Rev. Rev. C/D/E/F
- Data Sheet ChangeLog for AT90S/LS4433
- Table of Contents

76
AT90S/LS4433
1042G–AVR–09/02
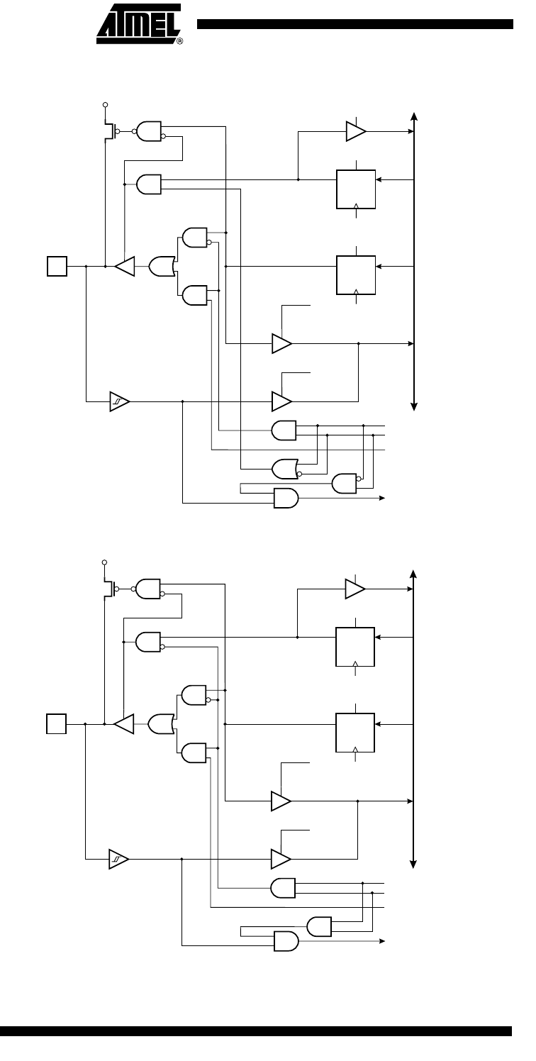
Figure 53. Port B Schematic Diagram (Pin PB3)
Figure 54. Port B Schematic Diagram (Pin PB4)
DATA BUS
D
D
Q
Q
RESET
RESET
C
C
WD
WP
RD
MOS
PULL-
UP
PB3
R
R
WP:
WD:
RL:
RP:
RD:
SPE:
MSTR
WRITE PORTB
WRITE DDRB
READ PORTB LATCH
READ PORTB PIN
READ DDRB
SPI ENABLE
MASTER SELECT
DDB3
PORTB3
SPE
MSTR
SPI MASTER
OUT
SPI SLAVE
IN
RL
RP
DATA BUS
D
D
Q
Q
RESET
RESET
C
C
WD
WP
RD
MOS
PULL-
UP
PB4
R
R
WP:
WD:
RL:
RP:
RD:
SPE:
MSTR
WRITE PORTB
WRITE DDRB
READ PORTB LATCH
READ PORTB PIN
READ DDRB
SPI ENABLE
MASTER SELECT
DDB4
PORTB4
SPE
MSTR
SPI SLAVE
OUT
SPI MASTER
IN
RL
RP










