Manual
Table Of Contents
- Features
- Pin Configurations
- Description
- Architectural Overview- General Purpose Register File
- ALU – Arithmetic Logic Unit
- In-System Programmable Flash Program Memory
- SRAM Data Memory
- Program and Data Addressing Modes- Register Direct, Single Register Rd
- Register Direct, Two Registers Rd and Rr
- I/O Direct
- Data Direct
- Data Indirect with Displacement
- Data Indirect
- Data Indirect with Pre- decrement
- Data Indirect with Post- increment
- Constant Addressing Using the LPM Instruction
- Indirect Program Addressing, IJMP and ICALL
- Relative Program Addressing, RJMP and RCALL
 
- EEPROM Data Memory
- Memory Access Times and Instruction Execution Timing
- I/O Memory
- Reset and Interrupt Handling- Reset Sources
- Power-on Reset
- External Reset
- Brown-out Detection
- Watchdog Reset
- MCU Status Register – MCUSR
- Interrupt Handling
- General Interrupt Mask Register – GIMSK
- General Interrupt Flag Register – GIFR
- Timer/Counter Interrupt Mask Register – TIMSK
- Timer/Counter Interrupt Flag Register – TIFR
- External Interrupts
- Interrupt Response Time
- MCU Control Register – MCUCR
 
- Sleep Modes
 
- Timer/Counters
- 16-bit Timer/Counter1
- Watchdog Timer
- EEPROM Read/Write Access
- Serial Peripheral Interface – SPI
- UART
- Analog Comparator
- Analog-to-Digital Converter
- I/O Ports
- Memory Programming
- Electrical Characteristics
- External Clock Drive Waveforms
- Typical Characteristics
- Register Summary
- Instruction Set Summary
- Ordering Information
- Packaging Information
- Errata for AT90S/LS4433 Rev. Rev. C/D/E/F
- Data Sheet ChangeLog for AT90S/LS4433
- Table of Contents

6
AT90S/LS4433
1042G–AVR–09/02
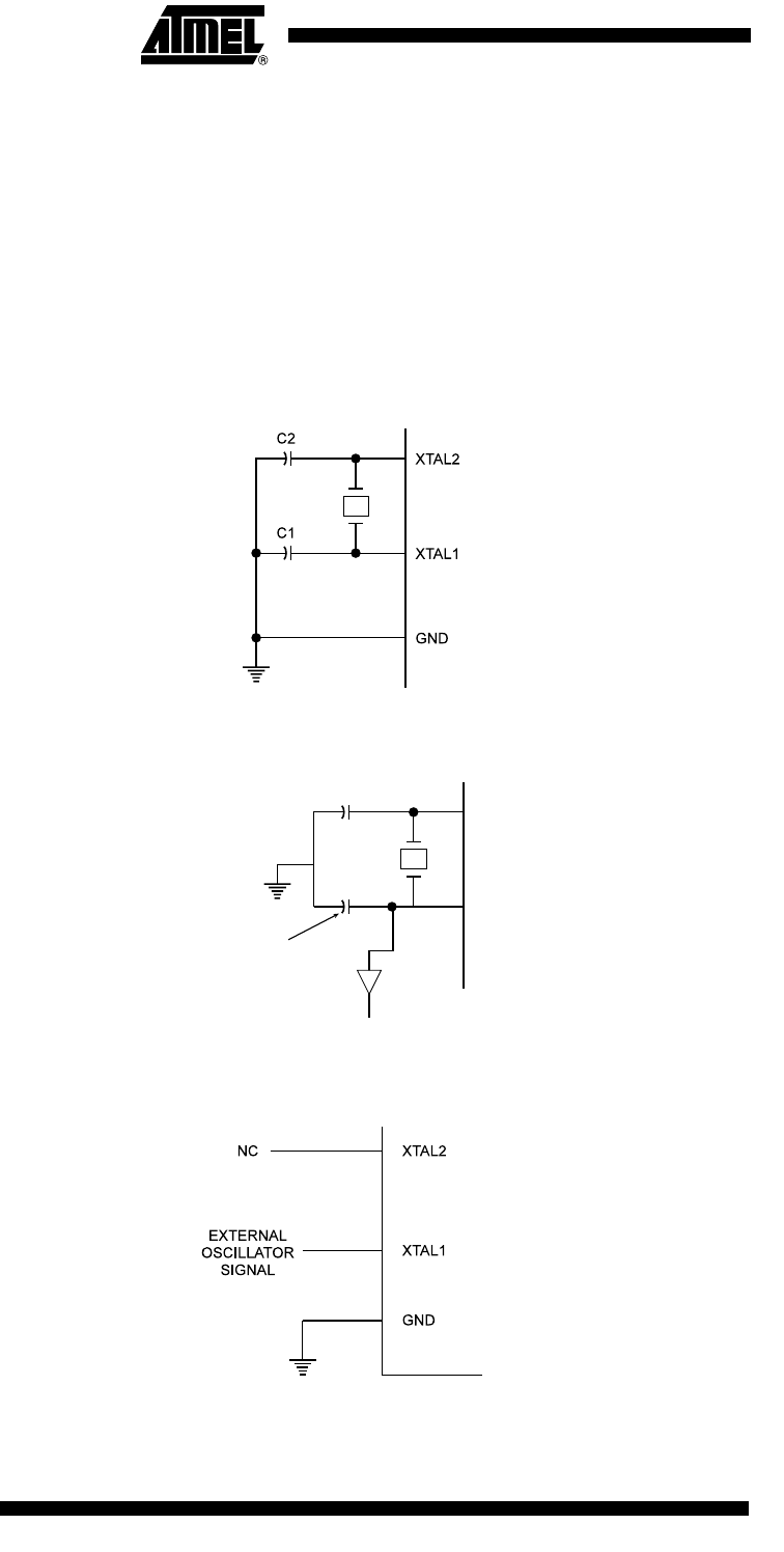
Clock Options
Crystal Oscillator XTAL1 and XTAL2 are input and output, respectively, of an inverting amplifier, which
can be configured for use as an On-chip Oscillator, as shown in Figure 2 and Figure 3.
Either a quartz crystal or a ceramic resonator may be used.
External Clock If the Oscillator is to be used as a clock for an external device, the clock signal from
XTAL2 may be routed to one HC buffer while reducing the load capacitor by 5 pF, as
shown in Figure 3. To drive the device from an external clock source, XTAL2 should be
left unconnected while XTAL1 is driven as shown in Figure 4.
Figure 2. Oscillator Connections
Figure 3. Using MCU Oscillator as a Clock for an External Device
Figure 4. External Clock Drive Configuration
XTAL1
REDUCE BY 5
P
F
MAX 1 HC BUFFER
XTAL2
HC










