Manual
Table Of Contents
- Features
- Description
- Block Diagram
- Device Operation
- Command Definition (in Hex)(1)
- Absolute Maximum Ratings*
- DC and AC Operating Range
- Operating Modes
- DC Characteristics
- AC Read Characteristics
- AC Read Waveforms (1)(2)(3)(4)
- Input Test Waveform and Measurement Level
- Output Load Test
- Pin Capacitance
- AC Byte Load Characteristics
- AC Byte Load Waveforms
- Program Cycle Characteristics
- Program Cycle Waveforms
- Sector or Chip Erase Cycle Waveforms
- Data Polling Characteristics(1)
- Data Polling Waveforms
- Toggle Bit Characteristics(1)
- Toggle Bit Waveforms(1)(2)(3)
- Software Product Identification Entry(1)
- Software Product Identification Exit(1)
- Boot Block Lockout Feature Enable Algorithm(1)
- AT49F002 Ordering Information
- AT49F002N Ordering Information
- AT49F002T Ordering Information
- AT49F002NT Ordering Information
- Pin Configurations

AT49F002(N)(T)
7
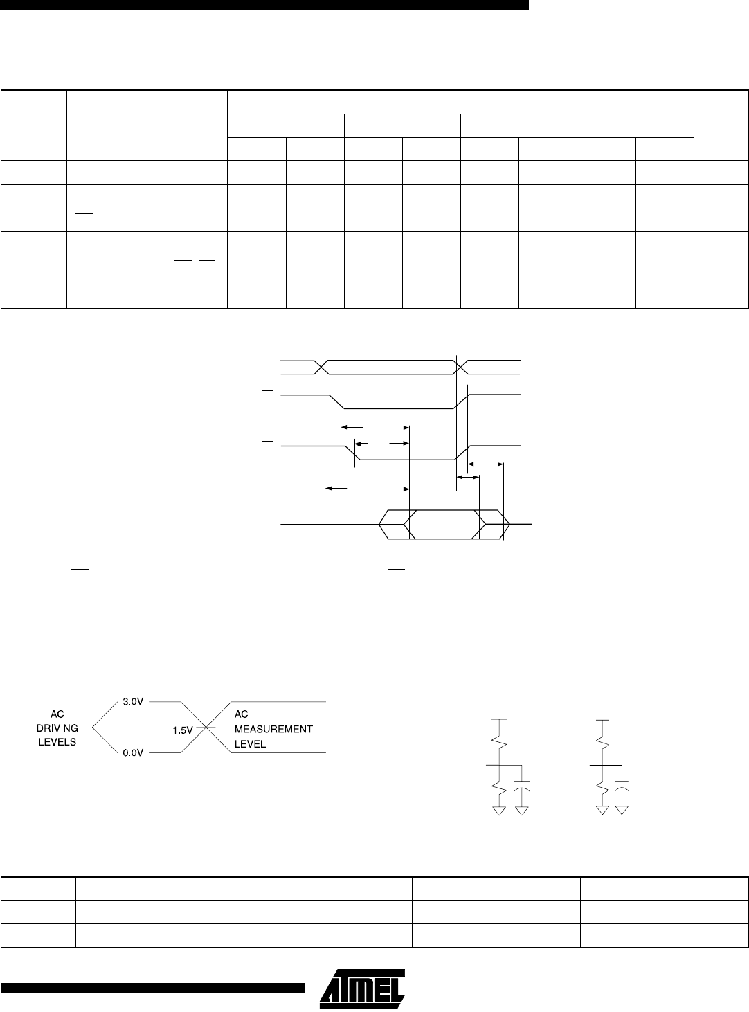
AC Read Waveforms
(1)(2)(3)(4)
Notes: 1. CE may be delayed up to t
ACC
- t
CE
after the address transition without impact on t
ACC
.
2. OE may be delayed up to t
CE
- t
OE
after the falling edge of CE without impact on t
CE
or by t
ACC
- t
OE
after an address change
without impact on t
ACC
.
3. t
DF
is specified from OE or CE whichever occurs first (CL = 5 pF).
4. This parameter is characterized and is not 100% tested.
Input Test Waveform and
Measurement Level
t
R
, t
F
< 5 ns
Output Load Test
Note: 1. This parameter is characterized and is not 100% tested.
AC Read Characteristics
Symbol Parameter
AT49F002(N)(T)
Units
-55-70-90-12
Min Max Min Max Min Max Min Max
t
ACC
Address to Output Delay 55 70 90 120 ns
t
CE
(1)
CE to Output Delay 55 70 90 120 ns
t
OE
(2)
OE to Output Delay 0 30 0 35 0 40 0 50 ns
t
DF
(3)(4)
CE or OE to Output Float 0 25 0 25 0 25 0 30 ns
t
OH
Output Hold from OE, CE
or Address, whichever
occurred first
0000ns
ADDRESS
OUTPUT
HIGH Z
OUTPUT
OE
CE
t
ACC
t
OE
t
DF
t
OH
t
CE
VALID
ADDRESS VALID
5.0V
1.8K
100 pF
30 pF
1.3K
5.0V
1.8K
OUTPUT
PIN
1.3K
OUTPUT
PIN
50 ns
70/90/120 ns
Pin Capacitance
f = 1 MHz, T = 25°C
(1)
Symbol Typ Max Units Conditions
C
IN
46pFV
IN
= 0V
C
OUT
812pFV
OUT
= 0V










