User Manual

AT28C040
5
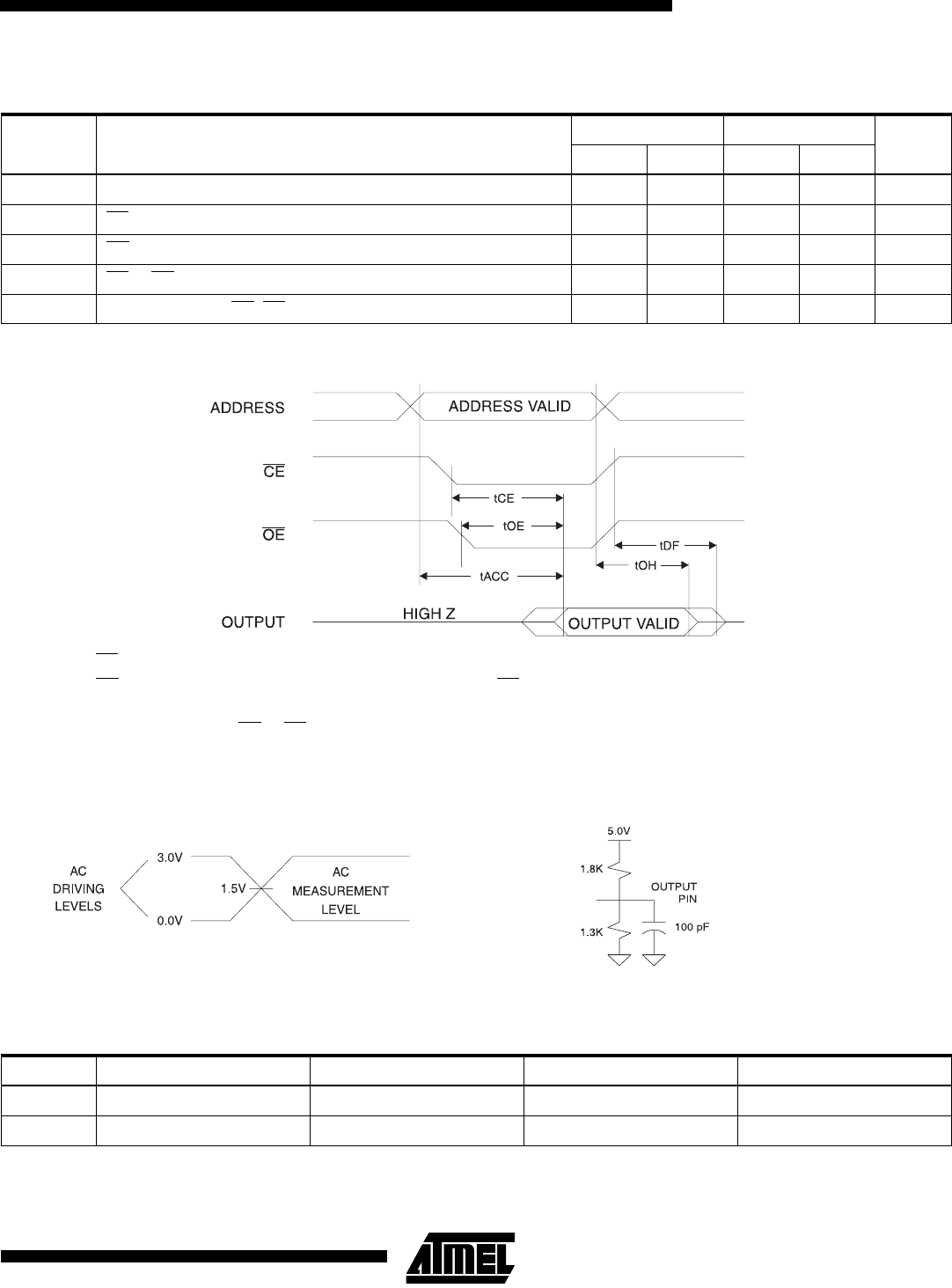
AC Read Waveforms
(1)(2)(3)(4)
Note: 1. CE May be delayed up to t
ACC
- t
CE
after the address transition wihtout impact on t
ACC
.
2. OE ma y be d elayed up to t
CE
- t
OE
after the f alli ng edge of CE without impac t on t
CE
or by t
ACC
- t
OE
after an address c han ge
withou t impa ct on t
ACC
.
3. t
DF
is specified from OE or CE, whichever occurs first (C
L
= 5 pF).
4. This parameter is characterized and is not 100% tested.
Input Test Waveforms and
Measurement Level
t
R
, t
F
< 5 ns
Output Test Load
Note: 1. This parameter is characterized and is not 100% tested.
AC Read Characteristics
Symbol Parameter
AT28C040-20 AT28C040-25
UnitsMin Max Min Max
t
ACC
Address to Output Delay 200 250 ns
t
CE
(1)
CE to Output Delay 200 250 ns
t
OE
(2)
OE to Output Delay 0 55 0 55 ns
t
DF
(3)(4)
CE or OE to Output Float 0 55 0 55 ns
t
OH
Output Hold from OE, CE or Address, whichever occurred first 0 0 ns
Pin Capacitance
f = 1 MHz, T = 2 5°C
(1)
Symbol Typ Max Units Conditions
C
IN
410pFV
IN
= 0V
C
OUT
812pFV
OUT
= 0V










